七
、新型电工仪器仪表的使用
近几年来一些新型电测仪器的出现,简化了操作方法,测量参数更加精确,更加多样化,给电气系统的测试、调整、试验带来了很大的方便。如TSB试验变压器、Q-50-250放电球隙测压器、ZBC-1电压比自动测试仪、YM-942继电保护校验仪、KJTC开关力学性能测试仪、JF局部放电测试仪、HYBL氧化锌避雷器测试仪、DWR大接地网接地电阻测试仪、ZGF/ZGC直流高压发生器、SB2204智能介质损耗测试仪、GZ智能高压绝缘电阻表、SB2230直流数字电阻测试仪、MD911电缆故障测试仪、双钳相位伏安表、UT数字钳形表、LCR测量仪等,也是电气工作人员应该掌握的。
1.TSB高压试验变压器的使用和注意事项
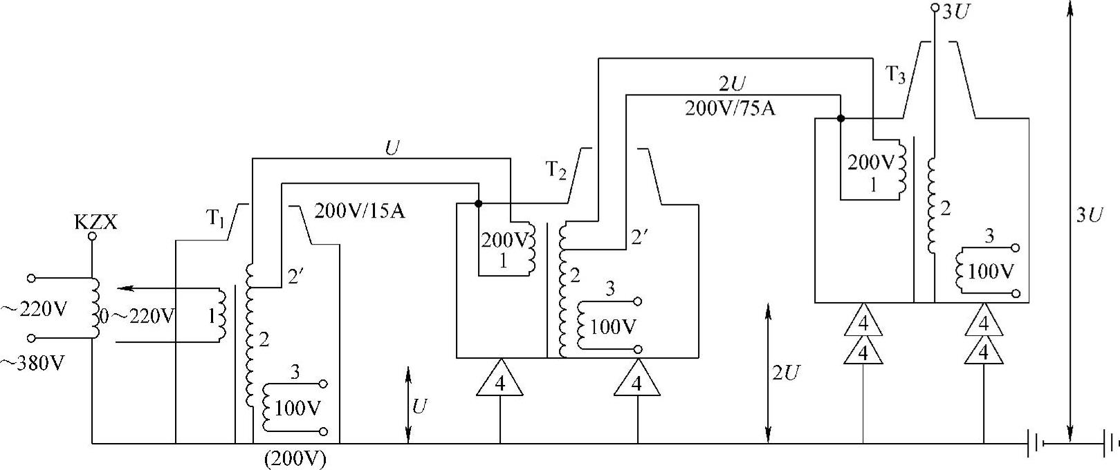
1)按图4-9接好工作线路,变压器外壳、控制箱(台)外壳及公共地线必须接在良好接地体上,不允许随意接在自来水管或其他金属管道上。
2)直流耐压试验时,先将高压套管短路棒旋松抽出,再将光电保护微安表旋装在高压套管顶端螺栓上。交流高压测试时,必须旋入短路铜棒,不装光电保护微安表。

图4-9 单台TSB试验变压器外部接线图
3)接通电源前,控制箱KZX的调压器手柄须先调回到零位。用插头线将电源接通,绿色指示灯亮,按下起动按钮HLR,红色指示灯亮表示调压器电路已通电,等待升压。
4)顺时针按每秒1.5~2kV的升压速度均匀旋动调压器手柄升压,并密切注意仪表指示及被试品情况。
5)试验完毕后,应在约5s内匀速将高压降至10kV以下,然后按断电按钮HLG切断电源。除非试验必需时,不允许突然全电压断电。
6)试验中发现电压表指示摆动大,电流表指示急剧增加,或被试件冒烟、打火、有焦糊味或有异常响声,应立即切断电源,停止试验,然后检查原因。
试验中由于被试件短路或故障击穿,控制箱(台)内过电流继电器将动作切断电源,此时应立即将调压器手柄回到零位。
使用中注意事项有以下几点:
1)额定输出容量下的持续使用时间不能超过1h,如还需再使用,应断电停用2h后再通电。
如负载容量低于产品额定容量的70%时,可以连续使用。
2)正常的高电压电气绝缘试验中,不允许超过额定输出电压使用。
3)当用多台试验变压器组成串级高压试验时,要注意检查第2、3级的变压器本体及绝缘支架的状况、连接线的正确性、硅堆短路杆的位置及整个系统的保护接地状况。
多台试验变压器串级试验接线见图4-10。
2.ZBC-1型电压比自动测试仪的使用及注意事项
ZBC-1型电压比自动测试仪,采用微机技术和高精度A-D技术,具有高精度、快速运算和人工智能的特点。仪器自动测量被试变压器(或互感器)的电压比和极性,并根据预先输入的联结组标号(如
/△等)和额定值,自行计算电压比及误差,直接用数字显示,使电压比测量操作简便,快速准确。其面板、背板简图见图4-11。
1)使用前必须已知试件的联结组标号,分清线圈的高压侧和低压侧。
2)必须先检查仪器面板、背板、各元件须完好无损,无松脱现象或损坏痕迹,才可插上电源插头。
3)被测试变压器高压侧接背板线夹12的A、B、C端,低压侧接到线夹13的a、b、c端,按背板上标明的相序接好并由非接线人员检查无误。对于单相变压器可接在AB(AX)、ab(ax)上即可。相序选为AB,联结组标号为
/
。
4)合上电源开关6,开关上的灯亮,同时在状态显示屏1上显示“P”,表示显示状态是定值,数值显示屏2显示的是整定数值。
5)检查电压比定值开关是否选得恰当,若不恰当,可由各置数开关(按“+”或“-”按键)重新整定。其中电压比整定开关7由4个置数开关组成,可整定电压比的4位有效值;而开关8用来设定小数点位置,范围为0~3位,超过3位出错,按其“+”或“-”键,可使小数点向左或向右移动。整定时,显示屏自动显示置入的数值,举例如下:
例如,额定电压比是101.2,则开关7应是1012,开关8应是1。
又如,额定电压比是1012,则开关7应是1012,开关8应是0。
合上电源开关,显示屏上立即显示出P101.2或P1012。定值可随时进行修改,但不得在测量时修改。

图4-10 TSB系列高压试验变压器三台串级使用的原理接线图
1—次励磁绕组 2—二次升压绕组 2′—升压绕组200V抽头 3—仪表绕组 4—绝缘支架(50kV、100kV) 注:1)如用三台TSB(JZ)产品串级时,T1、T2的高压硅堆用短路棒短路,T3的硅堆换用300kV、0.1A级。 2)当串级后输出电压达不到3U时,可能是一、二次相位相反,可将T1或T2的一次励磁绕组两端接线对换。 3)T2、T3所用的绝缘支架必须牢固、清洁。各级之间连接线应尽量短,并注意与壳体的距离。

图4-11 测试仪面板、背板各部件分布及名称
a)面板 b)背板 1—状态字显示LED数码管 2—数值显示屏(由4位LED数码管组成) 3—测量起动按钮 4—显示误差按钮 5—复位按钮 6—电源开关 7—电压比额定值(铭牌值)整定开关 8—电压比额定值小数点位设置开关 9—相序选择开关(可选AB、BC、CA三组) 10—联结组标号选择开关(可选择
/
组、
/△组和△/
组三种) 11—电源插座 12—高压侧接线夹(三相分别用A、B、C标明) 13—低压侧接线夹(三相分别用a、b、c标明) 14、15、16—熔断器
6)检查并选择联结组标号,本仪器可选
/
、
/△和△/
三种,旋转开关即可。
7)相序选择:对于三相变压器的测量,可用相序选择开关9来选择,从左到右,顺时针旋转,分别选择AB、BC、CA相,以上联结组标号和相序的切换必须在显示状态字为“P”时进行。
8)检查被测试变压器高低压侧接线、联结组标号、定值、相序开关选择正确后,可按测量起动按钮3,起动测量,此时主继电器合闸,被测变压器带电,显示屏1的状态字显示一闪动的“y”,表示正在测量。闪光结束后,主继电器断开,被测变压器断电,显示屏显示实测的电压比值,状态字显示一稳定的“y”字,显示值为4位有效值。若状态字为“F”,则表示测量出错,立即手按复位按钮5,可返回初始状态。若再按测量起动按钮3,可重新开始测量。
9)误差值显示,若测量电压比显示正确,可按下误差计算按钮4,显示屏上显示出误差的百分值,状态显示字为“E”;若误差为负值,则状态字为“-”,经过2~3s后,自动恢复初始状态,显示额定值。若还需读误差值,可再重复上述过程。仪器设有极性判别电路,极性正确测试时闪动显示“y”,极性相反时闪动显示“-”。
10)切换相序或联结组标号时,可不必断开电源或降低电压,但必须严格遵守下述注意事项中的要求。
11)注意事项
① 被试件必须已知联结组标号,并分清高、低压侧。高压侧必须接到线夹12上,按相序接A、B、C端;低压侧接到线夹13上,也按相序接a、b、c端,不得接错。高压侧额定电压不得低于220V。
② 联结组标号选择开关和相序选择开关必须在测量前预置好,即在“P”状态时切换,严禁在无字符显示或闪动显示“y”时切换,若此时非切换不可,可先按复位按钮5,使之恢复“P”显示后或断开电源开关后,再切换。
③ 若发现显示不符合使用方法中的规定,或显示“F1111”时,应立即按复位按钮5恢复初态,若不能恢复初态,立即断开电源开关,然后对被试件和仪器本身及接线由非接线电气人员进行检查。
④ 各种联结组标号电压比的计算公式

式中 KL——线电压比值;
Kϕ——相电压比值;
U1——高压侧电压,单位为V;
U2——低压侧电压,单位为V。
单相试件可接AB、ab端即可。
⑤ 对于三相变压器,须短接的绕组,本仪器能根据联结组标号和相序的选择自动切换,无需查表。
⑥ 状态字符说明:
“P”——显示额定值
“y”——显示测量数值
“E”——显示误差数值
“-”——显示负误差数值
“F”——表示测量出错
“y”——闪光表示正在进行测量,严禁切换联结组标号选择开关和相序开关。
⑦ 误差
。
3.YM-942型继电保护校验仪的使用方法
YM-942型继电保护校验仪是一种综合性的校验用仪器,它集电压发生器、电流发生器、标准电压表、标准电流表、电秒表、调压器为一体,可以输出交直流电压、交直流电流对各种高电压变配电系统的继电保护装置进行校验(如各种电磁型、整流型、晶体管型、集成电路型继电器的动作电压、返回电压、动作电流、返回电流、重合闸充放电时间,以及动作、返回时间的测量和校验),还可以对电压、电流、时间等技术参数进行测量,是现场试验调整工作中不可缺少的综合仪器。
YM-942A型机面板排列及功能见图4-12a,后板排列及功能见图4-12b。

图4-12 YM-942A型继电保护校验仪
a)面板排列及功能 b)后板排列及功能 1—电压、电流表显示窗 2—电秒表、功能状态显示窗 3—电压、电流测量转换开关 4—电源开关 5—电流、电压调节器(上层为电压调节,下层为电流调节) I/U—动作电压、动作电流、返回电压、返回电流测量键 DT—断电延时动作时间测量键 IT/UT—通电延时动作时间测量键 DH—重合闸继电器充电启动键 BT—冲击试验键/重合闸信号启动键/软件标志 STOP—重合闸放电键 RES—返回键 MAN—人工信号键 J1、J2—继电器触点信号端 ∗—电压、电流输出公用端 DC300V—直流电压输出端 DC5A—直流电流输出端AC250V—交流电压输出端 AC20A—交流电流0~20A输出端AC100A—交流电流0~100A输出端 TW—重合闸信号起动端BH—重合闸放电端 BX2—电压
发生器熔管(1A) BX1—总电源熔管(7A) POWER—电源进线插座
YM-942B型机面板排列及功能见图4-13。
(1)测量档位选择开关 主要用于选择合适的测量范围和测量种类,以便进行高精度的测量。
选择开关排列位置如下:

图4-13 YM-942B型机面板排列及功能
a)面板 b)电源接线板 1—电压、电流表显示窗 2—电秒表、功能状态显示窗 3—电压、电流测量转换开关 4—电源开关 5—电流、电压调节器 6—UA、UB电压测量选择 I/U—动作电压、动作电流、返回电压、返回电流测量键 DT—断电延时动作时间测量键 IT/UT—通电延时动作时间测量键DH—重合闸继电器充电起动键 BT—冲击试验键/重合闸信号起动键/软件标志 STO—重合闸放电键 RES—返回键 MAN—人工信号键 ∗—电流公用端 150A—交流电流0~150A输出端 50A—交流电流0~50A输出端 Ua-、Ua+—直流a组电压输出 Ub-、Ub+—直流b组电压输出 U~、U~—交流电压输出 I-、I+—直流电流输出 TW—重合闸信号启动端 DH—重合闸放电端J1、J2—继电器触头信号端电源端子 BX1—总电流熔管(15A) BX2—VA熔管(1A) BX3—VB熔管(1A)POWER—电源进线插座

测量档位选择见表4-4。
表4-4 测量档位选择

直流电流测量时,可根据继电器工作电流的大小选择0.2A档或5A档。选择0.2A档测量时,显示器显示满刻度应为200mA;选择5A档测量时,显示器满度为20A。
交流电流测量时,可根据实际工作电流选择测量档。当工作电流小于20A时,应选用20A测量;工作电流大于20A时,可选用100A(150A)档测量。
直流电压测量时,可选择开关6的位置选定测量UA或UB,再选择DC300V键进行测量。
交流电压测量时,可直接按下AC250V键即可测量输出。
(2)普通型继电器的测定
1)常用型号:GL-11、GL-12、GL-13、GL-14、GL-15、GL-16型继电器;DL-10、DL-20C、DL-30系列电流型继电器;DY-100、DY-20C、DY-30系列电压型继电器。
2)DL型电流继电器测定接线见图4-14。
3)DY型电压继电器测定接线见图4-15。

图4-14 DL型电流继电器测定接线图

图4-15 DY型电压继电器测定接线图
4)动作电压UDZ、电流IDZ的测量
① 按图4-14、图4-15所示接好线且经非接线人员检查无误后,将图4-12或图4-13中电流、电压调节器5逆时针旋转至零点,打开电源开关,此时状态显示窗显示为942.A或942.B。
② 选择好测量转换开关3至相应的量程。
③ 按下I/U键接通输出电源,此时状态显示为常开[OFF]。
④ 缓慢调整电流、电压调节器5,此时电表显示为继电器上所加的电流值或电压值,如果校验电压型,可调节5外旋钮,按图4-15接线。
⑤ 调至接近动作电压或电流时,应减缓调节速度,至动作信号产生。
⑥ 继电器产生动作时,蜂鸣器发出0.5s报警信号以提醒操作,此时状态显示为闭合(ON),电表显示窗显示的数值为动作电压值或电流值并锁定。如需解除锁定状态可单次按一下I/U键即解锁。
5)返回电压UFH、电流IFH的测量
① 继电器的动作电压、电流测量完成后,再次按压I/U键释放数据将调节器5逆时针缓慢旋转,降低所施加的电压或电流。
② 继电器产生动作时,蜂鸣器发生0.5s报警信号以提醒操作,此时状态显示为断开状态(OFF)。
③ 届时电表显示窗显示的数值为返回电压值或电流值并锁定。
④ 测量完毕后按下RES键,切断输出电源,返回到初始状态。
6)冲击试验:过电流冲击试验是保证继电器在过载的情况下能可靠地动作,冲击电流为继电器额定电流的3~5倍。
① 按(2)中4)动作电压UDZ、电流IDZ中的①~④步骤进行。
② 调节调节器5,使电表显示电流为继电器额定电流的3~5倍。
③ 按下RES键,返回至初始状态。
④ 按下BT键即接通电源输出电流,松开BT键即切断电源。
7)动作时间的测量
① 接线同动作电压或电流的测量,按4)的①~③步骤操作。
② 缓慢调节调节器5至额定电压值或电流值,按下RES键,返回至初始状态。
③ 按下IT/UT键接通输出电源,微机开始计时,并在状态显示窗口显示时间。
④ 当继电器产生动作时,蜂鸣器发出0.5s报警信号以提醒操作,此时状态窗显示为动作时间。
8)返回时间的测量
① 在动作电压测量状态I/U调至额定电压或电流按下RES键返回到初始状态,按下DT键,微机开始计时,并在状态显示窗口显示计时时间。
② 继电器产生动作时,蜂鸣器发生0.5s报警信号以提醒操作,届时状态窗显示为返回时间。
(3)GL型继电器的测定 GL型电流继电器测定接线如图4-16所示。

图4-16 GL型电流继电器测定接线图
1)始动电流、动作电流测定:
① 按下I/U键,缓慢调节电流、电压调节器5,铝盘刚启动时,电表所显示的电流值为始动电流。
② 缓慢调节电流、电压调节器5,当铝盘产生位移并使螺杆与齿啮合时,电表的显示的电流值为动作电流。动作电流有时也称啮合电流。
2)动作时间测定:
① 与上述测定方法相同,将电流调整到动作电流,按下RES键返回。
② 按下IT/UT键,接通输出电流,微机开始计时,并在状态显示窗口显示时间。
③ 继电器产生动作时,蜂鸣器发出0.5s报警,此时状态窗显示的时间为动作时间,并自动切断输出电流。
④ 2倍、5倍、10倍电流动作时间的测定,可先用BT键调定电流强度,再按IT/UT键进行测定和调整。
⑤ BT键调整电流强度的方法,先将5调节到一较小角度,按下BT键,观察电流强度如不足,可松开BT键重新调节BT键观察,以达到要求的电流强度即可。
3)合理地选择电流档:GL型继电器的内阻较一般电流继电器大的多的情况,故提高了功率输出,如果在做冲击试验时,发生输出电流不足时,可将接线接至∗端和20A端子上,对B型机应接至∗端和50A端子上以提高功率输出,这样B型机可满足GL型继电器120A的冲击电流,A型机可满足60A的冲击电流,但注意此时通电时间一般不得超过30s。
4.KJTC-Ⅲ(B)型开关机械特性测试仪的使用方法
KJT开关机械特性测试仪,主要用来对各种高压开关的机械特性参数进行测量和调整,可用于各种电压等级的SF6断路器、多油断路器、少油断路器、真空断路器等高压开关合分闸时的参数进行测试。
(1)测试功能
1)合(分)闸先后顺序:同时测1~6个断口(ms)。
2)合(分)闸时间(min)。
3)动触头行程:测1个断口(传感器安装断口)(mm)。
4)动触头超行程:测1个断口(传感器安装断口)(mm)。
5)合(分)闸不同期:同时测1~6个断口(ms)。
6)合(分)闸弹跳时间:同时测1~6个断口(ms)。
7)刚合(刚分)闸速度:测1个断口(传感器安装断口)(m/s)。
8)合(分)闸最大速度:测1个断口(传感器安装断口)(m/s)。
9)合(分)闸平均速度:测1个断口(传感器安装断口)(m/s)。
10)主副触头配合时间:同时测1~6个断口(ms)。
11)自动重合闸无电流间歇时间:同时测1~6个断口(ms)。
12)合分时间(金属短接时间):同时测1~6个断口(ms)。
(2)主机面板简介
1)塑料机壳双面板型:前面板见图4-17a,后面板见图4-17b,左侧面板见图4-17c。

图4-17 KJTC-Ⅲ型开关机械特性测试仪
a)前面板配置图 b)后面板配置图 c)左侧面板配置图 1—合闸操作参数显示指示灯 2—分闸操作参数显示指示灯 3—重合闸操作参数显示指示灯 4—测试参数数码显示窗 5—电源指示灯 6—不同期显示指示灯(与合分闸顺序共用) 7—分/合闸时间显示指示灯 8—弹跳时间显示指示灯 9—动触头行程显示指示灯 10—接触行程(超程)显示指示灯 11—刚合(刚分)速度显示指示灯 12—最大速度显示指示灯 13—平均速度显示指示灯 14—主副触头配合时间显示指示灯 15—金属短接时间显示指示灯 16—无流(分-合)时间显示指示灯 17—测试数据打印输出键 18—断口电流波形打印输出键 19—A断口动触头行程特性曲线打印输出键 20—测试数据数码显示选择键 21—数据清除键(复位键) 22—打印机 23—传感器接口 24—断口信号接线柱(A~F) 25—合/分闸操作信号接线柱 26—电源接口 27—熔丝 28—电源开关 29—操动电源输入接线柱(A、B型机) 30—合/分闸操作选择开关 31—操作键
2)铝合金壳单面板型见图4-18。
3)传感器见图4-19。
(3)测量线的连接与传感器的安装
1)断口线的连接:该仪器同时可测6个断口,仪器A断口具有测量行程、超行程和合分闸速度的功能,安装传感器的断口连线必须接到A断口上。

图4-18 铝合金壳单面板型面板配置图
1—合闸操作参数显示指示灯 2—分闸操作参数显示指示灯 3—重合闸操作参数显示指示灯 4—测试参数数码显示窗 5—电源指示灯 6—测试参数显示指示灯(与图4-17a前面板6~16功能相同) 7—测试数据打印输出键 8—断口电流波形打印输出键 9—A断口动触头行程特性曲线打印输出键 10—测试数据数码显示选择键 11—数据清除键(复位键) 12—打印机 13—传感器接口 14—断口信号接线柱(A~F) 15—合/分闸操作信号接线柱 16—电源接口 17—熔丝 18—电源开关 19—操动电源输入接线柱(A、B型机) 20—合/分闸操作选择开关 21—操作键

图4-19 传感器
1—传感器滑标 2—传感器主体
2)连线方法:仪器断口连线一般用低阻铜导线。接线方法有以下几种:
① 单断口六线制。将A、B、C三相每组两根线分别接在仪器后面板断口信号输入对应的接线柱上。
② 双断口九线制。将A相两个静触头线接在仪器断口信号红接线柱A、B上,将动触头线接在黑接线柱上,依此类推,B相两静触头线接仪器红色接线柱C、D上,C相两静触头线接仪器红色接线柱E、F上,见图4-20。

图4-20 双断口九线制接法
③ 单断口四线制。将A、B、C三相断口的同一端用导线短接,并将此短接线接到断口信号接线柱任一黑接线柱上,其余3根线接在对应的红色接线柱上,见图4-21。
④ 双断口七线制。接线同②,只需将三相的动触头线短接后,接在断口信号的黑接线柱上。
⑤ 测试有辅助触头的开关接线方法同①、③接线。

图4-21 单断口四线制接法
(4)合分闸信号线的连接
1)使用外接操动机构操动开关时,做合闸操作试验时,将合闸线圈与仪器合闸信号接线柱连接;做分闸操作试验时,将分闸线圈与仪器分闸信号柱连接,但不可同时接线。使用电磁操动机构时,合闸线圈接线必须接到接触器线圈上,切勿连到大电流线圈上,以免烧毁仪器。
2)使用仪器操动机构操动开关时,应将高压开关合/分闸线圈“正”端对应接入仪器合/分闸红接线柱(“正”端)上,黑接线柱不需接线,再将开关操动电源(直流300V)引线接在仪器对应的输入接线柱上,按动仪器操作键,进行操作。如接线均正确,但开关不动作,可采用1)接线方法,检查仪器显示是否正常,如仪器一切正常,即可检查操动机构熔断器和合分功能开关。上述接线应注意以下几点:
① 输入100~300V红接线柱与合分闸线圈红接线柱保持同名端。
② 使用仪器操动机构时,将开关负电源与合分闸线圈公共端连通。
③ 仪器操动机构电流不可大于10A。
④ 如开关操动电源是交流,生产厂备有交直流两用操动机构。
(5)重合闸操作接线 开关作重合闸操作试验时,均需另配重合闸操作箱,把共用端与合分闸信号的黑色接线柱并接。
(6)传感器的安装 见图4-22,不测行程和速度时可不接传感器。
1)传感器安装方法:
① 传感器壳体固定在开关本体上,使其导向孔与开关动触头运动方向保持一致,且同心。
② 滑标穿过传感器壳体导向孔,借助尼龙连接件与动触头连接并保证与动触头做1∶1的相对同相运动,除滑标与动触头绝缘外,连接杆应套绝缘管。
③ 传感器信号线插头可靠地插入仪器后面板上传感器插头座内。
④ 传感器与导向孔应保持同心,滑标应分别露在壳体两端面外,支架应固定牢固,传感器壳体与支架应保持绝缘。

图4-22 传感器的安装
2)真空开关传感器安装要求:真空开关的开距小,传感器滑标和开关动触头严格同步运动是确保测量结果精确度的关键,因此对连接开关动触头和传感器滑标的卡具安装要求很严格,必须做到以下几点:
① 滑标轴线和开关动触头运动轴线的平行度小于0.03。
② 卡具自身水平抖动小于0.03。
一些不适合安装连接卡具的真空开关,也可采用胶粘、钻固定孔等办法,把传感器滑标和开关动触头连接起来。
(7)操作方法 接线完成后需经非接线人员检查一次,无误后即可操作被测开关一次分(合)动作,便可得到分(合)闸全部数据,并能打印所需的全部数据及断口电流波形和动触头运动曲线,操作简便而宜操作,非常适宜现场测试。
5.局部放电检测仪的使用
局部放电检测仪,可对电气设备的局部放电量进行测量,以判定电气设备的绝缘状况。JF-2001型局部放电检测仪,抗干扰能力强,使用方法简便,是一种国内先进的局部放电检测仪器,系统工作原理见图4-23。

图4-23 JF-2001型干扰判别式局部放电仪原理框图
试品Cx在试验电压下产生局部放电时,经耦合电容Ck产生脉冲电流,由输入单元取得脉冲信号,经低噪声前置放大器放大、滤波放大器选择所需频带及主放大器放大,达到所需幅值与产生零标志脉冲后,在示波屏的椭圆扫描基线上产生可见的放电脉冲,同时也送至脉冲峰值。时间窗单元控制试验电压每一周期内脉冲峰值表的工作相位区间;并在这段相位区间内将示波屏的相应显示区加亮。它可以消除固定相位的干扰,这是常规的放电量测试方法。
工作方式置于干扰“判别”位置时,脉冲峰值表的输出送至干扰判别逻辑电路与供用户调定的阈电平(设置的PC门槛电平值)比较,如此阈电平高且能持续四个试验周期,则产生一脉冲使“有效”指示灯亮,可借此消除偶发的外干扰。同时,将超过阈电平的脉冲送入放电重复率测量电路,由数字电表指示放电量超过预设PC门槛电平的放电重复率n。
JZF型校正脉冲发生器注入试器Cx为已知电量时,调节PC设定装置及放大器放细调旋钮使数字表显示PC数(包括小数点)与注入电量一致,就可以在加电压试验时直接在数字电压表上读出被测放电量,无须任何计算,十分方便。
试验电压表经电容式输入单元产生试验电压过零标志信号,可在示波屏上显示零标志脉冲,试验电压大小可由数字电压表指示。
脉冲峰值表与试验电压表的输出可分别接至X-Y记录仪以供作Q-U与Q-t曲线。
6.HYBL型氧化锌避雷器测试仪的使用
氧化锌避雷器测试仪可在现场或实验室内对氧化锌避雷器的各项参数进行测试。HYBL型氧化锌避雷器测试仪,具有抗干扰能力强、测量准确可靠、智能化操作等优点,使用非常方便。其面板布置见图4-24。
(1)现场带电测试 现场带电检测应按图4-25所示方式接线。开机前将仪器的地线与现场地线接好,电压互感器的二次信号接仪器的“电压信号输入”端子,由避雷器计数器两端取出的信号接仪器的“电流信号输入”端子。仪器可精确测量计数器本身的电阻值,因此不必担心由于计数器的分流作用使得测量产生误差。合上电源开关,即可测得数值。
(2)实验室离线测试 实验室离线检测,则按图4-26所示方式接线。开机前首先将仪器接地端与实验室地线连接,然后将高压试验变压器的测量端引入仪器的“电压信号输入”端子,避雷器经“电流信号输入”端接地,合上电源开关,即可测得数值。

图4-24 仪器面板示意图
1—安全接地端 2—电压信号输入端 3—大屏幕液晶显示器 4—电流信号输入端 5—电源插座 6—微型打印机 7—电源开关 8—触摸键盘区

图4-25 在线检测接线图

图4-26 离线检测接线图
7.DWR-Ⅲ型接地网接地电阻测试仪的使用及注意事项
DWR-Ⅲ型接地电阻测试仪,是可测变电站地网、水电厂、火电厂、微波站、避雷针接地电阻的多用机型。该仪器采用了新型异频交流电源,并采用了微处理机控制和信号处理等措施,很好地解决了测试过程中的抗干扰问题。同时简化了试验操作过程,提高了测试结果的精度和准确性。
DWR-Ⅲ型接地电阻测试仪要求:
测量电流线:长度为地网对角线长度的4~5倍;线径≥1.5mm。
测量电压线:长度为0.618L(L为电线长度);线径≥0.8mm。
该表使用时需用220V交流电源,因此在没有电源的地方使用受到了限制。如需使用,需配置逆变电源。
(1)测试操作及步骤 测试接线见图4-27。

图4-27 测试接线
1)检查用于试验的电流线、电压线和地网线是否有断路现象,地桩上的铁锈是否清除干净,其埋进深度是否合适(>0.5m),同时检查测试线与地桩的连接是否可靠。
2)电流测试线与电压测试线的长度比为1∶0.618,电流测试的长度应是地网对角线的4~5倍。
3)电流测试线和电压测试线按规定的长度将一端与仪器相接后平行放出。另一端分别接在两支地桩上。
4)将已放好的测试线再检查测量一遍,确认完好再进行测试。
5)检查连线无误后,方可给仪器接通AC220V/50Hz电源。
6)按测量键,开始测量,这时液晶屏显示“正在测试,请等待”。
7)仪器显示测试结果后,记录测试数据。
8)关掉仪器电源,拆除连线,测试过程结果。
(2)测试过程仪器自诊断说明
1)仪器显示“回路电阻偏大”,则说明“电流线”连线与“电流极”地桩接触不良或地桩太少,需要增加地桩,减少电阻。地桩深度不少于0.5m。
2)仪表显示“接地线”,说明与地网接地点接触不良,应除铁锈。
3)仪器显示“超过量程”,即为地网电阻大于15Ω。
4)仪器显示“接线错误”,即为“电流极”线未接上。
5)若仪器显示的测量值极低(<0.01Ω),则可能是电压线未连上。
(3)注意事项
1)测试前请先用万用表检查测试导线与地桩的接触点是否完好,并测量已放好的线是否有断路现象。
2)地网极测试线连接不同位置的地桩时,所测的地网阻值会产生变化,此时应将所测的电阻值减去测试线增加部分的电阻值,即为实际阻值。

图4-28 试验接线图
8.ZGF和GFC型直流高压发生器的使用及注意事项
直流高压发生器是对电气设备进行直流耐压试验和直流泄漏电流测量时必需的测试设备。它将工频交流电压变为电压值可调的直流负高压,以供试验时使用,代替旧式的静电高压发生器。
(1)使用前的准备和检查 按图4-28示意连接好该仪器和被试品,用户必要时可在高压箱的输出端串入自控微安表,具体连接方法见图4-29。

图4-29 仪器结构图示说明
1—电源开关 2—电压调节旋钮 3—过电压指示灯 4—过电流指示灯 5—击穿指示灯 6—工作指示灯 7—高压开关 8—电压指示换档开关 9—电流指示换档开关 10—电流表短路开关 11—接地端子 12—过电压预置调节旋钮 13—电流表 14—电压表 15—直流熔丝座 16—交流熔丝座 17—电源输入插座 18—电源电缆 19—高压输出插座 20—高低压箱连接电缆 21—高压箱 22—高压侧电流表(微安表) 23—微安表插头开关及测试线 24—轴流风扇 25—出厂铭牌
开机前应确认控制箱的地线是否牢靠接地,高压箱距操作者和周围可传导设备的距离是否达到安全距离的要求。
(2)操作程序
1)开机前,先检查“电压调节”旋钮是否归在零位,然后开启“电源开关”,此时工作灯亮,之后再开启“高压开关”,缓慢调节升压旋钮,一般在归零位置后右旋1圈左右即有电压输出,即可将输出电压升至所需值,升压过程中可监视电压表和电流表读数,根据情况可随时换档,读取电压值和电流值,待试验结束后将“电压调节”旋钮归零,然后依次关掉“高压开关”和“电源开关”,放电后拆除高压引线进行下一次试验。
2)“过电压预置”的操作方法:先按图4-29连接好系统,但必须将图4-29中Rx取掉后,按1)项进行操作,当电压升至所需保护值时,用螺钉旋具缓慢左旋过电压预置电位器,使其产生光电报警,然后关掉“高压开关”和“电源开关”,并将“电压调节”旋钮归零,之后再重新按1)项进行升压操作,确认是否在保护电压下动作。确认后,再将试品Rx接入,按1)项对试品进行正常的耐压或泄漏试验。一般条件下要高于试品实际的试验电压,防止试验时保护动作而影响试品的正常试验。
(3)注意事项
1)绝不允许仪器开启“电源开关”后,在有声光报警的情况下,开启“高压开关”。
2)启动时,在“电压调节”旋钮归零后,先按“电源开关”,正常后再按“高压开关”。
3)遵守电工高压作业安全技术规程。
9.SB2204型智能介质损耗测试仪及使用和注意事项
智能介质损耗测试仪能够自动测量绝缘体的介质损耗和电容值,并且能够以数字的形式自动显示测量结果。用于在工频高压下测量各种变压器、互感器、电容器、电力电缆、绝缘套管、高压设备及各种绝缘材料的介质损耗和电容值。可以测量两个电极与地绝缘的试品,也可测量一极接地的试品。操作简单、使用方便、读数直观、不需换算和抗干扰能力强等。仪器的前面板和后面板见图4-30。
高压导电插孔1用于选择所需要的输出电压。将导电杆插入相应的插孔内,即可得到所需的输出电压。
tanδ值显示窗2以四位LED显示tanδ测量值的百分数。
电容量显示窗3以六位LED显示电容测量值。其中,前四位显示电容测量值,后两位为电容量的单位。

图4-30 SB2204型智能介质损耗测试仪
a)面板配置 b)后板配置 1—高压导电插孔 2—tanδ值显示窗 3—电容量显示窗 4—熔丝 5—电压倍率开关 6—启动按钮 7—接地端子 8—被试电流输入端 9—电压输入端 10—标准电流输入端 11—蜂鸣器 12—电源输入插座 13—电源开关 14—工作方式选择开关
电压倍率开关5用于控制高压输出和改变输出电压的倍率:
当开关置于“关”时,仪器无高压输出;
当开关置于“开”时,仪器有高压输出;
当开关置于“×0.5”时,输出电压为高压导电杆插孔相应指示值×0.5;
当开关置于“×0.75”时,输出电压为高压导电杆插孔相应指示值×0.75;
当开关置于“×1”时,输出电压为高压导电杆插孔相应指示值×1。
启动按钮6为测量控制按钮,按下该按钮,开始测量;弹起该钮,停止测量。
接地端子7为接地用,仪器使用前,应将该端子可靠接地。
被试电流输入端8为被试品的电流输入端,被试品的一端用专用电缆接到该端子,另一端接到电压输出端。
电压输入端9为升压装置的高压输出端,使用时应根据不同的接线方式与被试品的不同部位进行连接。
标准电流输入端10当使用外接标准电容器进行测量时,将测量电缆的一端接标准电容,另一端接入此端。
蜂鸣器11为提示和告警用。
电源开关13是负责控制电路和显示电路的通断,按下为开,弹起为关。
工作方式开关14是根据不同的测量对象和测量需要,用以选择不同的测量方式。
(1)正接线法
1)先将仪器的接地端子7可靠接地,然后将电压倍率开关5置于“关”的位置,拔出高压导电杆。再将“UH”端子9用专用测试电缆接至被试品高压端;“Ix”端子8用专用测试电缆接到被试品的低压端,电缆的芯线接被试品,屏蔽“E”必须接地。被试品低压端如有屏蔽端子,必须将该端子“E”连接后再可靠接地,见图4-31。
2)将工作方式开关14置于“正接”位置,将高压导电杆插入相应电压的插孔内,电压倍率开关置于所需位置,按下电源开关13,仪器的显示窗口全部显示“8”后,在tanδ显示窗显示“SC”,表示仪器进入自检状态。自检通过后,在电容显示窗首先显示“Good”,继而显示“SB2204”。
3)按下启动按钮6,仪器进入测量状态,蜂鸣器发出短信号,提示高压将产生,仪器进入倒计时,显示窗口依次显示“3”、“2”、“1”。倒计时结束,蜂鸣器11发出长信号,显示窗口显示闪烁的“ON”字样,表示高压已经加到被试品。30s后,“ON”字样消失,然后,蜂鸣器提示测量结束。仪器分别在tanδ显示窗口2和电容显示窗口3显示测量结果,同时高压自动下降,测量结束。最后断开启动按钮,将电压倍率开关置于“关”的位置,拔出高压导电杆,准备下次测量。

图4-31 正接线法
4)当仪器显示“UnLo”时,则表示标准侧轻载;仪器如显示“UnHi”,则表示标准侧过载。如显示“UoLo”,则表示被试侧轻载;显示“UoHo”,则表示被试侧过载。如显示“SC-Error”,则提示仪器自检未通过,表示仪器内部发生故障。
在测量状态下,如需退出测量,可按下启动按钮6,即退出测量。
(2)反接线法
1)同样须将仪器的接地端子可靠接地。然后将电压倍率开关置于“关”的位置,拔出高压导电杆。再将“UH”端子用专用测试电缆接地;“Ix”端子用专用测试电缆接到被试品的高压端,电缆的芯线接被试品,屏蔽“E”悬空或接到被试品高压端的屏蔽,被试品低压端接地,见图4-32。
2)将工作方式开关置于“反接”位置,将高压导电杆插入相应电压的插孔内,电压倍率开关置于所需位置,按下电源开关13仪器的显示窗口全部显示‘8’后,在tanδ显示窗显示“SC”,表示仪器进入自检状态。自检通过后,在电容显示窗首先显示“Good”,继而显示“SB2204”。
3)按下启动按钮,仪器进入测量状态,蜂鸣器发出短信号,提示高压即将产生,仪器进入倒计时,显示窗口依次显示“3”、“2”、“1”。倒计时结束,蜂鸣器发出长信号,显示窗口显示闪烁的“ON”字样,表示高压已经加到被试品。30s后,“ON”字样消失,然后蜂鸣器提示测量结束。仪器分别在tanδ显示窗口和电容显示窗口显示测量结果,同时高压自动下降,测量结束。然后断开启动按钮,将电压倍率开关置于“关”的位置,拔出高压导电杆,准备下次测量。

图4-32 反接线法
(3)外接高压法 被试品的电容量较大时,仪器内升压装置的输出电流和输出能力不能满足测量需要时,可外接一台容量较大的升压装置以产生高压进行测量,使用外接高压法进行测量时必须将高压导电杆拔出。
1)将工作方式开关置于“外接”,电压倍率开关置于“关”的位置,按下仪器的电源开关接通电源,仪器自检后显示“SB2204”,此时,将外接高压发生器升压至测试所需电压,按下启动按钮,仪器开始测量。当测量过程中显示屏显示“HU-OFF”时,将外接高压发生器产生的高压降为0V,然后等待仪器继续进行测量。测量结束,显示屏显示测量结果。
2)使用外接高压法进行测量时,其“正接线法”和“反接线法”的接线图见图4-33a、b。
3)使用外接标准电容进行测量时,可将外接标准电容的一端接到IN端子上,另一端接到UH端子上。

图4-33 外接高压法
a)正接线法 b)反接线法
(4)注意事项
1)使用前,应将仪器的接地端子可靠接地,以确保测量的准确和测量人员的安全。
2)仪器在测量时,严禁操作除“启动按钮”外的其他任何开关、按钮,更不得移动高压导电杆。高压导电杆使用时必须插到底。拔、插高压导电杆时,必须将电压倍率开关置于“关”的位置。
3)必须使用仪器所附专用测量电缆进行测量,以确保测量准确度。
4)遵守安全操作规程,当仪器使用完毕,首先切断电源,将“倍率开关”置于“关”的位置,用放电棒将被试品充分放电,然后拔出导电杆,拆去连接仪器和被试品的导线,再拆除仪器设备的接地,最后将仪器放入箱内。
10.GZ-8型智能高压绝缘电阻表及使用
GZ-8型智能高压绝缘电阻表,可用于现场调试和运行维护时测量高压电气设备的绝缘电阻、吸收比和极化系数,适用电力变压器、电动机和发电机、高压开关、避雷器、高压电缆等设备,体积小、携带方便、操作简单、显示直观稳定、数据准确度高。
技术指标
测试电源:额定电压2500~5000V,±5%
测量范围:4~200000MΩ
测量准确度:量程5~50000MΩ时,±5%
量程50000~200000MΩ时,±10%
测量方式:连续测量 数据采样4次/s,示值更新1次/s,实时显示被测电阻值
吸收比 保持每15s的测量电阻值,保持时间7s;1min时高压自动消失,鸣叫8s后显示试品吸收比值
极化系数 保持每15s的测量电阻值,保持时间7s;10min时高压自动消失,鸣叫8s后显示试品极化系数值
显示方式:
位液晶显示被测电阻值、吸收比或极化系数,
位液晶显示分、秒
负荷能力:当高压测试电源LG端钮外接负荷下降至20MΩ时,测试电压变化率≤5%
短路保护:当试品电阻值≤4MΩ时,延时5s后直流测试高压自行消失,25~30s后自动关机
电压纹波:测试电压纹波含量≤5%
计时报时:开机测量瞬间开始计时并显示时间,每15s短促音响报时一次
测试能力:可以测量纯阻性和容性分量≤2.1μF的试品,仪表惯性网络延时≤4s
对单位电容的充电时间≤7.2s/μF
对单位电容的放电时间≤60s/μF
仪表端钮短路电流值≥2mA(5000V时)
绝缘:仪表本体与交流电源一次引线之间的绝缘电阻值≥50MΩ
耐压:仪表L端钮与E、G端钮之间耐受50Hz正弦波6kV/1min试验电压
供电方式:交流220(1±10%)V,≤50mA
直流12(1±10%)V,≤350mA
(1)使用时应将GZ-8型高压绝缘电阻表为水平放置,打开箱盖接好连线并接通电源即可。两显示屏置于仪表面板显要位置,左屏显示时间,右屏显示测量结果,显示值乘100为试品的绝缘电阻值。
(2)GZ-8型智能高压绝缘电阻表采用了低电位屏蔽结构方式,仪表测量电路输入端钮E接地;L端钮接试品,输出2.5kV或5kV负高压;测量电路地和测试高压正端接G端钮,用作试品表面漏电流屏蔽,电位等于接近于零的负低电位。现场测量时,由于测量线屏蔽层的电位低,即使外包屏蔽和塑套的测量线拖地,屏蔽层对地也不致达到放电或强烈泄漏的条件,避免G、E端钮间构成旁路,改变采样电路参数,影响示值准确度。
(3)仪表对试品有较高的充电能力,电压上升速度快,允许接线后开机,仍可保证吸收比和极化系数的读测准确度,并避免测试人员带电操作,确保人身安全。仪表有较强的抗反充电能力,允许先关机后拆线。
(4)使用时必须被测件断开电源并充分放电后测量,绝不允许在仪表工作时将L端钮与G端钮短接。
11.SB2230型直流数字电阻测试仪的使用及注意事项
SB2230型直流数字电阻测试仪是由CMOS大规模集成电路组成的
位便携式数字仪表,测量结果用5位LED显示,可用作为1μV~2V的电压测量,还可用来测试小型电机、变压器的绕组电阻等。SB2230电阻测试仪很方便。前后面板示意图见图4-34。
使用时,先将测量参数及其量程选定,然后调整量程并直接拨到测量位置。将表针插入测量孔内,测量电压则将表笔插入VⅠ、VⅡ孔,测量电阻则将表笔插入RⅠ、RⅡ孔,再将表笔触及测量位置即可从显示屏幕上读到被测数值。
使用时应注意以下几点:
1)接通电源预热60s即可进行测量。
2)仪器经过剧烈的环境条件变化或长期不使用,在首次使用时应通电3~4h,以便驱除潮气,保证正常使用。
3)测量过程中应一直注意量程范围。
4)测量电压须将两表笔并联在被测的两个点上或接线柱上。
5)测量电阻时至少应将被测元件的一端与原系统断开。
6)测量时必须先将被测件断电,并充分放电。
12.MD911-Ⅳ型电缆故障测试仪的使用
电缆故障测试仪,一般采用脉冲法、闪络法对各种型号电缆的开路故障、短路故障、低阻故障、泄漏性高阻故障、闪络性高阻故障进行测试。
(1)整机的操作流程 见图4-35。

图4-34 SB2230直流数字电阻测试仪
a)仪表面板 b)仪表后板 1—面板 2—外壳 3—量程开关 4—调零电位器 5—输入插孔 6—后面板 7—大功率晶体管 8—散热件 9—稳压器 10—电源插座(带0.5A熔丝) 11—接地柱 12—插座 13—电源开关

图4-35 操作流程框图
开机加电自动复位或RESET复位。
显示本机型号和生产单位,按任意功能键进入菜单选择。
进入速度选择菜单,根据不同介质按1~5数字任意键。工作种类开关的预置:脉冲测试法(凸)或闪络测试法(凹)。
油浸纸电缆按数字键1,显示屏出现X-Y坐标,在左上角显示油浸160m/μs。屏幕下面显示距离00000m,主机处于等待状态。
无功能键按下,返回到显示X-Y坐标;有功能键按下,转到相应键盘命令操作。
(2)主机面板上的键盘和开关旋钮 见图4-36。
面板设有16个功能键,属于双功能键一键多用。两个专用命令键,即复位键和采样准备键。两个按键式开关,一个管工作方式,另一个管输出脉冲宽度。还有电源开关、亮度旋钮、幅度旋钮、垂直位移旋钮及电源指示灯泡。
低压脉冲测试法主要用于测试电缆的全长、短路故障、开路故障、低阻故障、电波测速及电缆中间的接头。而对于高阻闪络性故障和高阻泄漏性故障采用闪络测试法。

图4-36 主机面板
13.双钳相位伏安表
双钳相位伏安表可以测量0~500V交流电压及0~10A的交流电流;而且可以在两电压之间(0~500V)、两电流之间(0.1~20A)的范围内,测量两电压、两电流间和电压与电流间的相位。ZD8066B型双钳相位伏安表还可测交流电压与电流有效值的频率。间接测量电路的功率因数和功率;用于二次电路、继电器控制线路及电能表线路的电器参数测量;可对三相相序、变压器联结组标号,以及感性、容性电路进行判别,是进行二次电路检查的常用仪表。
因为该表有两个钳形口,故称双钳,实际上该表是采用了先进数字电子技术及测量技术,将常用的钳形电流表、万用表及测量仪器结合在一体的便携式仪表,其基本工作条件见表4-5。
表4-5 双钳相位伏安表的基准工作条件与工作条件

(续)

(1)面板说明
1)液晶显示器:具有
位数字显示,最大示值1999(相位显示0°~360°),超量程时最高位显示“1”;B型表为双液晶,显示最大示值5999(频率)和1999。
2)两路电压、电流输入端在显示器的两侧上端,插口和接线柱分别标有I1、U1和I2、U2字符。
3)面板下边一排开关键,标注符号φ、U1、I1、U2、I2为功能键。按下U1(或U2)键时,测量输入端U1(或U2)电压值;按下I1(或I2)键时,电流输入插孔I1(或I2)通过连接线接测量钳,对线路中的电流进行在线测量。按下φ键时,测量输入端U2或I2对U1或IB的滞后角。下边一排中间3个键标注:电压、电流量程、量程开关键。按下U1或U2键时,表示电压量程。按下I1或I2键时,表示电流量程。电源开关键在右下角。
(2)测量相位 按下电源开关键接通电源。
由U1(或I1)和U2(或I2)输入两个信号,按下φ键,当两路电压信号从两路电压输入接线柱(U1与U2)输入时,按下U1、U2键,显示器示值为两路电压之间的相位。当两路电流信号从两路输入插孔(I1与I2)经卡钳输入时,按下I1、I2键,显示器示值为两路电流之间的相位。如从两路分别输入电压和电流(U1或I1与U2或I2)信号,按下相应的U1或I1与U2或I2功能键,则显示器示值为电压(或电流)和电流(或电压)之间的相位。不论在哪种情况下所测得的相位均为1路信号超前2路信号的相位。
(3)测量幅值 测量电压、电流的幅值时,只能从U1和I1一路输入端输入;ZD8066A-1、B、C型均可两路输入。
测量电流幅值,规定使用标有U1符号的卡钳。用电流专用线将测量钳与本仪器连接好,先将φ键弹起,按下功能键I1(或I2)选择适当的量程,测量钳通过连接线插入I1(或I2)插孔,由相应的输入端输入电流信号,显示器示值为被测电流幅值。在测量过程中,需更换量程时,务必先将测量钳从被测线路中移去,也可先按下φ键,紧接着更换量程键,然后再次按下I1(或I2)键进行测量。
电压幅值测量,按下功能键U1(或U2)选择适当量程,被测电压接输入端U1(或U2)即显示被测电压幅值。
(4)测量频率 功能分为两档20.00~59.99Hz/599.9Hz,通过开关更换档位。先选择好被测信号频率大约范围,当被测量端(电压或电流)加入被测信号后,被测信号的频率则在第二块液晶上直接显示出来。
(5)测量功率因数及功率 按以上方法测得线路UI及其相位φ后,再由cosφ得出该线路所对应的功率因数,线路有功功率由公式P=UIcosφ计算得出。如果线路由对称三相交流电路供电,则功率由P=3U相I相cosφ或
计算出相应有功功率。如该线路由不对称三相交流电路供电,则所测有功功率P应为三相有功功率之和即P=PA+PB+PC。
(6)判别感性电路、容性电路 按下φ键,将被测电路的电压信号从U1输入端输入,电流信号经卡钳从I2插孔输入,若测得相位小于90℃,则电路为感性;大于270°则电路为容性。如果电路信号经卡钳从I1输入,电压信号由U2输入端输入,即测得的相位大于270°时,则电路为感性,小于90°时电路为容性。
(7)测量三相电压相序 按下φ键,将电压UAB(或IAO)从U1(或I1插孔)端输入,UBC(或UBO)从U2端输入,测量其相位,如φ=120°时,为正相序;当φ=240°时,则为逆相序。
(8)检查变压器联结组标号 变压器一般采用Yy、Yd、YNd三种联结。当采用Yy联结时,UAB与Uab同相,其相位为0°或360°;当采用Yd或YNd联结时,Uab超前UAB30°。通过测量两电压间的相位,即可检查出变压器的联结组标号。
(9)分析三相二元件有功电能表接线 三相二元件有功电能表在安装时,由于电流和电压互感器的接入,7条入线以及考虑电流线圈的极性和三相电压的相序,其接线方法可组成48种,其中只有两种是正确的。用本表可不必拆开回路就能方便地直接读出相位关系,确定接线对否。实测方法是将电压信号引入U1输入端,电流信号引入I2电流插孔,测得UAB超前IA的相位为φ2,UCB超前IC的相位为φ1,如果|φ2-φ1|=300°,则接线正确。
(10)估算电能表运行的快慢 电能表在实际运行中有快有慢,用本表在现场不需拆线可实测电路中电压与电流的幅值和其间的相位。计算功率根据公式T=3600n/NP(N为电能表常数,n为设定转数,P为功率;T为理论时间),设定转数n由公式计算出,转过n的理论时间T用秒表测出,转过n转所用的实际时间为t,比较T与t,可知电能表运行的快慢。
(11)注意事项
1)电池的更换:当显示屏左上角显示字符“LOWBAT”时,表示电池电压不足,需更换电池。打开仪表后面板的电池盒盖即可更换。
2)卡钳的专用性:
① 每台仪器所配两把卡钳仅限本台仪表使用,不可将一台表的卡钳与另一台表卡钳调换使用。
② 进行相位测量时,应注意被测信号输入、输出的方向,电压信号从面板上红色接线柱一端输入,电流则应从卡钳带红“·”标志一侧输入。
③ 本仪表供二次电路和低压电路检测,不能用于测量高压(1kV以上)线路中的电流,以防通过卡钳触电。
3)仪表的保养:
① 测量前应通电预热3~5min,以保证测量精度,测量完后应关闭电源,以延长电池寿命。
② 仪表长期不用时,应在卡钳的钳口张合处涂仪表脂,以防生锈。
4)使用时必须遵守安全操作规程。
14.UT系列数字钳形表
UT系列数字钳形表采用数字电子技术,比传统钳形表(只能测量交流电压、电流)有绝大的优越性,该表可用于测量交直流电压、交流电流、电阻、二极管、电路通断、电容、频率/占空比或温度。
(1)仪表外形 见图4-37。
(2)显示符号内容 见表4-6。
UT系列钳形表的使用与普通钳形表的使用基本相同,表笔的插入与万用表基本相同。
(3)注意事项
1)使用前,必须检查仪表及表笔,谨防任何损坏或不正常的现象。发现任何异常情况,如表笔裸露、机壳破损、液晶显示器无显示等,不得进行使用。严禁使用没有后盖和后盖没有盖好的仪表,否则有电击危险。
2)若表笔破损必须更换,并换上同样型号或相同电气规格的表笔。
3)仪表正在测量时,不要接触裸露的电线、连接器、没有使用的输入端或正在测量的电路。
4)测量高于直流60V或交流30V以上的电压时,切记手指不要超过表笔挡手部分,防止触电。
5)不能确定被测量的大小范围时,将功能量程开关置于最大量程位置。切勿超过每个量程所规定的输入极限值。
6)不得测量高于允许输入值的电压或电流。
7)测量时功能开关必须置于正确的量程档位,在功能量程开关转换之前,必须断开表笔与被测电路的连接,严禁在量测进行中转换档位,以防损坏仪表。
8)进行在线电阻、电容、二极管或电路通断测量之前,必须首先将电路中所有电源关断并将所有电容器放电。
9)不要在高温、高湿、易燃、易爆和强磁场环境中存放、使用仪表。
10)不得随意改变仪表内部接线,以免损坏仪表和危及安全。
11)当LCD显示器显示“
”标志时,应及时更换电池,避免电解液外溢,以确保测量准确度。
12)遵守安全操作规程。
15.ZL6型自动LCR测量仪的使用
ZL6型自动LCR测量仪用于测量电感L、电容C、电阻R及其相关的量D、Q以及上述元件的阻抗值Z。它是一种微机控制的全自动阻抗测量电桥,具有测量参数多、量程广、精度高、速度快、易于操作等特点。其测量范围见表4-7。

图4-37 数字钳形表外形
1—交流电流钳头(用于检测交流电流) 2—钳口照明灯 3—功能量程开关(用于选择各种功能和量程) 4—按键开关(用于选择各种功能) 5—LCD显示器 6—V插孔(测量电压时的正极输入端,插入红表笔) 7—COM插孔(负极输入端,插入黑表笔) 8—分类插孔(测量电阻、二极管、电路通断、电容、温度或频率/占空比时的正极输入端,插入红表笔) 9—扳机(按下扳机,钳头张开,同时钳口照明灯自动点亮;松开扳机,钳头合拢,照明灯熄灭)
该仪器有四位LED显示、读数清晰,机内设有测试架,易于操作,对不易直接插入的阻抗元件,仪器另附有四端测试线。
该仪器以微处理机作为实时控制和数据处理,从而实现对无源元件的自动测量,操作简单,控制功能强。仪器具有自动判别阻抗元件性质的能力,对LCR元件实现全自动测量;任何元件插入测试架在正常情况下显示LCR或Z的值,按下副量按钮则显示D、Q值。在最大显示为9999的LED数码管上显示出测量结果,在显示屏上仪器自动显示被测量的单位及小数点。仪器自动消除引线及测试夹具的分布参数对测量结果的影响,仪器能实现二端、三端、四端、五端测量。
表4-6 显示符号

表4-7 测量范围

使用该仪器时,必须先得将设备及元件的电源断开并充分放电,方可进行测试。测试时必须遵守安全操作规程。