1
汽车传感器检测与维修快速人门60天
1.10.1.3 三、二氧化锆氧传感器
三、二氧化锆氧传感器

1.结构

二氧化锆式氧传感器的基本元件是二氧化锆陶瓷管(固体电解质),陶瓷体制成管状,因此也称锆管。锆管固定在带有安装螺纹的固定套中,锆管内外表面都覆盖着一层多孔性的透气铂膜作为电极,氧传感器安装在排气管上,其内表面与大气接触,外表面与废气接触,为了防止废气中的杂质腐蚀铂膜,在锆管外表面的铂膜上覆盖着一层多孔的氧化铝保护层,并加装了一个防护套管,套管上开有通气槽。这样既可以防止废气烧蚀电极,又可保证废气渗进保护层和电极接触。氧传感器的接线端有一个金属护套,其上开有一孔,用于锆管内表面与大气相通,导线将锆管内表面铂极经绝缘套从传感器引出。二氧化锆式氧传感器的结构如图8-2所示。

978-7-111-55520-9-Chapter08-2.jpg

图8-2 二氧化锆氧传感器的构造(单线)

2.工作原理

工作时,在高温废气冲刷下,氧气发生电离,由于锆管内侧氧离子浓度高,外侧氧离子浓度低,在氧浓差作用下,氧离子从大气侧向排气侧扩散,从而形成了氧浓度差电池,如图8-3所示。

978-7-111-55520-9-Chapter08-3.jpg

图8-3 二氧化锆式氧传感器工作原理

当混合气稀时,排气中含氧量高,锆管内外两侧浓度差小,产生的电动势小,大约为100mV。

当混合气浓时,排气中氧含氧量低,浓度差大,产生的电动势高,大约为900mV,电动势的高低以理论空燃比为界限发生突变,如图8-4所示。

978-7-111-55520-9-Chapter08-4.jpg

图8-4 氧传感器输出特性曲线

氧传感器的输出特性与排气温度有关,当排气温度低于300℃时,氧传感器的输出特性不稳定。发动机刚刚起动后,由于排气温度偏低,氧传感器不工作,发动机在开环状态下工作。只有排气温度升高后,氧传感器才工作。所以,氧传感器的安装位置应在排气温度较高处。有的车型上安装有排气温度传感器,当排气温度传感器的信号达到一定值后ECU才根据氧传感器的信号进行空燃比反馈修正——调整喷油量、控制混合气的浓度,即发动机开始进行闭环控制。

3.检测

以桑塔纳2000GSi为例,介绍二氧化锆氧传感器的检测。

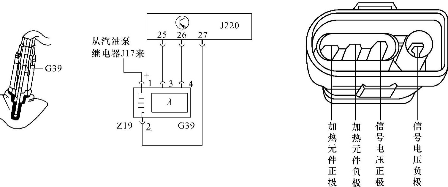
桑塔纳2000GSi使用二氧化锆氧传感器G39,其接线图和端子布置如图8-5所示,端子功能见表8-1。

978-7-111-55520-9-Chapter08-5.jpg

图8-5 二氧化锆氧传感器G39接线图和端子布置

表8-1 传感器端子功能说明

978-7-111-55520-9-Chapter08-6.jpg

当氧传感器或其连接线路出现故障时,可能会出现排放超标、回火、“放炮”、怠速熄火、发动机运转失准、油耗增大等故障,使发动机工况恶化。

(1)解码器检测氧传感器 氧传感器异常工作,都会在ECU中存储故障码。因此,通过专用或通用解码器,可以查出氧传感器的故障码00525:氧传感器(G39)无信号,或氧传感器(G39)对正极短路。读取数据流,如果氧传感器示数长时间停滞在一个数值不变或变化缓慢,说明氧传感器有故障。

(2)检测加热元件的电阻 在常温下,拔下氧传感器线束插头,用万用表电阻档测量插头1号端子与2号端子之间的电阻,在常温下阻值应为1~5Ω。若常温下阻值为无穷大,则说明加热元件断路,应更换氧传感器。

(3)检测加热元件的电源电压 检测加热元件的电压时,拔下氧传感器插头,起动发动机,检测插接器插座上的端子1与2之间的电压。电压值应不低于11V。如电压为零,说明熔断器断路或燃油泵电路触点接触不良,分别检修即可。

(4)检测传感器的信号电压 因为氧传感器正常的工作温度在300℃以上,没有达到正常工作温度,则传感器无信号输出。所以应在二氧化锆式氧传感器处于300℃以上工作状态时测量其输出电压。

万用表检测二氧化锆式氧传感器的信号电压的具体方法:让发动机转速在2500r/min运行约90s左右,插头与插座连接,将万用表连接到氧传感器3号端子与4号端子的导线上,当混合气体浓(即节气门全开)时,信号电压应为0.7~1.0V;当混合气体稀(拔下空气流量传感器至发动机之间的真空管)时,信号电压应为0.1~0.3V。否则说明氧传感器失效,应更换。

(5)示波器检测 用示波器检测氧传感器输出的信号波形,可以很直观地说明氧传感器是否良好。测试方法:起动发动机,让传感器预热到300℃以上,发动机处于闭环工作状态时。用探针连接到传感器插接器3号和4号信号端子上。从怠速开始增大转速,观察氧传感器输出信号波形,并与标准波形比较,判断传感器的好坏。氧传感器在怠速和2500r/min时的正常波形如图8-6所示。

978-7-111-55520-9-Chapter08-7.jpg

图8-6 正常氧传感器怠速和转速为2500r/min时的波形