1
汽车传感器检测与维修快速人门60天
1.6.8.2 基础知识
基础知识

一、作用

光敏式转角传感器用于检测转向盘的中间位置、转动方向、转动角度和转动速度,即转向轮的偏转方向和偏转角度,并将所检测的信号输入给电子控制悬架系统ECU,使电子悬架控制装置ECU根据转角传感器输入的信号和车速传感器输入的车速信号,判断汽车转向时侧向力的大小,对车身的侧倾进行控制。

二、安装位置

光敏式转角传感器一般安装在转向轴管上,如图4-107所示。

三、结构

光敏式转角传感器应用在汽车的电子控制悬架系统中,其结构如图4-108所示。转向圆盘(遮光盘)安装在转向轴上,圆盘的圆周上均匀地开有很多小槽,圆盘随着转向主轴的旋转而旋转。加在圆盘两侧的是两组光电元件(发光二极管和光敏晶体管),光敏元件套在转向柱管上。

978-7-111-55520-9-Chapter04-115.jpg

图4-107 光敏式转角传感器的安装位置

978-7-111-55520-9-Chapter04-116.jpg

图4-108 光敏式转角传感器的结构

四、工作原理

光敏式转角传感器的工作原理如图4-109所示。

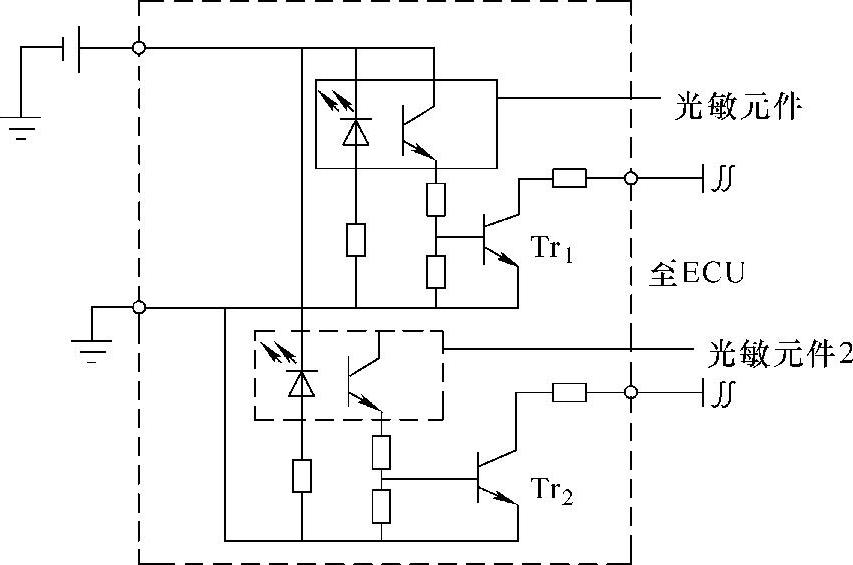
光敏式转角传感器的工作原理是利用带有槽的转向圆盘的转动,使圆盘一侧的发光二极管发出的光线透过圆盘的小槽或被圆盘挡住,从而使圆盘另一侧的光敏晶体管导通与截止,进而使电路导通与截止,产生ON或OFF电压信号。转角传感器根据光敏晶体管的导通、截止速度,检测出转向器的速度,根据检测到的脉冲信号的相位差来判断转向盘的转动方向。光敏式转角传感器的电路如图4-110所示。

978-7-111-55520-9-Chapter04-117.jpg

图4-109 光敏式转角传感器的工作原理图

978-7-111-55520-9-Chapter04-118.jpg

图4-110 光敏式转角传感器的电路图

由图4-111可知,光敏晶体管在遮光盘的作用下,或者导通,产生ON信号,或者截止,产生OFF信号,根据光敏晶体管的导通、截止速度,则可以检测出转向器的速度。在设计时使两个光敏耦合元件(晶体管Tr1和Tr2)之间的导通与截止的相位差定位在90°,根据先导通的脉冲信号(波形下降)可以检测出转向器的旋转方向。如当汽车直线行驶时,信号A处于OFF状态(高电位)的中间位置。转向时,根据信号A下降沿处于信号B的状态,即可判断出转向的方向。信号A由OFF状态变为ON状态(低电位)时,如果信号B为ON状态,则为左转向;如果信号B为OFF状态,则为右转向,如图4-111所示。

978-7-111-55520-9-Chapter04-119.jpg

图4-111 光敏耦合元件输出端的动作状态