1
汽车传感器检测与维修快速人门60天
1.4.6.2 基础知识
基础知识

一、作用

排气温度传感器用以检测转化器内的排气温度,当排气温度过高时,此传感器将这种过高的温度信号以电信号的形式输入ECU,ECU经过分析处理后启动异常高温报警系统,使排气温度报警灯点亮,从而向驾驶人员发出报警信号。

二、安装位置

排气温度传感器安装在汽车排气装置的三元催化转化器上,如图2-23所示。

978-7-111-55520-9-Chapter02-25.jpg

图2-23 排气温度传感器的安装位置

三、结构

汽车用排气温度传感器常见的是热敏电阻式,其结构如图2-24所示。

978-7-111-55520-9-Chapter02-26.jpg

图2-24 热敏电阻式排气温度传感器结构

四、工作原理

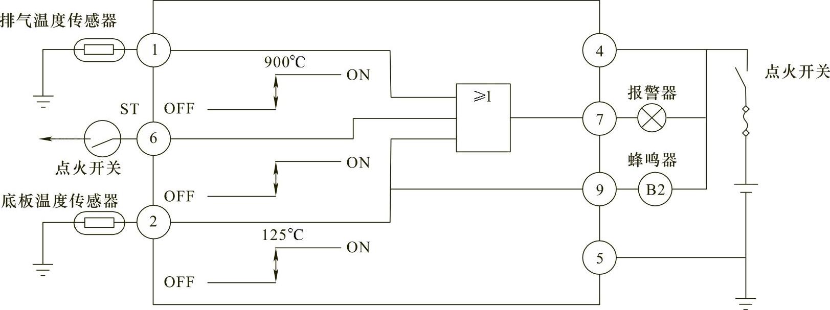
排气温度报警系统电路如图2-25所示。

978-7-111-55520-9-Chapter02-27.jpg

图2-25 排气温度报警系统的电路

从图2-25中可知,起动发动机时,报警灯亮,这是制造厂为检查排气温度报警灯的灯丝是否良好而设置的功能。

在车辆行驶过程中,如果排气温度过高(超过900℃)时,则排气温度传感器的电阻值降到0.43kΩ以下,此时排气温度报警灯点亮;当车箱底板温度超过125℃时,底板温度传感器的电阻超过2kΩ,这时在排气温度报警灯点亮的同时蜂鸣器也发出响声;当排气温度在900℃以下,底板温度也低于125℃时,排气温度传感器的电阻值大于0.43kΩ,底板温度传感器的电阻低于2kΩ,这时排气温度报警灯不亮,蜂鸣器也无声响。