1
建筑施工技术
1.10.2.3.3 二、构件吊装工艺
二、构件吊装工艺

多层装配式框架结构的结构形式有梁板式结构和无梁楼盖结构两类。梁板式结构是由柱、主梁、次梁、楼板组成。

多层装配式框架结构柱一般为方形或矩形截面。

(一)柱的吊装

1.绑扎

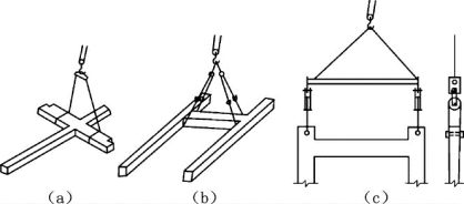
普通单根柱(长10m以内)采用一点绑扎直吊法。“十”字形柱绑扎时,要使柱起吊后保持垂直,如图7.41(a)所示。这种柱两边悬臂是对称的,绑扎时要用等长的吊索分别绑扎在距柱中心相等距离的悬臂上,且绑扎点距中心的距离不大于悬臂长的一半。T形柱的绑扎方法与“十”字形柱基本相同。H形构件绑扎方法如图7.41(b)所示,用两根吊索兜住框架横梁,上面各用通过单门滑轮的长吊索相连。起吊后,由于长吊索能在滑轮上串动,故可保持框架竖直后与地面垂直。H形构件也可用铁扁担和钢销进行绑扎起吊,如图7.41(c)所示。

图7.41 框架柱起吊时绑扎方法

2.起吊

柱的起吊方法与单层工业厂房柱吊装相同,一般采用旋转法。

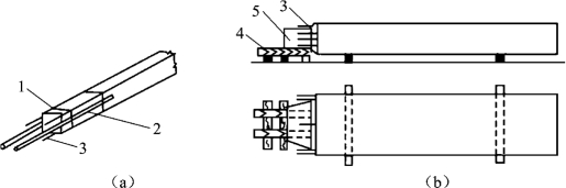
外伸钢筋的保护方法有:用钢管保护柱脚外伸钢筋、用垫木保护外伸钢筋及用滑轮组保护外伸钢筋等。用钢管保护柱脚外伸钢筋的方法见图7.42(a)。用垫木保护柱脚外伸钢筋的方法见图7.42(b)。

图7.42 柱脚外伸钢筋保护方法

1—短吊索;2—钢管;3—外伸钢筋;4—垫木;5—柱子榫头

3.柱的临时固定及校正

底层柱一般插入基础杯口,其临时固定和校正方法与单层工业厂房柱相同。

上节柱吊装在下节柱的柱头上时,视柱的质量不同,采用不同的临时固定和校正方法。

柱的质量较轻时,采用方木和钢管支撑进行临时固定和校正。框架结构的内柱,四面均用方木临时固定和校正,如图7.43(a)所示;框架结构的边柱两面用方木,另一面用方木加钢管支撑做临时固定和校正,如图7.43(b)所示;框架结构的角柱两面均用方木加钢管支撑临时固定和校正,如图7.43(c)所示。

图7.43 柱临时固定及校正

柱较重或较长时,以及H形构件,一般用缆风绳进行临时固定和校正,用倒链或手扳葫芦拉紧,每根柱拉四根缆风绳。柱子校正后,每根缆风绳都要拉紧。

柱子垂直度的检查可用经纬仪或铅锤进行。上节柱垂直度的校正,应以下节柱的根部中心线为准,这样可避免误差积累。用经纬仪校正垂直度时,边柱和角柱可直接用经纬仪观测;框架结构的内柱在楼板安装之后,用经纬仪不能同时观测到上、下两个测点(如经纬仪设置在地面时,只能看到下测点而不能看到上测点)。此时,首先将下测点(下柱柱底中心线)引测到上面去,经纬仪可架设到楼面上观测上节柱的垂直度。

4.柱接头施工

柱接头的形式如图7.44所示,有榫式接头、插入式接头和浆锚式接头三种。

图7.44 柱接头形式

1—榫头;2—上柱外伸钢筋;3—剖口焊;4—下柱外伸钢筋;5—后浇接头混凝土;6—下柱杯口;7—下柱预留孔

(二)梁与柱接头

梁柱接头的做法很多,常用的有明牛腿式刚性接头、齿槽式梁柱接头、浇筑整体式梁柱接头、钢筋混凝土暗牛腿梁柱接头、型钢暗牛腿梁柱接头等。

图7.45所示为明牛腿式刚性接头。这种接头安装方便,节点刚度大,受力可靠;但明牛腿占据了一部分空间,一般只用于多层工业厂房。

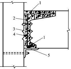
图7.46所示为齿槽式梁柱接头。它是利用梁柱接头处设置的齿槽来传递梁端剪力,齿型以三角形和梯形较好,这种接头可以用在中等荷载的框架结构中。

图7.45 明牛腿式刚性接头

1—剖口焊;2—后浇细石混凝土;3—齿槽

图7.46 齿槽式梁柱接头

1—剖口焊;2—后浇细石混凝土;3—齿槽;4—附加钢筋;5—临时牛腿

图7.47所示为上柱带榫头的浇筑整体式梁柱接头。

图7.47 浇筑整体式梁柱接头

1—梁;2—柱;3—钢筋焊接

(三)预制构件的平面布置

多层装配式框架结构的柱子较重,一般在施工现场预制。相对于塔式起重机的轨道,柱子预制阶段的平面布置有平行布置、垂直布置、斜向布置等几种方式。其布置原则与单层工业厂房构件的布置原则基本相同。