1
建筑施工技术
1.8.1.3.2 二、先张法施工工艺
二、先张法施工工艺

(一)张拉控制应力和张拉程序

张拉控制应力是指在张拉预应力筋时所达到的规定应力,应按设计规定采用。控制应力的数值直接影响预应力的效果。控制应力稍高,预应力效果会更好些,不仅可以提高构件的抗裂性能和减少挠度,还可以节约钢材。

预应力筋的张拉控制应力应符合设计要求。施工中预应力筋需要超张拉时,可比设计要求提高3%~5%,但其最大张拉控制应力不得超过表5.1的规定。

表5.1 张拉控制应力限制

注:fptk——预应力筋极限抗拉强度标准值;fpyk——预应力筋屈服强度标准值。

预应力筋张拉程序:应按设计规定进行,若设计无规定时,可采取下列程序之一:

(1)0→105%σcon持荷2min→σcon(锚固);

(2)0→103%σcon(锚固)。

σcon为预应力筋张拉控制应力。

预应力筋张拉操作要领:

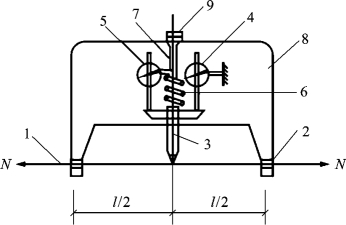
(1)冷轧带肋钢筋张拉时,可采用10kN电动螺杆张拉机或电动卷扬张拉机单根张拉,利用钢丝应力测力仪测力,锥销式夹具锚固。如图5.12为国产2CN-1型钢丝内力测定仪。

(2)刻痕钢丝可采用20~30kN电动卷扬张拉机单根张拉,优质锥销式夹具锚固。

(3)粗钢筋张拉时,可采用YC60型或YL60型千斤顶在双横梁式台座或钢模上单根张拉,螺杆夹具锚固。

图5.12 2CN-1型钢丝测力计

1—钢丝;2—挂钩;3—测头;4—测挠度百分表;5—测力百分表;6—弹簧;7—推杆;8—表架;9—螺丝

(二)预应力值校核

1.预应力钢筋的张拉力,一般采用油压表控制、伸长值校核。预应力筋张拉锚固后实际建立的预应力值与工程设计规定检验值的相对允许偏差为±5%。

2.预应力钢丝的张拉力,张拉锚固后采用钢丝应力测力仪检查钢丝的预应力值,伸长值只用作张拉操作中参考。其相对允许偏差为±5%。

3.认真做好预应力筋张拉记录。

随后进行支模,检查非预应力筋数量、规格品种等符合设计要求后浇筑混凝土。

(三)预应力筋放张

1.预应力筋放张时,混凝土强度应符合设计要求,当设计无具体要求时,不应低于设计的混凝土抗压强度标准值的75%。

2.预应力筋放张顺序

(1)对承受轴心预压的构件,所有预应力筋应同时放张。

(2)承受偏心预压的构件,应先放张预压力较小区域的预应力筋,再同时放张压力较大区域的预应力筋。

(3)当不能按上述规定放张时,应分阶段、对称、交错地放张。

3.预应力筋放张方法

(1)对张拉力大的多根冷拉钢筋或钢绞线,可采用氧炔焰预热,粗钢筋放张时,应在烘烤区轮换加热每根钢筋,使其同步升温,待钢筋出现颈缩时,即可切断钢筋,但应注意防止烧伤构件。

(2)对配筋不多的钢丝,放张时可直接用钢丝钳或氧炔焰切割。

放张单根预应力筋,一般采用千斤顶放张,如图5.13(a)所示,即用千斤顶拉动单根钢筋的端部,松开螺母。多根预应力筋构件采用千斤顶放张时,应按对称、相互交错放张的原则进行,拟定合理的放张顺序,控制每一次循环放张的吨位,缓慢逐根多次循环放松。

构件预应力筋较多时,整批同时放张可采用砂箱、楔块等放张装置。

砂箱装置如图5.13(b)所示,由钢板制作的缸套和活塞组成,内装石英砂或铁砂。预应力筋张拉时,砂箱中的砂被压实并承受横梁的反力;预应力筋放张时,将出砂口打开,砂缓慢地流出,活塞徐徐回退,钢筋则逐渐放松。砂箱中的砂应选用级配适宜的干燥砂。

楔块放张装置由固定楔块、活动楔块和螺杆组成,楔块放置在台座与横梁之间,如图5.13(c)所示。预应力筋放张时,旋转螺母使螺杆向上运动,带动楔块向上移动,钢块间距变小,横梁向台座方向移动,从而同时放张预应力筋。楔块放张装置一般由施工单位自行设计,适用于张拉力不大于300kN的情况。

图5.13 预应力筋放张装置

1—横梁;2—千斤顶;3—承力架;4—夹具;5—钢丝;6—构件;7—活塞;8—套箱;9—套箱底板;10—砂;11—进砂口(M25螺丝);12—出砂口(M16螺丝);13—台座;14、15—钢固定楔块;16—钢滑动楔块;17—螺杆;18—承力板;19—螺母