1
建筑施工技术
1.7.3.5 思考与练习
思考与练习

1.模板安装的程序是怎样的?包括哪些内容?

2.模板在安装过程中应注意哪些事项?

3.模板拆除时要注意哪些内容?

4.钢筋下料长度应考虑哪几部分内容?

5.钢筋为什么要调直?钢筋调直应符合哪些要求?

6.钢筋切断有哪几种方法?

7.钢筋弯曲成型有几种方法?

8.钢筋的接头连接分为几类?

9.钢筋的搭接有哪些要求?

10.混凝土工程施工缝的处理要求有哪些?

11.混凝土浇筑前应对模板、钢筋及预埋件进行哪些检查?

12.混凝土料在运输过程中应满足哪些基本要求?

13.混凝土的水平运输方式和垂直运输方式有哪些?

14.振捣器如何进行操作?

15.混凝土浇筑后为何要进行养护?

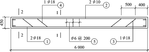
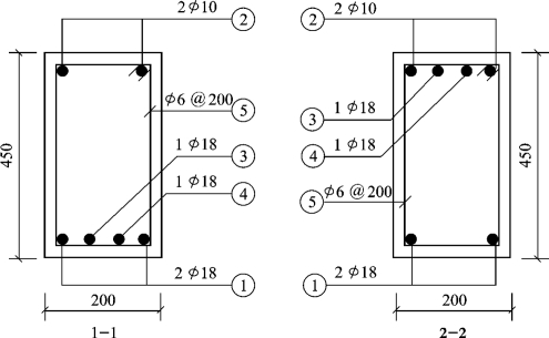
16.在某钢筋混凝土结构中,取一跨钢筋混凝土梁L-1,其配筋均按Ⅰ级钢筋考虑,如下图所示。试计算该梁钢筋的下料长度,给出钢筋配料单。(注:梁两端的保护层厚度取10mm,上下保护层厚度取25mm。)

17.现场浇筑C15混凝土,实验室提供的理论配合比为C∶S∶G∶W=1∶2.36∶4.57∶0.66(C∶S∶G∶W即水泥∶砂∶石∶水)。1 m3混凝土材料用量为:水泥280kg、砂660kg、石1 280kg、水185kg。现场实测砂的含水率为4%,石子含水率为2%。试求该混凝土的施工配合比。