1
建筑施工技术
1.4.2.3.2 二、基槽(坑)施工
二、基槽(坑)施工

(一)房屋定位

房屋定位是在基础施工之前根据建筑总平面图设计要求,将拟建房屋的平面位置和零点标高在地面上固定下来。

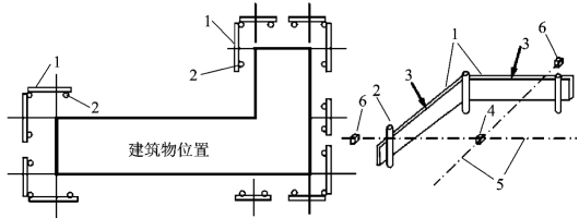
定位一般用经纬仪、水准仪和钢尺等测量仪器,根据主轴线控制点,将外墙轴线的四个交点用木桩测设在地面上(图1.29)。

图1.29 建筑物的定位

1—龙门板(标志板);2—龙门桩;3—轴线钉;4—轴线桩(角桩);5—轴线;6—控制桩(引桩、保险桩)

(二)放线

房屋定位后,根据基础的宽度、土质情况、基础埋置深度及施工方法,计算确定基槽(坑)上口开挖宽度,拉通线后用石灰在地面上画出基槽(坑)开挖的上口边线,即放线(图1.30)。

图1.30 放线示意图

1—墙(柱)轴线;2—龙门板;3—白灰线(基槽边线);4—基槽宽度

基槽(坑)开挖宽度的计算:

(1)不放坡,不加挡土板支撑

当土质均匀且地下水位低于槽(坑)底,挖土深度不超过《土方与爆破工程施工及验收规范》(GB 50201—2012)的有关规定时,可不放坡和不加支撑,这时基础底边尺寸就是放灰线尺寸。在施工过程中,距离槽(坑)边沿1m范围内不得堆置土方,应经常检查地表水、地下水及槽(坑)壁的稳定情况。

图1.31 留工作面示意图

(2)不放坡,但要留工作面

浇筑基础混凝土时,为了控制断面尺寸,需在槽(坑)内支立模板,为此,必须留出一定的工作面。一般,当基槽(坑)底在地下水位以上时,每边留出工作面宽度为300mm(图1.31),基槽(坑)放灰线尺寸为:

式中,d——基础放灰线宽,mm;

a——基础底宽,mm;

c——工作面宽度(一般取300mm)。

(3)留工作面并加支撑

当基础埋置较深,场地又狭窄不能放坡时,为防止土壁坍塌,必须设置支撑。此时,放灰线尺寸除应考虑基础底宽、工作面宽度外,还需加上支撑所需尺寸(一般为100mm)。放灰线尺寸为:d=a+2c+2×100(mm)

(4)放坡

如果基槽(坑)深度超过《土方与爆破工程施工及验收规范》(GB 50201—2012)的规定时,即使土质良好且无地下水,亦需根据挖土深度和土质情况,参照表1.5放坡。放灰线尺寸为(图1.32):

式中,b——放坡宽度,b=mh;

m——坡度系数;

h——基槽开挖深度。

图1.32 放坡基槽留工作面示意图

(三)基槽(坑)土方开挖

基槽(坑)开挖有人工开挖和小型液压挖土机开挖两种形式。

当基槽(坑)较深、土方量大时,有条件的尽量利用机械挖土。人工沿灰线开挖时,有利于保证土壁的直立或土壁放坡要求及槽(坑)底面尺寸;采用机械施工时,应注意挖土深度必须比基底标高浅,然后组织人工加以清底,以免机械挖土时扰动基底。

1.基槽(坑)开挖深度控制

当基槽(坑)挖到离坑底0.5m左右时,根据龙门板上标高及时用水准仪抄平,在土壁上打上水平桩,作为控制开挖深度的依据。

2.基槽(坑)开挖中的注意事项

(1)在开挖基槽(坑)之前,应检查龙门板、轴线桩有无走动现象,并根据设计图纸校核基础轴线的位置、尺寸及水准点的标高等。

(2)基槽(坑)、管沟的挖土应分层进行。挖方时不应碰撞或损伤支护结构、降水设施。基槽(坑)开挖应连续进行,尽快完成。

(3)在施工过程中,基槽(坑)、管沟边堆置的土方量不应超过设计荷载。开挖基槽(坑)时,若土方量不大,应有计划地堆置在现场,满足基槽(坑)回填及室内回填的需要。若有余土,则应考虑好弃土地点,并及时将土运走。

(4)基槽(坑)土方施工中及雨后,应对支护结构、周围环境进行观察和监测,如出现异常情况应及时处理,待恢复正常后方可继续施工。

(5)基槽(坑)开挖时,要加强垂直高度方向的测量,防止超挖,防止搅动基底土层。挖至设计标高后,应对槽(坑)底进行保护,防止雨水侵蚀或阳光暴晒,经验槽合格后,及时进行垫层施工。

(6)对特大型基坑,应分区分块挖至设计标高,分区分块及时浇筑垫层。必要时,可以加强垫层。

(7)土方开挖施工中,若发现古墓及文物等,要保护好现场,并立即通知文物管理部门,经查看处理后方可施工。

3.验槽(坑)

基槽(坑)挖至设计标高并清理好以后,应由施工单位会同勘察单位、设计单位、监理单位、建设单位及质量监督部门有关人员,一起进行现场检查并验收基槽,包括:核对地质资料,检查地基与工程地质勘察报告、设计图纸要求是否相符,有无破坏原状土结构或发生较大的扰动现象。

验槽(坑)的主要内容和方法如下:

(1)核对基槽(坑)的位置、平面尺寸、坑底标高。

(2)核对基槽(坑)土质和地下水情况。

(3)空穴、古墓、古井、防空掩体及地下埋设物的位置、深度、形状。在进行观察时,可采用钎探和洛阳铲探查。

(4)对整个基槽(坑)底进行全面观察,注意土的颜色是否一致,土的坚硬程度是否一样,有无软硬不一或弱土层,局部的含水量有无异常现象,走上去有无颤动的感觉等。

(5)验槽的重点应选择在桩基、承重墙或其他受力较大的部位。

验槽后应填写验槽记录或检验报告。