1
建筑力学
1.8.2 附录B 常用型钢规格表

附录B 常用型钢规格表

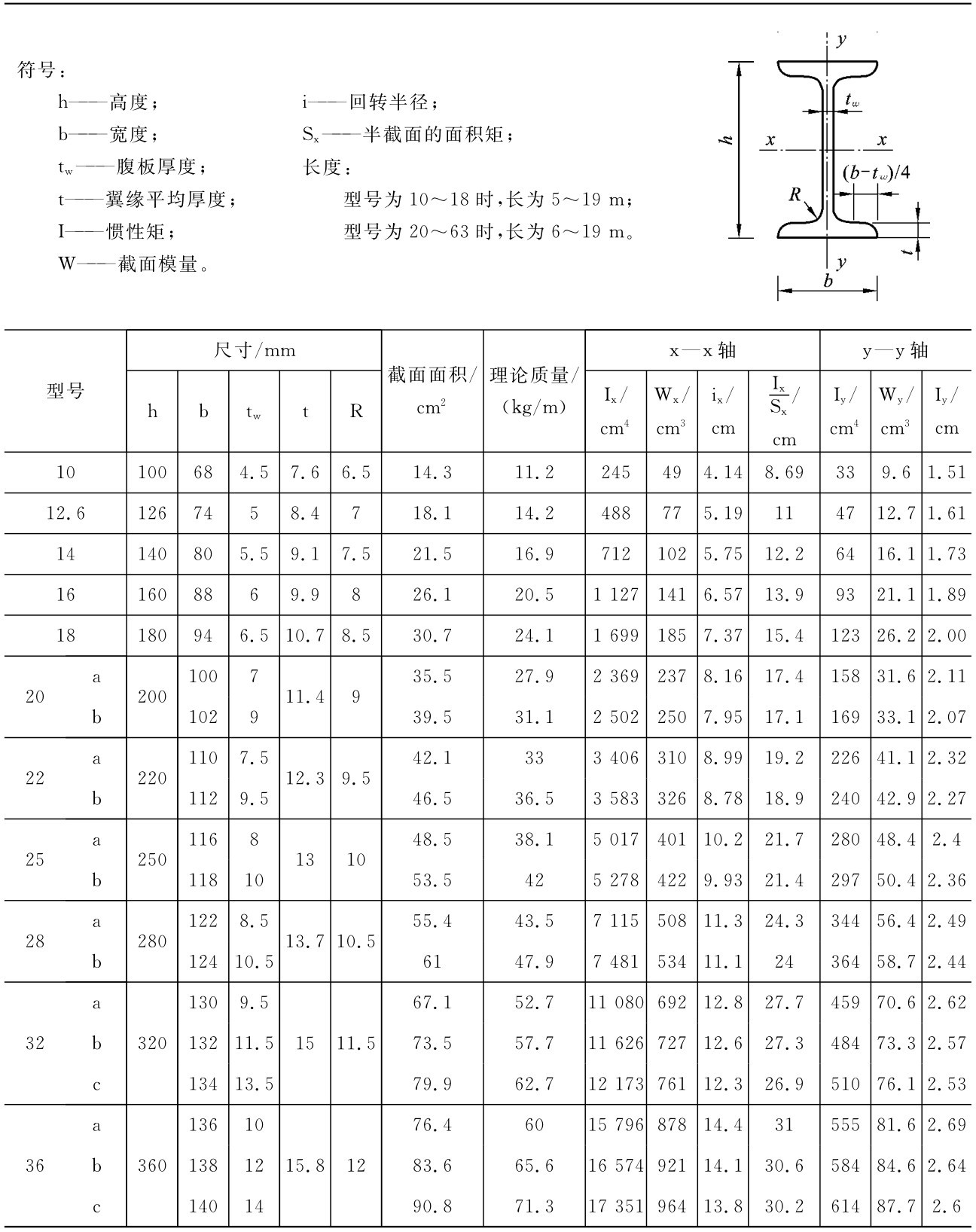
表B-1 普通工字钢

续表

表B-2 H型钢

续表

续表

注:“#”表示的规格为非常用规格。

表B-3 普通槽钢

续表

表B-4 等边角钢

续表

续表

表B-5 不等边角钢

续表

续表

注:一个角钢的惯性矩Ix=Ai 2x,Iy=Ai 2y;一个角钢的截面模量Wxmax=Ix/Zx,Wxmin=Ix/(b-Zx);Wymax=IyZy,Wymin=Iy (b-Zy)。