1
建筑力学
1.6.7.2 7.2 圆轴扭转时的刚度条件
7.2 圆轴扭转时的刚度条件

7.2.1 圆轴扭转时的变形

圆轴扭转时的变形通常是用两个截面绕轴线转动的相对扭转角φ来度量的,其计算公式(推导过程略)为

GIp=Tdφ dx (5-26)

式中:dφ——相距为dx的两截面间的扭转角;

T——截面上的扭矩,以绝对值代入;

G——材料的切变模量;

Ip——截面对圆心的极惯性矩。

式(5-26)也可写为

GIp dxdφ=T(5-27)

因此,相距为l的两截面间的扭转角为

ll φ=GIp0 dxT dφ=∫0∫ (5-28)

若该段为同一材料制成的等直圆轴,并且各截面上扭矩T的数值相同,则式(5-28)中T、G、Ip均为常量,积分后得

GIpφ=Tl(5-29)

扭转角的单位为rad。

由式(5-29)可见,扭转角φ与GIp成反比,即GIp越大,轴就越不容易发生扭转变形,因此把GIp称为圆轴的扭转刚度,用它来表示圆轴抵抗扭转变形的能力,工程中通常采用单位长度扭转角,即

θ=dφdx (5-30)

将式(5-27)代入式(5-30)得

θ=T GIp (5-31)

单位长度扭转角θ的单位为rad/m。

7.2.2 圆轴的刚度条件

对于承受扭转的圆轴,除了满足强度条件外,还必须对轴的扭转变形加以限制,使其满足刚度条件,即

θmax=Tmax GIp≤[θ](5-32)

式中:[θ]——单位长度许用扭转角,单位为rad/m,其数值由轴上荷载的性质及轴的工作条件等因素决定,可从有关设计手册中查到。

在实际工程中[θ]的单位通常为(◦)/m,则刚度条件为

θmax=Tmax π≤[θ]GIp× 180°(5-33)

【例5-23】 如图5-36(a)所示的传动轴,在截面A、B、C三处作用的外力其力偶矩分别为MA=4.77kN·m,MB=2.86kN·m,MC=1.91kN·m,已知轴的直径D=90mm,材料的切变模量G=80×103MPa,材料的许用切应力[τ]=60MPa,单位长度许用扭转角[θ]=1.1°/m。试校核该轴的强度和刚度。

【解】 (1)求危险截面上的扭矩。

绘出扭矩图,如图5-36(b)所示,

图5-36

由图5-36(b)可知,BA段的各截面为危险截面,其上扭矩为

Tmax=2.86kN·m

(2)强度校核。

截面的扭转截面系数和极惯性矩分别为

WP=πD3π×903×10-9 16=Ip=πD4 16 m3=1.43×10-4m3 π×904×10-12 32= 32 m4=6.44×10-6m4

轴的最大切应力为

τmax=Tmax WP=2.86×103 1.43×10-4MPa=20MPa<[τ]=60MPa

可见强度满足要求。

(3)刚度校核。

轴的单位长度最大扭转角为

θmax=Tmax180° GIp× =π 2.86×103180° 8.0×1010×6.44×10-6× =0.318°/m<[θ]=1.1°/m π

可见刚度也满足要求。

复习题

1.低碳钢在拉伸试验中表现为哪几个阶段?有哪些特征点?怎样从σ-ε曲线上求出拉压弹性模量的E值?

2.三根材料不同但尺寸相同的杆,它们的σ-ε曲线如图5-37所示,问哪种材料强度高?哪种材料的刚度大?哪种材料的韧性好?

图5-37

3.如图5-38所示,用绳索吊起W=100kN的重物,绳索的直径d=40mm,许用应力[σ]=100MPa,试校核绳索的强度。

图5-38

4.杆件受力如图5-39所示,已知CD为刚性杆,AB为钢杆,直径d=30mm,[σ]=160 MPa,试求结构的许用荷载[F]。

图5-39

5.如图5-40所示的起重架,在D点作用荷载F=30kN,若杆AD、ED、AC的许用应力分别为[σ]1=40MPa、[σ]2=100MPa、[σ]3=100MPa,试求此三根杆所需的截面面积。

图5-40

6.如图5-41所示为一简支梁,由No.32a号工字钢制成,梁上作用有均布荷载q=22kN/m,材料的许用应力[σ]=150MPa,跨长l=6m,试校核该梁的强度。

图5-41

7.矩形截面简支梁如图5-42所示,跨度l=2m,a=0.4m,F=100kN,梁截面为矩形截面b× h=100mm×200mm,材料的许用应力[σ]=80MPa,[τ]=10MPa,试对梁进行强度校核。

图5-42

8.一简支梁受两个集中力作用,如图5-43所示,已知F1=20kN,F2=60kN,梁由两根工字钢组成,其材料许用应力[σ]=170MPa,试选择普通热轧工字钢型号。

图5-43

9.一圆形截面木梁受力如图5-44所示,材料的许用应力[σ]=10MPa,试选择截面直径d。

图5-44

10.No.20a工字钢梁的受力如图5-45所示,若材料的许用应力[σ]=160MPa,试求许用荷载[F]。

图5-45

11.如图5-46所示某桥式吊车的最大荷载为F=20kN,吊车梁由No.32a工字钢制成,已知l=8.76m,E=210GPa,设计要求许用挠度,试校核该吊车梁的刚度。

图5-46

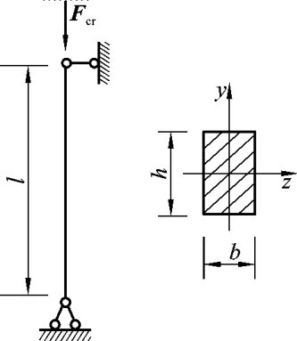
12.如图5-47所示为两端铰接的细长压杆,已知矩形截面b×h=30mm×50mm,杆长l=1.0m,材料的弹性模量E=200GPa,试计算此压杆的临界力Fcr

图5-47

13.已知三根两端铰支的圆形截面压杆,直径均为160mm,长度分别为l1=6m,l2=3m,l3=1.5m,材料为Q235钢,弹性模量E=200GPa,λp=100,σs=235MPa,求此三根压杆的临界力。

14.如图5-48所示立柱CD段高h=4m,材料为Q235钢,许用应力[σ]=160MPa,弹性模量E=200GPa,若立柱截面为外径D=100mm,内径d=80mm的空心钢管,试求梁上AB的许用荷载[F]。

图5-48

15.如图5-49所示为一阶梯形圆轴,已知d1=80mm,d2=50mm,外力偶矩Me B=2 500N·m,Me C=1 500N·m,试求杆内的最大切应力并指出其作用点的位置。

图5-49

16.如图5-50所示为一实心圆轴,外力偶矩Me A=6.5kN·m,Me B=2.5kN·m,Me C=4kN·m,许用切应力[τ]=50MPa,试确定该轴的直径。

图5-50