学习任务4 汽车喇叭不响的故障诊断与排除
【任务描述】
一辆宝骏630轿车,行驶里程20000km,车主反映车辆喇叭不响。现需要维修技工根据维修手册相关要求,在规定时间内排除故障并交付验收。
【学习目标】
一、知识目标
1.能叙述汽车喇叭的作用;
2.能叙述汽车喇叭的基本结构及工作原理。
二、技能目标
1.能够分析喇叭不响故障原因;
2.能够按技术要求规范排除喇叭不响的故障。
建议学时:4学时
【知识准备】
一、喇叭的作用
喇叭是汽车的音响信号装置。在汽车的行驶过程中,驾驶员根据需要和规定发出必需的音响信号,警告行人和引起其他车辆注意,保证交通安全,同时还用于催行与传递信号。
二、喇叭的分类及工作原理
汽车喇叭按声音动力分为气喇叭和电喇叭两种;按其外形分为筒形、螺旋形和盆形三种;按发声频率分高音喇叭和低音喇叭两种。
1.气喇叭
气喇叭的工作原理是利用压缩空气的气流使金属膜片振动而发出声音,因此必须在带有空气压缩机的汽车上方能使用。一般在大客车和重型货车上都装有气喇叭,特别是长途运输车在山区或弯道等地段行驶时,用气喇叭鸣叫,能有效地提醒行人和对方来车驾驶员的注意。因为气喇叭音量大,余音好,声音悦耳且传播较远。气喇叭一般采用筒形,并使用高音与低音两个喇叭联合工作。
2.电喇叭
电喇叭的工作原理是利用电磁吸力使金属膜片振动而发出声音。它是汽车上广泛应用的一种喇叭,按结构形式分为筒形、螺旋形和盆形三种,一般多制成螺旋形或盆形。
通常使用的电喇叭根据其工作方式可以分为机械式和电子式两种。其中电子喇叭又分为触点式和无触点式两种。触点式电喇叭利用触点的闭合与断开控制电磁线圈中励磁电流的通断,从而使铁芯(或衔铁)以一定频率做上下移动,并带动金属膜片振动而产生声音。无触点电喇叭利用电子线路来控制电磁线圈中励磁电流的通断,使铁芯以一定频率移动,并带动金属膜片振动而产生音响。
电喇叭具有节约能源、结构简单、体积小、质量小、噪声小、保修容易、声音宏亮及音质悦耳等优点。
无触点电喇叭因克服了触点式电喇叭的触点烧蚀、氧化而使喇叭变音的缺点,从而更加耐用。而且它的音色和音量比触点式的要容易调整,因此它是汽车喇叭的发展方向。
三、喇叭的电路分析
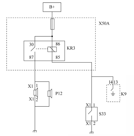
1.以宝骏630为例,其喇叭电路的基本组成,如图5.4.1所示。
宝骏630喇叭电路主要由蓄电池、保险、喇叭继电器、喇叭、喇叭开关和相关线路等组成。
2.喇叭电路的工作原理
喇叭继电器控制回路的工作分析:蓄电池正极——保险(10A)——喇叭继电器线圈——插接器X201—方向盘安全气囊线圈——喇叭开关——搭铁。
喇叭继电器工作回路的工作分析:蓄电池正极——保险(10A)——喇叭继电器触点——喇叭——搭铁。
【任务准备】
一、工、量具及材料的准备
1.设备及相关物品:举升机、宝骏630轿车及其维修手册、车内外护套。
2.工、量具:常用世达拆装工具120件套、数字万用表、208接线盒、故障诊断仪、测试灯。
二、工作流程的准备
喇叭不响的故障检测流程,如图5.4.2所示。
【实施步骤】
一、喇叭保险测试
将点火开关置于OFF位置,断开喇叭保险,测量保险两端的电阻是否小于2Ω。如果大于规定范围,则更换喇叭保险。
二、继电器测试
1.将点火开关置于OFF位置,断开喇叭继电器。
2.测试端子85和86之间的电阻是否为60~180Ω。如果不在规定的范围内,则更换继电器。
3.测试以下端子之间的电阻是否为无穷大:
30和86
30和87
30和85
85和87
如果不是规定值,则更换继电器。
4.在继电器端子86和12V电压之间安装一条带30A保险丝的跨接线。在继电器端子85和搭铁之间安装一条跨接线。测试端子30和87之间的电阻是否小于2Ω。如果大于规定范围,则更换继电器。
三、喇叭开关测试
1.将点火开关置于OFF位置,断开S33喇叭开关处的线束连接器。
2.测试搭铁电路端子2和搭铁之间的电阻是否小于30Ω。如果大于规定范围,则测试搭铁电路是否电阻过大。
3.将点火开关置于ON位置,测试信号电路端子1和搭铁之间的电压是否高于10V。如果低于规定值,则测试信号电路是否对搭铁短路或开路或电阻过大。
4.如果所有电路测试正常,则测试或更换S33喇叭开关。
四、喇叭测试
1.将点火开关置于OFF位置,断开P12喇叭处的线束连接器。
2.在控制端子1和12V电压之间安装一条带15A保险丝的跨接线。在搭铁端子2和搭铁之间安装一条跨接线。确认P12喇叭发出清晰均匀的声音。如果鸣响不是清晰并均匀的,则更换P12喇叭。
五、喇叭线路测试
1.断开KR3喇叭继电器。
2.将点火开关置于ON位置,确认控制电路端子87和搭铁之间的测试灯未点亮。如果测试灯点亮,则测试控制电路是否对电压短路。
3.确认B+电路端子30和搭铁之间的测试灯点亮。如果测试灯未点亮,则测试B+电路是否对搭铁短路或开路或电阻过大。
4.确认B+电路端子86和搭铁之间的测试灯点亮。如果测试灯不点亮,则测试B+电路是否开路或电阻过大。
5.断开相应的P12喇叭处的线束连接器。
6.测试搭铁电路端子2和搭铁之间的电阻是否小于1Ω。如果大于规定范围,则测试搭铁电路是否开路或电阻过大。
7.连接P12喇叭的线束连接器。
8.在B+电路端子30和控制电路端子87之间连接一条带20A保险丝的跨接线。确认喇叭启动。如果喇叭未启动,则测试控制电路是否对搭铁短路或开路或电阻过大。如果电路测试正常,则测试或更换喇叭。
9.在B+电路端子86和控制电路端子85之间连接一个测试灯。
10.按下并松开方向盘上的喇叭按盘。在指令状态之间切换时,测试灯应点亮或熄灭。如果测试灯始终点亮,则测试控制电路是否对搭铁短路。如果电路测试正常,则检查S33喇叭开关是否堵塞。如果测试灯始终熄灭,则测试控制电路是否对电压短路或开路或电阻过大。如果电路测试正常,则检查S33喇叭开关是否开路。
六、K9车身控制模块测试
1.将点火开关置于OFF位置,断开KR3喇叭继电器。
2.在B+电路端子86和控制电路端子85之间连接一个测试灯。
3.点火开关置于ON位置,用故障诊断仪指令喇叭继电器通电和断电。在指令状态之间切换时,测试灯应点亮或熄灭。如果测试灯始终熄灭,则测试控制电路是否对电压短路或开路或电阻过大。如果电路测试正常,则更换K9车身控制模块。如果测试灯始终点亮,则测试控制电路是否对搭铁短路。如果电路测试正常,则更换K9车身控制模块。
【评价与反馈】
对本学习任务进行评价,如表5.4.1喇叭不工作的故障检测评分表所示。
表5.4.1 喇叭不工作的故障检测评分表

续 表
