学习任务3 发电机充电指示灯常亮的故障诊断与排除
【任务描述】
一辆2013款科鲁兹轿车,行驶里程20000km,车主反映车辆仪表盘出现充电指示灯常亮的问题。经检查发现是由发电机控制电路故障导致不充电引起的。现需要维修技工根据维修手册相关要求,在规定时间内排除故障并交付验收。
【学习目标】
一、知识目标
1.能叙述汽车发电机的作用;
2.能叙述汽车发电机的基本结构及工作原理。
二、技能目标
1.能够分析发电系统故障原因;
2.能够按技术要求规范排除发电系统故障。
建议学时:6学时
【知识准备】
一、汽车发电机的概述
发电机是汽车的主要电源,其功用是在发动机正常运转时,向所有用电设备(启动机除外)供电,同时给蓄电池充电。
汽车用发电机可分为直流发电机和交流发电机,由于交流发电机的性能在许多方面优于直流发电机,直流发电机已被淘汰。目前汽车采用三相交流发电机,内部带有二极管整流电路,将交流电整流为直流电,所以,汽车交流发电机输出的是直流电。
交流发电机必须配装电压调节器,电压调节器对发电机的输出电压进行控制,使其保持基本恒定,以满足汽车用电器的需求。
二、交流发电机的基本结构
整体式交流发电机一般由转子、定子、整流器、前后端盖、风扇、带轮和集成电路电压调节器等组成。如图5.3.1所示。
1.转子
转子的功用是产生磁场。转子由爪极、磁轭、励磁绕组、滑环、转子轴等组成,如图5.3.2、5.3.3所示。转子轴上压装着两块爪极,爪极被加工成鸟嘴形状,爪极空腔内装有励磁绕组和磁轭。滑环由两个彼此绝缘的铜环组成,压装在转子轴上并与轴绝缘,两个滑环分别与励磁绕组的两端相连。
当给两滑环通入直流电时,励磁绕组中就有电流通过,并产生轴向磁通,使爪极一块被磁化为N极,另一块被磁化为S极,从而形成六对(或八对)相互交错的磁极。当转子转动时,就形成了旋转的磁场。
2.定子
定子的功用是产生交流电。定子安装在转子的外面,和发电机的前后端盖固定在一起,当转子在其内部转动时,引起定子绕组中磁通的变化,定子绕组中就产生交变的感应电动势。定子由定子铁芯和定子绕组(线圈)组成。定子铁芯由内圈带槽、互相绝缘的硅钢片叠成。定子绕组有三组线圈,对称的嵌放在定子铁芯的槽中。三相绕组的连接有星形接法和三角形接法两种,如图5.3.4所示,都能产生三相交流电。
3.整流器
整流器的功用是将定子绕组的三相交流电变为直流电。整流器由整流板和整流二极管组成,6管交流发电机的整流器是由6只硅整流二极管分别压装(或焊装)在相互绝缘的两块板上组成的,其中一块为正极板(带有输出端螺栓),另一块为负极板,负极板和发电机外壳直接相连(搭铁),也可以将发电机的后盖直接作为负极板。6只整流二极管分为正极管和负极管两种。引出电极为正极的称为正极管,3只正极管装在同一块板上,称为正极板;引出电极为负极的称为负极管,3只负极管安装在负极板上,也可直接安装在后盖上。如图5.3.5所示。
4.端盖及电刷组件
端盖一般分两部分(前端盖和后端盖),起支撑转子、定子、整流器和电刷组件的作用。端盖一般用铝合金铸造,一是可有效的防止漏磁,二是铝合金散热性能好。
后端盖上装有电刷组件。电刷组件由电刷、电刷架和电刷弹簧组成,如图5.3.6所示。电刷的作用是将电源通过滑环引入励磁绕组。两个电刷分别装在电刷架的孔内,借助弹簧压力与滑环保持接触。电刷和滑环的接触应良好,否则会因为磁场电流过小,导致发电机发电不足。
5.带轮及风扇
交流发电机的前端装有带轮和风扇,由发动机通过传动带驱动发电机的转子轴和风扇一起旋转。发电机工作时,定子绕组和励磁绕组中都会有热量产生,温度过高会烧坏导线的绝缘导致发电机不能正常工作,所以为发电机散热是必须的,为了提高散热能力,有的发电机装有两个风扇(前后各一个),如丰田轿车的发电机。
6.电压调节器
(1)交流发电机电压调节器按工作原理可分为:
①触点式电压调节器。触点式电压调节器应用较早,这种调节器触点振动频率慢,存在机械惯性和电磁惯性,电压调节精度低,触点易产生火花,对无线电干扰大,可靠性差,寿命短,现已被淘汰。
②晶体管调节器。随着半导体技术的发展,采用了晶体管调节器。其优点是:三极管的开关频率高,且不产生火花,调节精度高,重量轻,体积小,寿命长,可靠性高,电波干扰小等,现广泛应用于东风、解放及多种中低档车型。
③集成电路调节器。集成电路调节器除具有晶体管调节器的优点外,还具有超小型的优势,安装于发电机的内部(又称内装式调节器),减少了外接线,并且冷却效果得到了改善,现广泛应用于桑塔纳、奥迪等多种轿车车型上。
④电脑控制调节器。电脑控制调节器是现在轿车采用的一种新型调节器,由电负载检测仪测量系统总负载后,向发电机电脑发送信号,然后由发动机电脑控制发电机电压调节器,适时地接通和断开磁场电路,即能可靠地保证电器系统正常工作,使蓄电池充电充足,又能减轻发动机负荷,提高燃料经济性。上海别克、广州本田等轿车发电机上使用了这种调节器。
电压调节器按所匹配的交流发电机搭铁形式可分为:
①内搭铁型调节器。适合于与内搭铁型交流发电机所匹配的电子调节器称为内搭铁型调节器。
②外搭铁型调节器。适合于与外搭铁型交流发电机所匹配的电子调节器称为外搭铁型调节器。
在使用过程中,对于晶体管调节器,最好使用汽车说明书中指定的调节器,如果采用其他型号替代,除标称电压等规定参数与原调节器相同外,代用调节器必须与原调节器的搭铁形式相同,否则,发电机可能由于励磁电路不通而不能正常工作。对于集成电路调节器,必须是专用的。
三、交流发电机工作原理
1.发电原理
如图5.3.7所示,发电机定子的三相绕组按一定规律分布在发电机的定子槽中,内部有一个转子,转子上安装着爪极和励磁绕组。
当外电路通过电刷使励磁绕组通电时,便产生磁场,使爪极被磁化为N极和S极。当转子旋转时,磁通交替地在定子绕组中变化,根据电磁感应原理可知,定子的三相绕组中便产生交变的感应电动势。这就是交流发电机的发电原理。
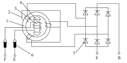
2.交流发电机整流原理
交流发电机定子的三相绕组中,感应产生的是三相交流电,波形图如图5.3.8(b)所示,是通过6只二极管组成的三相桥式整流电路整流为直流电的,整流电路如图5.3.8(a)所示。
二极管具有单向导通性,当给二极管加上正向电压时二极管导通,当给二极管加上反向电压时二极管截止。将定子的三相绕组和6只整流二极管按图5.3.8(a)的电路连接,发电机的输出端B、E上就输出一个脉动直流电压,如图5.3.8(c)所示,这就是发电机的整流原理。
四、交流发电机的励磁
除了永磁式交流发电机不需要励磁以外,其他形式的交流发电机都需要励磁,因为它们的磁场都是电磁场,必须给励磁绕组通电才会有磁场产生而发电,否则发电机将不能发电。将电流引入到励磁绕组使之产生磁场称为励磁。交流发电机励磁方式有自励和他励两种。
1.自励
随着转速的提高(一般在发动机达到怠速时),发电机定子绕组的电动势逐渐升高并能使整流器二极管导通,当发电机的输出电压UB大于蓄电池电压时,发电机就能对外供电了。当发电机能对外供电时,就可以把自身发的电供给励磁绕组,这种自身供给磁场电流发电的方式称为自励发电。
2.他励
在发电机转速较低时(发动机未达到怠速转速),自身不能发电,需要蓄电池供给发电机励磁绕组电流,使励磁绕组产生磁场来发电。这种由蓄电池供给磁场电流发电的方式称为他励发电。
交流发电机励磁过程是先他励后自励。当发动机达到正常怠速转速时,发电机的输出电压一般高出蓄电池电压1~2V以便对蓄电池充电,此时,由发电机自励发电。不同汽车的励磁电路各不相同,但有一个共同特点是,励磁电路都必须由点火开关控制。
五、发电机控制电路
1.2013款科鲁兹发电机控制电路图,如图5.3.9所示
2.电路原理分析
打开点火开关时,充电指示灯亮起。发动机带动发电机发电,发电机的B端子产生输出电压,为汽车电气系统提供需要的电能。发动机正常发电时,充电指示灯熄灭,S端子用来检修蓄电池电压,以使发电机产生需要的电能。
发动机控制模块(ECM)接通发电机控制电路以控制发动机上的发电机负载。发动机控制模块的高电平侧驱动器向电压调节器提供电压,以此来控制电压调节器接通和断开磁场电路。发动机控制模块监测发电机接通控制电路的状态。当点火开关置于ON位置且发动机关闭或充电系统发生故障时,发动机控制模块应在发电机接通控制电路上检测到电压过低。发动机运行时,发动机控制模块应在发电机接通控制电路上检测到电压过高。
【任务准备】
一、工、量具及材料的准备
1.设备及相关物品:举升机、科鲁兹轿车及其维修手册、车内外护套。
2.工、量具:常用世达拆装工具120件套、数字万用表、208接线盒、二极管测试灯、汽车诊断解码仪。
二、工作流程的准备
发电机充电指示灯常亮的故障检修流程,如图5.3.10所示。
【实施步骤】
一、发电机B+输出电路的检测(2013款科鲁兹,电路见图5.3.9)
1.确认G13发电机B+输出电路X1端子1和搭铁之间的测试灯点亮。如果测试灯不点亮,测试B+电路是否对搭铁短路或开路或电阻过大。
二、发电机L端子电路的检测
1.将点火开关置于“OFF(关闭)”位置,断开G13发电机上的X2线束连接器。
2.将点火开关置于“ON(打开)”位置,测试控制电路端子X2的1端和搭铁之间的电压是否低于1V。如果高于规定范围,则测试控制电路是否对电压短路。如果电路测试正常,则更换K20发动机控制模块。
3.发动机运行时,测试控制电路端子X2的1端和搭铁之间的电压是否高于3.5V。如果低于规定范围,则测试控制电路是否对搭铁短路或开路或电阻过大。如果电路测试正常,则更换K20发动机控制模块。
三、发电机F端子电路的检测
1.将点火开关置于OFF(关闭)位置,断开G13发电机上的X2线束连接器。
2.将点火开关置于ON(打开)位置,确认故障诊断仪上的“ECM Generator F-Terminal Signal(发动机控制模块发电机F端子信号)”参数显示小于5%。如果高于规定范围,测试信号电路端子2是否对电压短路。如果电路测试正常,则更换K20发动机控制模块。
3.在B+端子和信号电路端子2之间,安装一条带3A保险丝的跨接线。
4.确认故障诊断仪上的“ECM Generator F—Terminal Signal(发动机控制模块发电机F端子信号)”参数显示大于95%。如果低于规定范围,测试信号电路端子2是否对搭铁短路或开路或电阻过大。如果电路测试正常,则更换K20发动机控制模块。如果以上电路全部测试正常,则更换G13发电机。
【评价与反馈】
对本学习任务进行评价,如表5.3.1发电机充电指示灯常亮的故障检测评分表所示。
表5.3.1 发电机充电指示灯常亮的故障检测评分表
