1
土力学与基础工程
1.13.8 习 题

习 题

9-1 表9-6给出一钻孔灌注桩试桩结果,请完成以下工作:①绘制Q-s曲线;②在半对数纸上,绘制s-lgt曲线;③判定试桩的承载力特征值Ra

表9-6 一钻孔灌注桩试桩结果

答案 试桩的承载力特征值ka=2200k N

9-2 已知桩身轴力分布如图9-25所示,桩截面尺寸(400×400)mm2,则桩侧摩阻力和下拉荷载有多大? 该桩中性点深度是多少?

答案 桩侧阻力AB段-50k Pa,BC段62.5k Pa。中性点深度5m

图9-25 习题9-2图

图9-26 习题9-3图

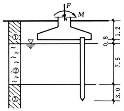
9-3 柱子传到地面的荷载为:F=2500k N,M=560k N·m。选用预制钢筋混凝土打入桩,桩的断面为30cm×30cm,有效桩长为11.3m,桩尖打入灰黄色粉质黏土内3m,经静载荷试验确定单桩承载力特征值Ra=250k N。承台底面在地面下1.2m处,见图9-26。地基土层物理力学参数如表9-7所示。试确定桩数、桩的布置及承台尺寸,并验算单桩承载力。

表9-7 土层物理力学参数

答案 桩数n=12;桩中心距1.2m,边距0.3m,承台尺寸3.0m×4.2m

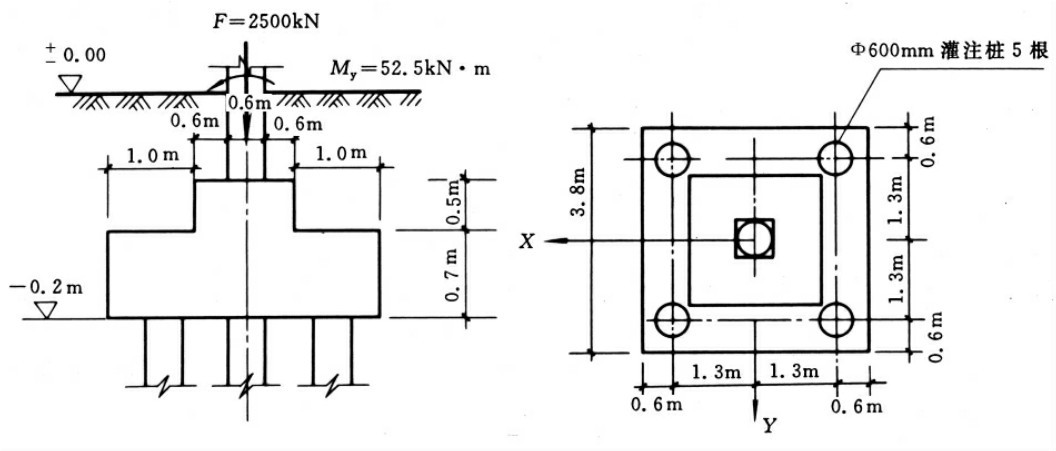
9-4 柱下矩形独立承台如图9-27所示,承台底面钢筋保护层为7cm,承台混凝土强度等级C25,其抗拉强度设计值ft=1.27MPa。试对承台进行验算。

答案 柱、角桩对承台冲切以及斜截面受剪都满足要求

图9-27 习题9-4图