1
土力学与基础工程
1.12.3 8.3 基础埋置深度的选择

8.3 基础埋置深度的选择

基础的埋置深度(简称埋深)是指基础底面到天然地面的垂直距离。选择合适的基础埋置深度关系到地基的可靠性、施工的难易程度、工期的长短以及造价的高低等。在满足地基稳定和变形要求的前提下,当上层地基的承载力大于下层土时,宜利用上层土作持力层。除岩石地基外,一般基础埋深不宜小于0.5m。影响基础埋深的条件很多,应综合考虑以下因素后加以确定。

8.3.1 建筑物的用途、类型、荷载大小和性质

确定基础的埋深时,首先要考虑到是建筑物在使用功能和用途方面的要求。

如果有地下室、设备基础和地下о ,基础的埋深要结合建筑设计标高的要求确定。用砖石等脆性材料砌筑的▂ 扩展基础,为了防止基础本身材料的破坏,基础的构造高度往往很大,因此,▂ 扩展基础的埋深要大于钢筋混凝土柔性基础。

高层建筑基础的埋置深度应满足地基承载力、变形和稳定性要求。位于岩石地基上的高层建筑,其基础埋深应满足抗滑稳定性要求。在抗震设防区,除岩石地基外,一般天然地基上的箱形和筏形基础其埋置深度不宜小于建筑物高度的1/15;桩箱或桩筏基础的埋置深度(不计桩长)不宜小于建筑物高度的1/18。对于作用有较大水平荷载的基础,还应满足稳定要求。当这类基础建筑位于岩石地基上时,基础埋深还应满足抗滑要求。对于受有上拔力的结构(如输电塔)基础,也要求有较大的埋深,以满足抗拔要求。

8.3.2 工程地质和水文地质条件

根据工程地质条件选择合适的土层作为基础的持力层是确定基础埋深的重要因素。直接支撑基础的土层称为持力层,其下的各土层称为下卧层。必须选择强度足够、稳定可靠的土层作为持力层,才能保证地基的稳定性,减少建筑物的沉降。

中国沿海软土地区多为沉积土,沉积土是分层的,由于土层在沉积过程中条件的变化,各土层的工程性质差异很大,其物理和力学强度指标也有较大的差异。特别在上海、福州、宁波、天津、连云港、温州等地区,软土土层松软,孔隙比大,压缩性高,强度低,且其厚度深厚,是不良的持力层,但在其地表大多有一层厚度约2~3m的“硬壳层”,对于一般中小型建筑物或6层以下的居民住宅,宜充分利用这一硬壳层,基础应尽量浅埋在这一硬壳层上。

当上层土的承载力低,而下层土的承载力高时,应将基础埋置在下层好的土层上。但如果上层松软土层很厚,基础需要深埋时,必须考虑施工是否方便,是否经济,并应与其他如加固上层土或用短桩基础等方案综合比较分析后才能确定。

当基础埋置在易风化的软质岩层上时,施工时应在基坑挖好后立即铺筑垫层,以免岩层表面暴露后风化软化。

当有地下水存在时,基础底面宜埋置在地下水位以上。若基础底面必须埋在地下水位以下时,应考虑施工时的基坑排水、坑壁支撑等措施,以及地下水有否侵蚀性等因素,并采取地基土在施工时不受扰动的措施。

8.3.3 相邻建筑物基础埋深的影响

在城市房屋密集的地方,往往新旧建筑物距离较近,为了保证在新建建筑物施工期间,相邻的原有建筑物的安全和正常使用,新建建筑物的基础埋深不宜深于相邻原有建筑物的基础埋深。有的新建建筑物荷载很大,楼层又高,而基础埋深又一定要超过原有建筑物的基础埋深,此时,为了避免新建建筑物对原有建筑物的影响,设计时应考虑与原有基础保持有一定的净矩。其距离应根据荷载大小和土质条件而定,一般取相邻两基础底面高差的1~2倍,如图8-8所示。若上述要求不能满足,也可以采用其他措施,如分段施工,设临时加固支撑、板桩、水泥搅拌桩挡墙或地下连续墙等施工措施,或加固原有建筑物地基。

图8-8 埋深不同的相邻基础

8.3.4 地基土冻胀和融陷的影响

在季节性冻土地区,冬季,地面下一定厚度的土层处于土中水的冰点以下,土中含有的水分会冻结形成冻土;而当温度升高时,冻土又融化,每年冻融交替一次。我国这种季节性冻土分布很广,季节性冻土层厚度一般在50cm以上,最厚达3m。

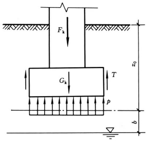
细粒土层(黏土、粉质黏土、粉土和粉砂)有冻胀的特点。若基础埋于冻胀土内,由于土体膨胀在基础周围和基础底部,产生冻胀力和冻切力使基础上抬(图8-9),造成门窗不能开启,严重的甚至引起墙体开裂。当温度升高土体解冻时,又由于土中水分的高度集中,使土质变得十分松软而引起融陷,且建筑物各部分的融陷也是不均匀的。多次冻融会使建筑物遭致严重的破坏。所以,在季节性冻土地区,基础埋置深度宜大于冻结深度。

图8-9 作用在基础上的冻胀力p和冻切力T

注:图中Fk,Gk含义参见公式(8-12)符号说明

影响冻胀的因素主要有土的粒径大小、土中含水量的多少以及地下水补给的可能性等。对于结合水含量极少的粗Η 土,因不发生水分迁移,故不存在冻胀问题。而在相同条件下,黏性土的冻胀性就比粉砂严重得多。细粒土的冻胀与含水量有关,如果冻胀前,土处于含水量很少的坚硬状态,冻胀就很微弱。冻胀程度还与地下水位高低有关,若地下水位高或通过毛细水能使水分向冻结区补充,则冻胀较严重。根据冻胀对建筑物危害的严重程度,可将地基土的冻胀性划分为不冻胀、弱冻胀、冻胀、强冻胀和特强冻胀五类。

8.3.5 补偿基础概念

在软土天然地基上建造重型建筑物,会有很大的固结沉降。为了减小拟建建筑物的沉降量,除了地基处理或桩基础措施外,选用补偿基础是一种很好的基础形式。众所周知,建筑物的沉降是与建筑物基底附加压力成正比的,因此,理论上当建筑物基底附加压力为零时,建筑物的沉降也为零。基底附加压力p0公式为:

p0=NA-γmd(8-1)

式中 N——作用在基底的荷载,k N;

A——基础底面积,m2

d——基础的埋深,m;

γm——埋置深度内土重度的加权平均值,k N/m3

当建筑物的设计一旦确定后,作用在基底的荷载N也相应确定了,因此,只能通过增加基础埋深d来减小基底附加压力p0,若基础的埋深d达到:

d=N Aγm (8-2)

此时,作用在基础底面的附加压力p0等于零,即建筑物的重力等于基坑挖去的总土重,这样的基础称为全补偿基础;若N/A大于γmd,则称为部分补偿基础。以上二者统称为补偿基础。

全补偿基础理论上其沉降等于零,实际上由于基底土的扰动及开挖回弹,全补偿基础仍有微量沉降。

补偿基础通常为具有地下室的箱形基础和筏板基础,由于地下室的存在,基础具有大量空间,免去大量的回填土,就可以用来补偿上部结构的全部或部分压力。

补偿基础的埋深一般很深,因此需要进行深基坑开挖,若在强度很低的软土中开挖深基坑,开挖过程中的一切可能发生的问题均需要引起注意,如坑壁的稳定问题、坑底回弹问题等均要验算。