1
土力学与基础工程
1.6.6 习 题

习 题

2-1 如图2-25所示为某地基剖面图,各土层的重度及地下水如图,试求土的自重应力并绘出应力分布图。

图2-25 习题2-1图

2-2 有一基础,埋置深度d=1.5m,建筑物荷载及基础和台阶土重传至基底总应力为100k Pa,若基底以上土的重度为18k N/m3,基底以下土的重度为17k N/m3,地下水位在地表处,则基底竖向附加应力为多少?

答案 88.0k Pa

2-3 一矩形基础,短边b=3m,长边l=4m,在长边方向作用一偏心荷载Fk+Gk=1440k N,偏心距e=0.7m。试问基底最大压应力pkmax为多少?

答案 246.0k Pa

2-4 甲乙两个基础的l/b相同,且基底平均附加应力相同,但它们的宽度不同,b甲>b乙,基底下3m深处的应力关系如何?

答案 σz(甲)>σz(乙)

2-5 已知某工程为矩形基础,长度为14.0m,宽度为10.0m,如图2-26所示。求深度10m处,长边中心线上基础以外6m的A点的竖向附加应力为矩形基础中心O点的百分之几?

答案 19.5%

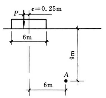
2-6 已知某条形基础,宽度为6m,竖向集中荷载P=2400k N/m,如图2-27所示,偏心距e=0.25m。计算基础外相距3.0m、地下深度9.0m处A点的附加应力。

答案 81.3k Pa

2-7 已知地面一点作用有集中力F=1000k N。求集中力轴线下(r=0)不同深度区处的σz和z=3m处水平面上σz的分布示意图。

图2-26 习题2-5图

图2-27 习题2-6图