知识点三、EV电机的构造、原理与控制
1.直流电机的构造原理与控制
电动汽车直流电机的构造如图2-51所示,一般由定子(磁极等固定部分)和电枢(转子等部件)组成。

图2-51 直流电机构造
a)电机外形;b)电机组成
(1)定子 定子包括主磁极、转向磁极、机座、端盖及刷架等。
1)主磁极。磁极是产生磁场的,主要由三部分组成:铁心、极靴和励磁绕组,如图2-52所示。当励磁线圈通过直流电时,铁心就成为一个固定极性的磁极。主磁极的数目有2极、4极、6极等。主磁极的铁心采用1mm厚的薄钢片叠成,并用螺栓固定在机座上。极靴可挡住套在铁心上的励磁绕组,并使空气隙中的磁通密度分布均匀。

图2-52 磁极构造
a)磁极总体组成;b)磁极剖视
2)换向磁极。当电枢绕组中的线圈电流换向时,与该线圈相连的换向片同电刷之间会产生火花。为了减小火花,改善换向性能,通常在两个主磁极的中间装一个换向磁极(又称间极),如图2-53a所示,其铁心一般采用整块扁钢,大容量电机才采用薄钢片叠成。其励磁绕组的匝数较少,导线较粗,与电枢绕组串联。换向磁极的极性应与前面主磁极的极性相同,如图2-53b所示。这就是说,如果一台电动机从换向器侧去看是逆时针方向旋转,则顺着旋转方向,间极极性应与前面主磁极的极性相同。

图2-53 换向磁极
a)换向磁极的铁心;b)换向磁极的极性
3)机座。机座除了起支撑整个电机的作用外,还是磁路的一部分。由于钢比铸铁的导磁性能好,所以机座大多采用钢板焊接或铸钢制成。
4)端盖。电机机座的两端各装一个端盖,用以保护电机免受外界损害,同时支撑轴承,固定刷架。端盖通常用铸铁制成。

图2-54 电机刷架结构
5)刷架。刷架是将电源的直流电引入旋转电枢的一个重要部件,由刷杆座、刷杆、刷握和电刷等组成,如图2-54所示。刷杆座固定在端盖上。刷杆固定在刷杆座上。刷杆的根数与主磁极的数目相等。每根刷杆上装有一个或几个刷握,视电机的容量大小而定。电刷插在刷握中。电刷的顶上有一块弹簧压板,使电刷在换向器上保持一定的接触压力。
(2)电枢 电枢也称为转子,主要包括电枢铁心、电枢绕组、换向器、风扇及转轴等,如图2-55a所示。
1)电枢铁心。电枢铁心采用0.5mm的硅钢片叠成。硅钢片的两面涂有绝缘漆,先冲成

图2-55 电机电枢结构
a)电枢组件;b)电枢铁心
电枢冲片,然后再叠压成铁心。电枢铁心的外圆周上有均匀分布的槽,用来嵌放电枢绕组的线圈,如图2-55b所示。较大容量电机的电枢铁心沿轴向分成数段,段间留有8~10mm的径向风道,以改善冷却条件。小容量电机的电枢铁心上装有风翼,较大容量的电机则在轴上装有风扇。
2)电枢绕组。先用铜线或铜排绕成线圈,嵌入电枢铁心的槽内,然后按一定规则与换向片相连而成电枢绕组。槽内导线与槽壁之间需要很好的绝缘。槽口用槽楔固定,而在槽外的绕组端部用镀锌钢丝箍住,防止电枢绕组因离心力作用而发生径向位移。
3)换向器。换向器工作的好坏在很大程度上决定了电机运行的可靠性。它主要由紧压在一起的许多换向片组成,如图2-56所示。片间用云母片隔开。整个换向片组用V形钢环和螺旋压圈固定在钢套上。在换向片组和钢套、V形钢环间用特制的V形云母环和绝缘套筒来妥善绝缘。

图2-56 换向器
(3)直流电机励磁方式 供给励磁绕组电流的方式称为励磁方式,分为他励和自励两大类。自励方式又分并励、串励和复励三种方式。相应的电动机称为串励电机、并励电机和复励电机。
他励电机的励磁绕组与电枢绕组分别由两个不相关的直流电源来供电,如图2-57a所示,其励磁绕组又称为他励绕组。并励电机的励磁绕组与电枢绕组并联,由同一个直流电源供电,如图2-57b所示。与电枢并联的励磁绕组又称并励绕组。为了减小励磁电流和铜损耗,并励绕组的匝数较多,且用较细的导线绕成。串励电机的励磁绕组与电枢绕组串联,如图2-57c所示。与电枢串联的励磁绕组又称串励绕组。为了减小串励绕组的电压降和铜损耗,串励绕组的匝数较少,且用截面较粗的导线绕成。复励电机的主磁极上有两个励磁绕组:一个与电枢并联;另一个与电枢串联,如图2-57d所示。

图2-57 直流电机励磁方式
a)他励供电方式;b)并励供电方式;c)串励供电方式;d)复励供电方式
(4)直流电机的转速控制 最早的直流电机转速控制是由一串电阻器与电机串联或并联形成。电机的电压等于蓄电池电压减去电阻器上的电压降,并通过运用接触器短路一部分电阻而使电压升高。这种系统只适用于在额定转速运行和起动时只要求平稳加速的电动汽车驱动系统。虽然这种电阻控制方式简单且价廉,但由于大量的能量以热的形式损失了,因而其效率很低。另外,它不能进行平滑控制,因而运行不平稳。随着功率电子器件的迅速发展,电阻控制方式已被淘汰。
直流斩波控制方式由于体积小、质量轻、效率高、可控制性好。而且根据所选的加速度,能平稳加速到理想的速度,所以该控制方式在电力驱动领域得到了广泛应用。图2-58所示为用于直流电机速度控制的一象限直流斩波器。
四象限运行是指用X轴表示电机转速,Y轴表示电流,第一象限就是电动状态。四象限是指正向电动、正向发电、反向电动、反向发电。

图2-58 象限直流斩波控制
一象限直流斩波控制的工作原理是电流经蓄电池正极输出,经绝缘栅极双极型晶体管IGBT(Insulated Gate Bipolar Transistor)的集电极C和发射极E,再经电刷进入电机M的转子,电机的定子S,可以是线圈也可能是永磁体。驾驶人踏下加速踏板时,实际上就是电路在控制IGBT管的门极G的PWM波占空比加大,汽车减速时,若定子S为永磁,则电动机转为发电机发电,但发出的电流无法经IGBT将电流充入蓄电池。D是在IGBT关闭时给转子提供的放电回路。要想在第二象限工作。则可在IGBT的GE间反加一个大功率二极管,这时电机再生制动的能量就可以返回蓄电池了。
(5)IGBT结构原理与检测
1)IGBT结构。IGBT是MOSFET(场效应晶体管)与GTR(功率晶体管)的复合器件。它既有MOSFET易驱动的特点,又具有功率晶体管电压、电流容量大等优点。其频率特性介于MOSFEI与功率晶体管之间,可正常工作于几十k Hz频率范围内,故在较高频率的大、中功率应用中占据了主导地位。
如图2-59所示。GTR是
四层半导体组成,无
绝缘层;MOSFEI是
四层半导体组成,但有
绝缘层;IGBT是
五层半导体组成,有
绝缘层;图中黑色箭头代表正电子;白箭头代表负电子,仅有电子流动的为单极性管,有正负电子流动的为双极性管。

图2-59 IGBT等电子元件结构比较
2)IGBT工作原理。如图2-59所示。GTR是集电极C、基极B、发射极E三个电极,当B、E间通过一个小电流。则在C、E间有大电流流过,是电流放大电流的器件。
MOSFET是漏极D、栅极G、源极S三个极,当G、S间施加一个电压,则在D、S间有大电流流过,是电压放大电流的器件;
IGBT是集电极C、极栅G、发射极E三个极,当G、E间施加一个电压,则在、CE间有大电流流过,是电压放大电流的器件。
IGBT通过栅极驱动电压来控制的开关晶体管,工作原理同MOSFET相似,区别在于IGBT是电导调制来降低通态损耗。GTR电力晶体管饱和压降低,载流密度大,但驱动电流也较大。MOSFET驱动功率很小,开关速度快,但导通压降大,载流密度小。IGBT综合了两种器件的优点。驱动功率小而饱和压降低。图2-60所示为两单元IGBT功率模块。
3)IGBT使用注意事项。由于IGBT模块为MOSFET结构,IGBT的栅极通过一层氧化膜与发射极实现电隔离。由于此氧化膜很薄,其击穿电压一般仅能承受到20~30V,所以因静电而导致栅极击穿是IGBT失效的常见原因之一。因此,使用中要注意以下几点。

图2-60 两单元IGBT功率模块
①在使用模块时,尽量不要用手触摸驱动端子部分,当必须触摸模块端子时,要先将人体或衣服上的静电用大电阻接地进行放电后再触摸;在用导电材料连接模块驱动端子时,在配线未接好之前请先不要接上模块,在良好接地的情况下操作。在应用中有时虽然保证了栅极驱动电压没有超过栅极最大额定电压,但栅极连线的寄生电感和栅极与集电极间的电容耦合,也会产生使氧化层损坏的振荡电压。为此,通常采用双绞线来传送驱动信号,以减少寄生电感。在栅极连线中串联小电阻也可以抑制振荡电压。
②在栅极-发射极间开路时,若在集电极与发射极间加上电压,则随着集电极电位的变化,由于集电极有漏电流流过,栅极电位升高,集电极则有电流流过。这时,如果集电极与发射极间存在高电压,则有可能使IGBT发热及至损坏。
③在使用IGBT的场合,当栅极回路不正常或栅极回路损坏时(栅极处于开路状态),若在主回路上加上电压,则IGBT就会损坏,为防止此类故障,应在栅极与发射极之间串接一只10kΩ左右的电阻。
④在安装或更换IGBT模块时,应十分重视IGBT模块与散热片的接触面状态和拧紧程度。为了减少接触热阻,最好在散热器与IGBT模块间涂抹导热硅脂,安装时应受力均匀,避免用力过度而损坏。
⑤一般散热片底部安装有散热风扇,当散热风扇损坏散热片散热不良时将导致IGBT模块发热,从而发生故障。因此对散热风扇应定期进行检查,一般在散热片上靠近IGBT模块的地方安装有温度感应器,当温度过高时报警或停止IGBT模块工作。
4)IGBT管极性测量。判断极性首先将万用表拨在R×1k档,用万用表测量时,若某一极与其他两极阻值为无穷大,调换表笔后该极与其他两极的阻值仍为无穷大,则判断此极为栅极(G)。其余两极再用万用表测量,若测得阻值为无穷大,调换表笔后测量阻值较小,则在测量阻值较小的一次中,红表笔接的为集电极(C),黑表笔接的为发射极(E)。
5)如何检测判断IGBT管的好坏。IGBI管的好坏可用指针式万用表的R×1k档来检测,或用数字万用表的“二极管”档来测量PN结正向压降进行判断。
检测前先将IGBT管三只引脚短路放电,避免影响检测的准确度;然后用指针万用表的两支表笔正反测G、E两极及G、C两极的电阻。正常G、C两极与G、E两极间的正反向电阻均为无穷大;内含阻尼二极管的IGBT管正常时,E、C极间均有4kΩ正向电阻。
最后用指针万用表的红笔接C极,黑笔接E极,若所测值在3.左右,则所测管为含阻尼二极管的IGBT管,若所测值在50kΩ左右,则所测IGBT管内不含阻尼二极管。对于数字万用表,正常情况下。IGBT管的C、E极间正向压降约为0.5V。
综上所述,内含阻尼二极管的IGBT管检测,除红黑表笔连接C、E阻值较大,反接阻值较小外,其他连接检测的读数均为无穷大。测得IGBT管三个引脚间电阻均很小,则说明该管已击穿损坏;维修中IGBT管多为击穿损坏。若测得IGBT管三个引脚间电阻均为无穷大,说明该管已开路损坏。
早期新能源汽车通常采用直流有刷电机,该电机的优点是控制简单,技术成熟、系统简单、成本低。目前仍有少量新能源汽车使用直流有刷电机,如日本东京大学的UOT电动汽车采用直流串励电机,意大利菲亚特公司的900E/E2电动汽车用直流他励电机驱动,日本马自达汽车公司的BANGO电动汽车则采用直流并励电机。但是,直流有刷电机在车辆上使用存明显的缺点:功率密度低、效率低,由于电刷和机械换向器的存在导致电机的可靠性低。此外,机械换向器能力限制了直流有刷电机的容量、电压和转速。鉴于以上缺陷,新研制的新能源汽车已基本上不再考虑直流有刷电机。
2.三相感应式交流电机的构造原理
交流电机与直流电机相比,由于没有换向器,因此结构简单,制造方便,比较牢固,容易做成高转速、高电压、大电流、大容量的电机。
感应电机有两种类型,绕线式转子电机和笼型电机。由于绕线式感应电机成本高、需要维护、缺乏坚固性,因而没有笼型电机应用广泛,特别是在电动汽车的电力驱动中。笼型感应电机驱动除了具有无换向器电机驱动的共同优点外,还具有结构简单、坚固耐用、运行可靠、价格低廉、维护方便等优点,被众多EV所采用。
(1)三相感应式交流电机的构造 用于电力驱动的感应电机在结构原理上与工业中用的感应电机基本相同,主要由定子(固定部分)、转子(旋转部分)和一些附属部分组成,如图2-61所示。然而,这种电机需要专门设计,转子铁心和定子铁心由薄硅钢片叠加而成,以减少铁损,转子绕线鼠笼采用铜条以减少线圈损失,定子铁心采用C级绝缘,可直接用低粘度的油来冷却。采用铸铝机座来减小电机总质量。尽管电机的电压等级受电动汽车动力电池的数量、质量和类型的限制,但仍需合理地采用高电压和低电流的电机设计,以减少功率逆变器的成本和体积。

图2-61 本相感应式交流电机的构造
a)电机外观;b)电机分解图
(2)三相感应式交流电机的基本工作原理 基本原理依然是电磁感应原理,所不同的是采用三相定子绕组,引入三相电,产生旋转磁场,与转子产生的磁场相互作用,推动转子转动。
图2-62表示最简单的三相定子绕组AX、BY、CZ,它们在空间按互差120°对称排列,并接成星形与三相电源A、B、C相连。则三相定子绕组便通过三相对称电流:随着电流在定子绕组中通过,在三相定子绕组中就会产生旋转磁场(图2-62)。



当
绕组中无电流;
为负,BY绕组中的电流从Y流入
流出;
为正,CZ绕组中的电流从C流入Z流出;由右手螺旋定则可得合成磁场的方向如图2-62a所示。
绕组中无电流;
为正,AX绕组中的电流从A流入X流出;
为负,CZ绕组中的电流从Z流入C流出;由右手螺旋定则可得合成磁场的方向如图2-62b所示。
当
绕组中无电流;
为负,AX绕组中的电流从X流入A流出;
为正,BY绕组中的电流从B流入Y流出;由右手螺旋定则可得合成磁场的方向如图2-62c所示。

图2-62 旋转磁场的形成
可见,当定子绕组中的电流变化一个周期时,合成磁场也按电流的相序方向在空间旋转一周。随着定子绕组中的三相电流不断地作周期性变化,产生的合成磁场也不断地旋,因此称为旋转磁场。
旋转磁场的方向是由三相绕组中电流相序决定的,若想改变旋转磁场的方向,只要改变通入定子绕组的电流相序即可。交流感应电动机调速则采用变频器进行变频调速。
(3)三相异步电动机的机械特性电动机的转矩
与转差率
之间的关系曲线
或转速与转矩的关系曲线
称为电机的机械特性,以曲线形式表示即为特性曲线,图2-63为三相感应电机的机械特性曲线。
图2-63的
称为额定转矩,它是异步电机带额定负载时,转轴上的输出转矩。
称为最大转矩,又称为临界转矩,是电机可能产生的最大电磁转矩。它反映了电机的过载能力。最大转矩
与额定转矩
之比称为电机的过载系数λ,即
一般三相异步的过载系数在1.8~2.2之间,过载系数越大,电机克服超载能力越强。
图2-63的
称为起动转矩,为电机起动初始瞬间的转矩,一般的三相异步电机起动转矩是额定转矩的1~2.2倍。

图2-63 三相感应电机的机械特性曲线
电机在工作时,它所产生的电磁转矩的大小能够在一定的范围内自动调整以适应负载的变化,这种特性称为自适应负载能力。
在机械特性图中,存在两个工作区:稳定运行区和不稳定运行区。在机械特性曲线的ab段,当作用在电机轴上的负载转矩发生变化时,电机能适应负载的变化而自动调节达到稳定运行,故为稳定区。机械特性曲线的bc段,因电机工作在该区段时其电磁转矩不能自动适应负载转矩的变化,故为不稳定区。
(4)三相感应电动机的控制系统在纯电动汽车上,采用动力电池组和发电机作为电源,三相异步感应电机不能直接使用直流电源,另外,三相异步感应电机具有非线性输出特性。因此,在采用三相异步感应电机时,需要应用逆变器中的功率半导体交换器件,将直流电变换为频率和幅值都可以调节的交流电,来实现对感应式电机的控制。
感应电机驱动分为单电机型和多电机型。单电机驱动的结构,由三相笼型感应电机、三相电压型PWM逆变器、电子控制器、减速器和差速器组成。多电机系统由多个电机、多个逆变器、集中或分布式控制器和可变速比的变速器组成。
三相感应电机是专门设计的、并与驱动桥集成为一体;三相PWM逆变器具有再生制动的功能,并有轻微的谐波失真;电子控制器能完成电动机的各种驱动控制;采用固定速比的减速器提供爬坡时的低速大转矩。
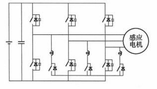
电压型三相PWM逆变器电路原理如图2-64所示,逆变电路中的开关器件由6只全控型器件IGBT组成逆变桥,另外还有三个开关元件,控制比较复杂。
3.永磁电动机
永磁电动机是采用永磁材料生成电机的磁场,无须励磁线圈和励磁电流,效率高结构简单,是很好的节能电机,随着高性能永磁材料的问世和控制技术的迅速发展,永磁电机的应用将会变得更为广泛。

图2-64 电压型三相PWM逆变器电路原理
(1)永磁材料 永磁体给电动机提供长久励磁。材料有铁氧体、铝镍钴、钐钴、钕铁硼等,广泛用在磁场元件中。高斯(G)和奥斯特(Oe)分别是磁通密度和矫顽力的非国际单位。铁氧体价格低廉,而且其去磁特性几乎是一条直线,是传统永磁电动机常用的永磁材料,但由于铁氧体的磁能积低(3.5),使电机体积相当庞大。铝镍钴材料剩磁高,但矫顽力低(0.6),抗去磁能力低,因而限制了它在电机中的应用。钐钴材料剩磁和矫顽力都相当高,但其昂贵的价格限制了它在电机中的广泛应用。钦铁硼永磁材料自从1983年被发现之后,由于它具有最高的剩磁和矫顽力,以及相对低的价格,使得它在永磁电机中具有很好的应用前景。永磁材料的另一重要参数是最大磁能积,它是用来衡量最大存储能量的。表2-11是典型永磁材料性能的主要情况。
表2-11 永磁材料的性能

永磁材料的特性通常与温度有关,一般永磁体随温度的增加而失去剩磁,如果永磁体的温度超过居里温度,则其磁性为零。磁钢在受到剧烈振动之后,有可能引起其内部磁畴发生变化,磁畴的磁矩方向发生变化后,就会造成磁钢退磁甚至失磁。所以使用中应该注意防止热退磁和振动退磁。
永磁电机可分为永磁直流电机和永磁交流电机。永磁直流电机又可分为永磁有刷直流电机和永磁无刷直流电机。
(2)永磁无刷直流电机 永磁无刷电机(图2-65)是一种高性能的电机,它的最大的特点是具有直流电机的外特性而没有换向器和电刷组成的机械接触结构。因此,永磁无刷直流电机运行可靠、寿命长、维修简便。永磁无刷电机与其他电机具有更高的能量密度和更高的效率。但永磁材料在温度过高时容易下降或出现退磁现象,这将导致电机性能下降或电机的损坏,在使用中必须严格控制。此外,在恒功率工作时,控制也很复杂,这都导致永磁无刷直流电机使用成本较高。
1)永磁无刷直流电机的结构。永磁无刷直流电机主要由电机本体、位置传感器和电子开关线路三部分组成,如图2-66所示。
电机本体由定子和转子组成。
定子采用叠片结构并在槽内铺设绕组的方式,绕组一般制成多相(三相、四相、五相不等),多做成三相对称星形接法,同三相异步电机十分相似。
电机的转子上粘有已充磁的永久磁钢,按一定极对数组成。目前采用的永磁材料主要有铁氧体、铝镍钴、钦铁硼稀土等。
位置传感器用于检测电机转子的位置,将转子磁钢的位置信号转换成电信号,为开关电路提供正确的换相信息。常见的有电磁式、光电式位和磁敏位置传感器,其原理如同现代汽车电控原理的各种相应传感器原理。

图2-65 永磁无刷直流电机结构
a)总体组成;b)定子;c)转子
电子开关线路由功率电子器件和集成电路等构成,其功能是接受电机的起动、停止、制动信号,以控制电机的起动、停止和制动;接受位置传感器信号和正反转信号,用来控制逆变桥各功率管的通断,产生连续转矩;接受速度指令和速度反馈信号,用来控制和调整转速;提供保护和显示等。

图2-66 三相两极直流无刷电机结构组成
三相定子绕组分别与电子开关线路中相应图2-66三相两极直流无刷电机结构组成的功率开关器件联结,A、B、C相绕组分别与功率开关管V1、V2、V3相接。位置传感器的跟踪转子,与电动机转轴相联结。
2)永磁无刷直流电机的工作原理。当定子绕组的某一相通电时,该电流与转子永久磁钢的磁极所产生的磁场相互作用而产生转矩,驱动转子旋转,再由位置传感器将转子磁钢位置变换成电信号,去控制电子开关线路(图2-67),从而使定子各项绕组按一定次序导通,定子相电流随转子位置的变化而按一定的次序换相。由于电子开关线路的导通次序是与转子转角同步的,因而起到了机械换向器的换向作用。

图2-67 永磁无刷直流电机工作原理框图
随着位置传感器的转动,定子绕组在位置传感器的控制下,便一相一相地依次供电,实现了各相绕组电流的换相。图2-68示出了各相绕组的导通顺序的示意图。

图2-68 各相绕组导通示意图
3)永磁无刷直流电机的控制。电机控制器是无刷直流电机正常运行并实现各种调速伺服功能的指挥中心。它主要完成以下功能:对各种输入信号进行逻辑综合,为驱动电路提供各种控制信号,产生PWM脉宽调制信号,实现电机的换相、调速、正反转、限流、短路、过流、欠压等故障保护功能。采用微机控制,控制原理如图2-69所示。

图2-69 永磁无刷直流电机的控制示意图
(3)永磁交流电机 与永磁无刷直流电机相比,都是由定子、永磁转子、位置传感器等组成,但是定子绕组绕制方式不同,控制方式不同,就产生不同的特性。永磁交流同步电机的工作磁场是均匀旋转磁场,因此转矩脉动量很小,运行噪声也很小,由于电流可以做得很接近正弦波,内部励磁磁场也可以做得接近正弦波,加之绕组设计配合,可以形成较为理想的同步调速系统。与永磁无刷直流电机的比较见表2-12。
表2-12 永磁交流电机与永磁无刷直流电机比较

4.开关磁阻电机(SRD)
(1)概述 开关磁阻电机调速系统(Switched Reluctance Drive,简称SRD)是继变频调速系统、无刷直流电机调速系统之后发展起来的最新一代无级调速电机(图2-70),是集现代微电子技术、数字技术、电力电子技术、红外光电技术及现代电磁理论、设计和制作技术为一体的光、机、电一体化高新技术。它兼具直流、交流两类调速系统的优点。产品功率等级从10W到5MW,最大速度高达100 000 r/min,广泛应用于家用电器、航空、航天、电子、机械及电动汽车等领域。

图2-70 开关磁阻电机
a)电机外观;b)定子;c)转子
开关磁阻电机明显的特点:所有电机中开关磁阻电动机结构最简单,在转子上没有滑环、绕组和永磁体等,只是在定子上有简单的集中绕组,因而可靠性高,维修方便;该电机的另一特点是调速范围宽、控制灵活、易于实现各种特殊要求的转矩一速度特性,且在很广的范围内保持高效率,因而更适合新能源汽车的动力性要求。该电机的缺点是控制复杂且可控性差,功率密度也不够理想,噪声大。
(2)开关磁阻电机的结构 一般开关磁阻驱动电机由开关磁阻电机、功率变换器、传感器和控制器四部分组成,其中开关磁阻电机起关键作用,它能将电能转变成机械能。
开关磁阻电机的定子和转子是采用凸极结构,定子和转子都是由硅钢片叠片组成,开关磁阻电机的定子和转子极数不同,有多种组合方式,最常见的为三相6/4结构(图2-71a)和四相8/6结构(图2-71b)。三相开关磁阻电机的定子上有6个凸极,转子上有4个凸极。四相开关磁阻电机的定子上有8个凸极,转子上有6个凸极。在定子相对称的两凸极上集中绕组互相串联,构成一相。但在转子上没有任何绕组。
(3)开关磁阻电机的工作原理 三相开关磁阻电机的工作原理如图2-72所示。当A相线圈接通电源产生磁通,依据“磁阻最小原理”,磁力线从最近的转子齿极通过转子铁心(图2-72a),磁力线可看成极有弹力的线,在磁力的牵引下转子开始逆时针转动,经过10°、20°(图2-72b),磁力一直牵引转子转到30°(图2-72c)为止,到了30°转子不再转动,此时磁路最短。
为了使转子继续转动,在转子转到30°前已切断A相电源,在30°时接通B相电源,磁通从最近的转子齿极通过转子铁心(图2-72d),于是转子继续转动。经过40°、50°,转到60°为止。

图2-71 开关磁阻电机的结构
a)三相6/4结构;b)四相8/6结构
在转子转到60°前切断B相电源,在60°时接通C相电源,磁通从最近的转子齿极通过转子铁心,转子又继续转动,一直牵引转子转到90°为止。
之后又重复前面过程,接通A相电源,转子继续转动,这样不停地重复下去,转子就会不停地旋转。这就是磁阻电机的工作原理。由于是运用了利用磁阻最小原理,故称为磁阻电机;又由于电机磁场并非由正弦波交流电产生,其线圈电流通断、磁通状态直接受开关控制,故称为开关磁阻电机。

图2-72 开关磁阻电机的工作原理
a)0℃角;b)10℃角;c)20℃角;d)30℃角;e)40℃角;f)50℃角
(4)开关磁阻电机控制系统 开关磁阻电机控制系统SRD主要由四部分组成:开关磁阻电机、功率变换器、控制器及位置检测器,如图2-73所示。

图2-73 开关磁阻电机控制系统组成
开关磁阻电机是SRD系统中实现能量转换的部件,也是SRD系统有别于其他电机驱动系统的主要标志。功率变换器向开关磁阻电机提供运转所需的能量,由蓄电池和交流电整流后得到的直流电供电。控制器是系统的中枢,它综合处理速度指令、速度反馈信号及电流传感器、位置传感器的反馈信息,控制功率变换器中主开关器件的工作状态,实现对开关磁阻电机运行状态的控制。位置传感器是SRD不可缺少的一部分,由它提供控制器转子位置信息,保证在合适的时刻接通或者断开。