1
房屋建筑学(第4版)
1.4.3.3 16.3 单层厂房天窗
16.3 单层厂房天窗

天窗的类型很多,有矩形、梯形、M形、锯齿形、三角形、下沉式等天窗(图16.58),单层厂房中常采用的天窗有钢筋混凝土矩形天窗、矩形避风天窗、井式天窗和平天窗。

图16.58 天窗类型

16.3.1矩形天窗

矩形天窗既可采光,又可通风,防雨水及防太阳辐射均较好,因此在单层厂房或双层厂房中广泛采用。 但矩形天窗的天窗架直接支承在屋架上弦节点上,增加了厂房的荷载,增大了厂房的体积和空间高度。 矩形天窗主要由天窗架、天窗端壁、天窗扇、天窗屋面板及天窗侧板5种构件组成(图16.59)。

(1)天窗架

天窗架是矩形天窗的承重构件,支承在屋架上弦节点上(或屋面梁的上翼缘上),所采用的材料一般与屋架相同,用钢筋混凝土或型钢制作。 钢筋混凝土天窗架的形式有Ⅱ形、W形及Y形等(图16.60)。

钢天窗架的形式有多压杆式及桁架式(图16.61)。

天窗架的跨度应根据厂房对天然采光和自然通风的要求来确定。 天窗架的扩大模数为300mm,即6000mm、9000mm、12000mm等。当钢筋混凝土天窗架的跨度为6m或9m时,为便于制作和安装,常采用两块预制构件拼装而成(图16.60);当跨度为12m时,则用3块预制构件进行拼装(图16.60)。因天窗架的跨度一般为屋架跨度的1/2~1/3,故跨度为6m的天窗架适用于跨度为12m,15m,18m的厂房;跨度为9m的天窗架适用于跨度为18m,24m,30m的厂房,也可用于跨度为21m及27m的厂房。跨度为12m的天窗架适用于跨度为24m,36m的厂房。天窗架的高度按所需天窗扇的排数和每排窗扇的高度确定,其尺寸见表16.7。

图16.59 矩形天窗

图16.60 钢筋混凝土天窗架形式

图16.61 钢天窗架形式

表16.7 钢筋混凝土Ⅱ形和W形天窗架尺寸(mm)

钢天窗架的特点是质量轻,制作、安装方便,但易腐蚀,用于钢屋架上,也可用于钢筋混凝土屋架上。 而钢筋混凝土天窗架只限用于钢筋混凝土屋架上。

(2)天窗端壁

矩形天窗两端起承重和围护作用的构件称为天窗端壁,常采用预制钢筋混凝土端壁板(图16.62),用于钢筋混凝土屋架。 为了节省钢筋混凝土端壁材料,将端壁板做成肋形板代替钢筋混凝土天窗架,支承天窗屋面板。

图16.62 钢筋混凝土天窗端壁构造

当天窗架跨度为6m时,端壁板由两块预制板拼接而成;天窗架跨度为9m时,端壁板由3块预制板拼接而成。 端壁板及天窗架与屋架上弦的连接均通过预埋铁件焊接。 寒冷地区的钢筋混凝土端壁板,在冷加工车间或需要保温的车间,应在其内表面加设保温层。

(3)天窗扇

矩形天窗设置天窗扇的作用主要是为了采光、通风和挡雨。 可用木材、钢材及塑料等材料制作天窗扇,因钢天窗扇具有坚固、耐久、耐高温、不易变形、关闭较严密等优点,故被广泛应用。 钢天窗扇的开启方式有两种:①上悬式。 特点是防雨性能较好,但窗扇上方开启角度不能大于45°,故通风较差。 ②中悬式。 特点是窗扇开启角度可达60°~80°,故通风较好,但防雨性能欠佳。

1)上悬式钢天窗扇

上悬钢天窗扇的高度有900mm,1200mm,1500mm三种标志尺寸。 根据天窗采光的需要,可组合成表16.1所列出的天窗扇的高度。

上悬钢天窗扇有通长式和分段式两种布置方式。

①通长式天窗扇(图16.63(a)) 它由两个端部固定的窗扇和若干个中间开后窗扇连接而成。 图示系由3个6m的柱距组合而成,也可由4个、5个、6个等柱距组合而成,其组合长度应根据矩形天窗的长度和选用天窗扇开关器的启动能力来确定。

②分段式天窗扇(图16.63(b)) 它是在一个柱距内设置天窗扇,开启及关闭较灵活(可用开关器),但窗扇用钢量较多。

以上两种天窗扇均需在开启扇与开启扇之间、开启扇与天窗端壁之间设固定扇,该固定扇起着窗框的作用。 防雨要求较高的厂房,应在固定扇的后侧设倾斜的挡雨扇,以防止从开启扇两侧飘入雨水(图16.63 2—2剖面图)。

上悬钢天窗扇的构造(图16.63 1—1和2—2剖面图),它是由上冒头、下冒头、边梃、窗芯、盖缝板、玻璃等组成。 在钢筋混凝土天窗架上部预埋铁板,用短角钢与预埋铁板焊接,再将通长角钢 100×8焊接在短角钢上,用螺栓将弯铁固定在通长角钢 100×8上,而上悬钢天窗扇的槽钢上冒头则是挂在弯铁上。 窗扇的下冒头为异型断面的型钢,天窗扇关闭时,下冒头位于横档或侧板外缘以利排水。 为控制天窗扇的开启角度,在边梃及窗芯的上方设止动片。

图16.63 上悬钢天窗扇

2)中悬式钢天窗

中悬式钢天窗扇因受天窗架的阻挡和受转轴位置的影响,只能分段设置,在一个柱距内设一樘窗扇。 我国定型产品的中悬钢天窗扇高度有900mm,1200mm,1500mm这3种,可以组合成一排、二排、三排等不同高度的中悬钢天窗扇。 窗扇的上、下冒头及边梃均为角钢,窗芯为上型钢,窗扇转轴固定在两侧的竖梃上,其构造方式如图16.64所示。

(4)天窗顶盖及檐口

天窗顶盖的构造处理一般与厂房屋顶的构造相同。 为保证天窗屋面雨水顺利地排除,并防止雨水飘入室内,天窗檐口处设置带挑檐的屋面板,挑出长度约500mm左右;采用上悬式天窗扇因防雨较好,挑檐可小于500mm;采用中悬式天窗及防止窗扇上方飘雨和溅雨,则挑檐应大于500mm。 雨量较大的地区,或天窗高度及宽度较大时,宜采用有组织排水,如图16.65所示。 图中3种方式均是将天窗屋面上的雨水先流入檐沟,然后用雨水管将雨水引到下部屋面。 寒冷地区天窗屋面及檐口处均需设置保温层。

图16.64 中窗钢天窗扇

图16.65 钢筋混凝土天窗檐口

(5)天窗侧板

天窗侧板是天窗扇下部的围护构件。 为防止雨水溅入车间及不被积雪挡住天窗扇,天窗扇下面设置天窗侧板,一般侧板高出屋面不少于300mm,但也不宜过高,过高会加大开窗架高度,对采光不利。

侧板的形式应与厂房屋盖结构相适应。 当屋盖采用无檩体系时,天窗侧板宜用槽形钢筋混凝土侧板(图16.66(a),(b))。 为便于安装,侧板长度与屋面板长度一致。 当屋盖采用有檩体系时,天窗侧板可采用石棉水泥瓦等轻质材料(图16.66(d))。 此外,也可在天窗口下设置角钢或钢筋混凝土下挡,然后在外侧搁置小型混凝土侧板(图16.66(c))。 侧板安装时应稍向外倾斜,以利排水。 侧板与屋面板交接处应作好泛水处理。 天窗侧板处是否设置保温层,应与屋面相一致。

由于天窗位置较高,需要经常开关的天窗,应设置开关器。 天窗开关器的类型较多,用于中悬天窗的有电动引伸式、手动水平拉杆式以及简易拉绳式等。 用于上悬天窗的有撑臂式开关器。

撑臂式开关器有电动和手动两种,其工作示意图如图16.67所示。 它是由联动钢管和传动螺杆构成传力杆件,用长短角钢作撑臂。 长臂A端铰接在传动杆上,B端铰接在钢窗下冒头上,短臂一端连接在支架上,另一端铰接在撑臂的中心C点上。 当启动电动机,传动杆件向左移动时,撑臂移至A′,B′,C′位置,窗扇开启。 如果采用手动撑臂式开关器,可取消电动机,在减速齿轮处装上链条来带动。 撑臂式开关器的性能见表16.8。

图16.66 钢筋混凝土侧板

图16.67 撑臂式开关器

表16.8 J811型撑臂式开关器开启参数

开关器在市场上有定型产品供应,建筑设计人员应了解它们的特性以及对建筑构造的要求,以便合理选用。

16.3.2 矩形避风天窗

矩形避风天窗是在矩形开窗两外侧加设挡风板而构成(图16.68)。 在南方地区,为增大天窗的排风量,矩形避风天窗可不设窗扇,其挡雨设施除采用大挑檐屋面板外,还可采用水平口挡雨片和垂直口挡雨板。 在寒冷地区,矩形避风天窗需设置窗扇,它既可以挡雨,又可以按季节调节窗扇开口大小。 矩形避风天窗也称为矩形通风天窗。

图16.68 天窗通风示意

(1)挡风板的形式及构造

1)挡风板的形式

挡风板由面板及支架两部分组成。 面板材料采用石棉水泥瓦、玻璃钢瓦、压型钢板等轻质材料。 支架主要采用型钢及钢筋混凝土制作,有立柱式和悬挑式两种(图16.69)。

图16.69 挡风板形式

2)挡风板的构造

①立柱式挡风板(图16.70(a)) 采用型钢或是钢筋混凝土立柱支承在大型屋面板纵肋处的柱墩上。 用支撑将柱和天窗架连接,以增加稳定性,但立柱式挡风板与天窗架的距离受到屋面板布置的限制。 若屋面采用有檩体系,则立柱支承在钢筋混凝土或钢檩条上,挡风板用螺栓固定在檩条上,其构造较复杂,故有檩体系的屋面很少采用立柱式的支承方式。

图16.70 挡风板的形式和构造

②悬挑式挡风板(图16.70(b)) 挡风板支架固定在天窗架上,屋面不承受挡风板的荷载,挡风板与天窗之间的距离不受屋面板的限制,布置比较灵活,但增加了天窗架的荷载,用料较多,对抗震不利。

挡风板可垂直或倾斜布置。 挡风板与窗口的距离(L),一般为窗口高度(h)的1.5~2.0倍。 为排除屋面雨水,挡风板壁与屋面间隙(D)需留出50~100mm的空隙,积雪地区可为100~200mm。 在天窗端壁处应设横向挡风板使两端封闭,挡风板适当位置设置小门,以方便对天窗及屋面的检修和清扫。 设有挡风板的天窗是开敞式天窗时,为防止雨雪飘入室内,可在天窗挡风板的支架上设置挡雨板。

(2)水平口挡雨片的构造

水平口挡雨片由挡雨片及支承部分组成。 挡雨片可用石棉水泥瓦、钢丝网水泥、钢筋混凝土、薄钢板等制作,支承部分有组合檩条、型钢支架及钢檩条、钢筋混凝土格架、钢格架等。 为增大挡雨片透光系数,可采用铅丝玻璃、钢化玻璃、玻璃钢瓦等透光材料。

1)石棉水泥瓦挡雨片(图16.71)

图16.71 石棉水泥瓦挡雨片

支承部分可采用钢筋组合檩条,用带丝扣的钢筋钩钩住檩条,丝扣端穿过石棉水泥瓦,加橡皮垫圈后用螺丝帽扣紧。 支承部分也可采用型钢支架,在其上焊接角钢檩条,用同样方法固定石棉水泥瓦。

2)钢丝网水泥挡雨片(图16.72)

支承部分采用钢筋混凝土格架,在格架的横肋上设插槽,横肋间距采用1~1.5m为宜,将钢丝网水泥挡雨片嵌入插槽内。 若采用钢筋混凝土挡雨片,其构造原理也相同。

图16.72 钢丝网水泥挡雨片

3)薄钢板挡雨片(图16.73)

支承部分采用钢格架,横肋间距常采用1m。 在横肋上焊接角钢,再采用螺栓固定其上的薄钢板挡雨片。

垂直口挡雨板的构造原理与开敞式外墙挡雨板构造类同。

图16.73 钢丝网水泥挡雨片

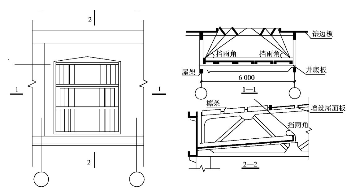
16.3.3 井式天窗

井式天窗是下沉式天窗的一种类型。

下沉式天窗是在拟设置天窗的部位,把屋面板下移铺放在屋架下弦上。 充分利用屋架上下弦之间的空间构成天窗。 它们与带挡风板的矩形天窗相比,由于省去了天窗架和挡风板,降低了厂房高度,减轻了屋盖、柱子和基础的荷载,因而用料较省,造价相应降低。 根据其下沉部位不同,常见有井式、纵向下沉和横向下沉3种类型(图16.74)。 现主要介绍井式天窗。

井式天窗是将屋面拟设天窗位置的屋面板下沉铺在屋架下弦上,形成一个凹嵌在屋架空间的井状天窗(图16.75)。 它具有布置灵活、排风路径短、通风性能良好、建筑结构合理、采光均匀等优点。

图16.74 下沉式天窗类型

图16.75 边井式天窗构造组成

井式天窗的布置方式主要有:一侧布置;两侧对称或错开布置;跨中布置(图16.76)。 两侧布置方式通风效果较好,局部阻力系数一般可小于或等于矩形通风天窗,屋面排水较简单,故热车间常采用。 跨中布置的通风效果较前者差,排水处理比较复杂,但可以利用屋架中部较高的空间作天窗,采光较好,故适用于对采光、通风均有一定要求的车间。

图16.76 井式天窗布置形式

井式天窗由井底板、空格板、挡风侧墙及挡雨设施4部分组成。

(1)井底板

井底板位于屋架下弦,有横向铺板和纵向铺板两种搁置方法。

①横向铺板(又称有檩方案)(图16.77) 在屋架下弦节点处搁置檩条,檩条上铺设井底板,井底板平行于屋架布置。 通常沿屋架方向每6m设一井。 横向铺板构造简单,施工吊装方便,采用较多,确定板的宽度时应使井底板的异形板与上部屋面板的异形板统一,尽量减少构件规格。

井式天窗垂直口高度受屋架结构高度的限制,而屋架节点、檩条、井底板四周的泛水还要占去一定的屋架高度。 为增大垂直口的通风面积,充分利用屋架上、下弦之间的空间,应尽可能地提高垂直口的净高。 其方法是采用:①下卧式檩条;②槽形檩条或L形檩条(图16.78)。这样可以争取约200mm的净高,同时槽形和L形檩条还兼起泛水的作用。

图16.77 横向辅板

图16.78 提高垂直口净高的两种方法

②纵向铺板(无檩方案) 井底板直接放在两根屋架下弦上,省去檩条可增加天窗垂直口的净空高度。 天井的水平口长度可以根据需要灵活布置(图16.79)。 但有的井底板会与屋架腹杆相碰,井底板必须采用异形板,做成卡口板或出肋板。 这种形式铺板吊装较困难,因此只在跨中布置井式天窗时采用纵向铺板。

(2)井式天窗挡雨设施

井式天窗通风口常不设窗扇而做成开敞式,因此在井口必须设置挡雨设施,其做法有5种:井口设挑檐板;井口设挡雨片;垂直口设挡雨板;垂直口设窗扇(与矩形避风天窗的挡雨设施类似);水平口设窗扇。

图16.79 纵向铺板

1)井口设挑檐板

由相邻层面直接挑出悬臂板,或者井口设檩条。 挑檐板放在檩条上,挑出长度应满足挡雨角的要求。 当井口面积不大时,挑檐将占去过多的天窗水平口面积,影响通风效果。 因此挑檐挡雨形式适用于柱距为9~12m及纵向下沉式天窗(图16.80)。

图16.80 井式天窗的井口窗格板

2)水平口设挡雨片

井上口铺设空格板,挡雨片固定在空格板上。 挡雨片的角度采用30°~60°。 材料可用石棉瓦、钢丝网水泥片、钢板、玻璃钢等,挡雨片的数量及其位置可按矩形避风天窗挡雨片的设置同样处理(图16.81)。

挡雨片固定的方法有:插槽法和焊接法(图16.82)。 插槽法是在空格板纵肋上预留槽口,将挡雨片插入槽内。 它安装方便但空格板制作较麻烦。 焊接法是在空格板纵肋两侧预埋铁件,将挡雨片的预埋铁件与纵肋预埋铁件焊接。 它制作方便,但增加铁件数量和焊接工作量。水平口设挡雨片,采光及通风较好。 井口上铺空格板,厂房的纵向刚度好,吊装也方便,但用料多,增加造价。

3)垂直口设挡雨板

在垂直口处一般设置一层或两层挡雨板。 既便于通风,又能防雨。 挡雨板与水平面的夹角小对抗风有利,但为了排水,不宜小于15°。 挡雨板的位置应满足挡雨角要求。 挡雨板的构造和用料与开敞式墙面的挡雨板相同。 常用钢支架支承石棉瓦或钢丝网水泥瓦的挡雨板。 在纵向垂直口也可设窗扇(图16.83)。

图16.81 水平口设挡雨片

图16.82 挡雨片固定方法

图16.83 垂直口设挡雨板

4)垂直口设窗扇

沿厂房纵向的垂直口呈矩形,窗扇开启方式可以采用上悬式或中悬式。 横向垂直口,尤其是靠两侧边井的垂直口,由于屋架上弦与井底板之间下呈矩形,又有屋架的腹杆阻挡,窗扇只可用上悬式,在此处设窗扇有两种形式:

①窗扇做成平行四边形,与屋架上弦平行(图16.84(a)),窗扇和窗框制作麻烦,玻璃损耗大;②采用矩形窗扇(图16.84(b)),窗扇两侧的缝隙作封闭处理。 由于窗扇沿屋架坡度设置,开启时窗扇受阻,耐久性较差。 横向垂直口采用中悬窗扇,通风好,开启方便,但窗扇的位置必须离开屋架一定距离,构造复杂。 采用上悬窗扇可沿屋架坡度设置,但通风较中悬窗扇差。 平开窗扇通风好,不利防雨,开关不便,因此两侧井式天窗横向垂直口设窗扇的很少。 如需设置窗扇,宜于跨中布置天井。

图16.84 横向垂直口窗扇形式

5)水平口设窗扇

水平口设置窗扇比较方便,但不如垂直口设窗扇密闭,有两种形式:一是中悬式,窗扇支承在空格板或檩条上,开启角度可以任意调整;二是推拉式,窗扇沿水平口两侧安装滑轮,窗扇沿水平口两边的导轨开启和关闭,因使用不便,较少采用。

(3)边井式天窗外排水

井式天窗因屋架上下弦分别有屋面板,排水处理较复杂。 排水方案的确定应考虑天窗位置、厂房高度、车间灰尘量大小及降雨量等因素。 排水方式有以下几种:

①无组织外排水 上层屋面及下层井底板的雨水均为自由落水,构造简单,施工方便,适用于降雨量较小(<1000mm)的地区及厂房高度不大的厂房(图16.85(a))。

②单层天沟外排水 上层屋面设通长檐沟的有组织排水,下层井底板为自由落水。 适于降雨量较大的(>1000mm)地区,烟尘量少的厂房(图16.85(b))。 上层屋面雨水自由落至下层通长沟内,下层天沟在屋面积灰较大的车间可兼作清灰走道(图16.85(c)),适宜于雨量较大及烟尘量较大的厂房,特别适宜上下屋面高差不大时采用。

③双层天沟外排水 上层屋面设通长或间断天沟,下层井底板外排水兼清灰的通长天沟。适于雨量大的地区及烟尘量多的厂房(图16.85(d))。

图16.85 下沉式天窗的排水方式

16.3.4 平天窗

平天窗由顶部平面采光,直接在屋盖的洞口装设透光材料而成。

(1)平天窗类型

平天窗可分为采光板、采光罩和采光带3种。

①采光板(图16.86) 是在屋面板上留孔,装设平板透光材料;或者抽掉一块屋面板加设檩条来设置透光材料。 一块板上可开设几个分开的小孔,做成小孔板;也可开设一个通长的比较大的孔或更大的孔,做成中孔或大孔采光板。

图16.86 采光板

②采光罩 是在屋面板上留孔设置弧形透光材料,如有机玻璃、玻璃钢、中空玻璃、夹胶玻璃等。 采光罩有固定和可开启两种,其刚度、抗冲击性能较平板好(图16.87)。

③采光带 是在屋面横向或纵向通长的孔洞上,设置透光材料。 采光口多为长条形,长度6m以上,根据屋面结构的不同形式,平行于屋架的为横向采光带,垂直于屋架的为纵向采光带(图16.88)。

平天窗的采光效率高,约为矩形天窗的2~3倍,布置灵活、采光均匀、构造简单、玻璃面积小、造价较低,故多用于冷加工车间。

图16.87 采光罩

图16.88 采光带

(2)平天窗构造要点

平天窗虽然类型很多,但构造要点基本上是相同的。 主要内容是井壁、横档、透光材料的选择和搭接,安全防护、防眩光、通风措施等。

1)井壁构造

井壁是平天窗采光口四周的边框。 井壁一般高出屋150mm左右,用以防水,暴雨或厚雪区可提高250mm以上,应大于积雪深度,但不宜过高,以免降低采光效率并增加屋面板的质量。

井壁的形式有垂直和倾斜两种。 大小相同的采光口,倾斜井壁的采光效率较垂直井壁高。井壁可用钢筋混凝土、薄钢板或玻璃纤维塑料等材料制成,钢筋混凝土井壁可与屋面板分别预制再现场焊接,或整体浇制。 薄钢板和玻璃纤维塑料井壁安装轻便,还可做成定型产品供应(图16.89)。

①整浇井壁(图16.90(a)) 井壁与屋面板整体制作,若有保温要求的车间应采用双层透光材料,两层材料间所形成的封闭空气间层具有保温性能。 采用油膏黏结透光材料与井壁。因为室内蒸汽及上层透光材料内表面温度达到露点产生凝结水时,凝结水可流向排水沟,再排至屋面,可将钢卡钩用木螺钉固定于井壁内的预埋木块上,使透光材料被卡钩卡住,以免透光材料下滑。 非保温整浇井壁只需设单层透光材料。

②预制井壁(图16.90(b)) 将预制屋面板与预制井壁的预埋铁件焊接成整体,透光材料与井壁用油膏黏结,钢卡钩固定于井壁的预埋木块上,再设置透光材料。 由于未设排水沟,适用于不产生凝结水的厂房。 若透光材料下表面会产生凝结水,则井壁应设排水沟。

图16.89 采光口井壁构造

图16.90 钢筋混凝土井壁细部构造图

2)玻璃搭接构造

平天窗的透光材料主要采用玻璃。 平天窗玻璃沿厂房纵向(如大孔采光板、采光带)均为两块或两块以上时,应设横档。 横档起支承和固定玻璃的作用,用木材、钢筋混凝土或钢材制作。 ①木制横档,耐久性差,易渗漏;②钢筋混凝土横档,玻璃与横档的结合及填缝均用油膏,采用双层玻璃以增大热阻;③┴形钢横档,玻璃与横档用油膏黏结,玻璃上表面两端部用油灰填缝防水;④L形钢横档,因下部有承水槽排水,防水可靠。 钢横档应用广泛(图16.91)。

图16.91 平天窗横档构造

当平天窗排水方向的玻璃有两块或两块以上时,两块玻璃之间必须搭接。 搭接长度不小于100mm,搭接方法有4种:卡钩不封口搭接、水泥砂浆封口、绳索或塑料管封口、油膏或油灰封口(图16.92)。

图16.92 玻璃上下搭接构造

3)安全防护

平天窗若采用非安全玻璃(如平板玻璃、磨砂玻璃等),为防止玻璃破碎掉下伤人,需设安全防护,如镀锌铁丝安全网。 安全网一般装在玻璃下面,固定在井壁的挂钩上或横档上,安全网易积灰,清扫困难,构造处理时应考虑便于更换。 在条件许可时应尽量采用安全玻璃,如钢化玻璃、夹丝玻璃、玻璃钢罩等。

4)防止太阳辐射及眩光措施

平天窗受直射阳光强度大,使室内过热,并产生眩光,损害视力,影响操作安全,应加以改善,一般可采取下列措施:

①选择扩散性能好、透热系数小的透光材料。 扩散性能好的透光材料,其辐射热透过系数也较小,并可减少眩光。 最好采用夹丝压花玻璃、钢化玻璃、透光率较高的玻璃钢等多功能透光材料;还可选用磨砂玻璃、压花玻璃(其下设安全网)等。

采用平板玻璃或钢化玻璃时,可在玻璃下表面用聚乙烯醇缩丁醛(P.V.B)粘贴玻璃丝布;或用环氧树脂(或聚酯树脂、聚酸乙烯乳液等)加5%滑石粉调成的半透明涂料刷在玻璃的表面上,还可在平天窗内设置遮阳格片。

②采用双层中空玻璃,中间留一定的空气间层,周围用橡胶条等密封,以达到一定的保温隔热效果,减轻或避免冷凝水的产生。

③采用吸热玻璃、热反射平板玻璃以及变色玻璃等特种玻璃防止或减轻太阳光的热辐射。

5)透风措施

平天窗的主要作用是采光,若需兼作自然通风时,有以下几种措施:

①采光板或采光罩的玻璃窗扇可做成能开启或关闭的形式(图16.93(a))。

图16.93 通风措施

②通风型的采光罩是在采光口的垂直面上分别安设玻璃和百叶,既可通风采光,又能防雨(图16.93(b))。

③组合通风型的采光罩是在两个通风型采光罩之间加设波型石棉瓦作为挡风侧板,可保证通风稳定(图16.93(c))。

④设计通风屋脊。 当通风屋脊宽度较大时,可用钢支架,上钻石棉瓦或屋面板。 若要防止飘雨,可在通风口两侧设挡雨片和挡风板,使排气稳定。 寒冷地区可采用活动挡风板的通风屋脊,以方便启闭(图16.93(d))。