1
房屋建筑学(第4版)
1.4.2.2 15.2 柱
15.2 柱

厂房中的柱由柱身(分为上柱和下柱)、牛腿及柱上预埋铁件组成,柱是厂房中的主要承重构件之一,在柱顶上支承屋架,在牛腿上支承吊车梁。 它主要承受屋盖和吊车梁等竖向荷载、风荷载及吊车产生的纵向和横向水平荷载。 有时还要承受墙体、管道设备等荷载。 故柱应具有足够的抗压和抗弯能力,设计中要根据受力情况选择合理的柱子形式。

15.2.1 柱的类型、特点及适用条件

柱的类型很多,按材料分有砖柱、钢筋混凝土柱、钢柱等;按截面形式分有单肢柱和双肢柱两大类。 目前一般多采用钢筋混凝土柱。

图15.5 钢筋混凝土柱的形式

(1)钢筋混凝土柱(图15.5)

钢筋混凝土柱按截面的构造尺寸分为:

①矩形柱 矩形柱截面有方形和长方形,多采用长方形,截面尺寸b×h,一般为400mm× 600mm,其特点是外形简单、受弯性能好、施工方便、容易保证质量要求。 但柱截面中间部分受力较小,不能充分发挥混弹簧土的承载能力,混凝土用量多,自重也重,仅适用于中小型厂房。

②工字形柱 工字形柱截面尺寸一般为400mm×600mm,400m×800mm,500mm× 1000mm等,与截面尺寸相同的矩形相比,承载力几乎相等,因为工字形柱就是将矩形柱横截面受力较小的中间部分的混凝土省去做成腹板,则可节约混凝土30%~50%。 若截面高度较大时,为了方便水、暖、电等管线穿过,又减轻柱的自重,也可在腹板上开孔。 但工字柱制作比矩形柱复杂。 在大、中型厂房内采用较为广泛。

③双肢柱 双肢柱由两根承受轴向力的肢杆和联系两肢的腹杆组成。 其腹杆有平腹杆和斜腹杆两种布置形式。 平腹杆双肢柱的外形简单,施工方便,腹杆上的长方孔便于布置管线,但受力性能和刚度不如斜腹杆双肢柱。 斜腹杆双肢柱是桁架形式,各杆件基本受轴向力,弯矩很小,较省材料。 当柱的高度和荷载较大,吊车起重量大于30 t,柱的截面尺寸b×h>600mm×1500mm时,宜选用双肢柱。

④管柱 管柱有单肢管柱和双肢管柱之分,单肢管柱的外形和等截面的矩形柱相似,可伸出支撑吊车架的肩梁(牛腿)。 双肢管柱的外形类似双肢柱,又可分为平腹杆双肢管柱和斜腹杆双肢管柱,管肢D为300~500mm,壁厚常用60mm左右,钢筋混凝土管柱在工厂预制,可采用机械化方式生产,可在现场拼装,受气候的影响较少,但因管的外形是圆的,设置预埋件较困难,与墙的连接也不如其他形式的柱方便。

(2)钢—钢筋混凝土组合柱

当柱较高,自重较重,因受吊装设备的限制,为减轻柱重时采用,其组合形式是上柱为钢柱。 下柱为钢筋混凝土双肢柱(图15.6)。

(3)钢柱

一般分为等截面和变阶形式两类柱。 它们可以是实腹式,也可以是格构式的,格构式柱的柱肢截面大多数是工字形的,也有管形的。 吊车吨位大的重型厂房适宜选用钢柱(图15.7)。

图15.6 钢—钢筋混凝土组合柱

图15.7 钢柱

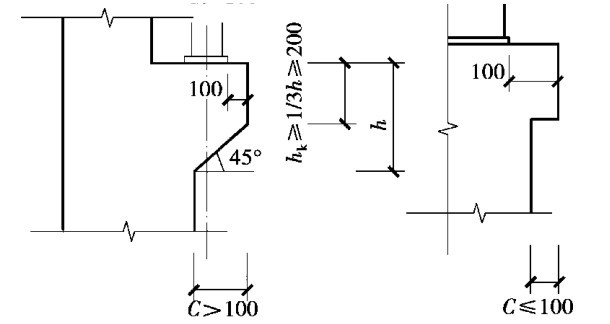
15.2.2 柱牛腿

单层厂房结构中的屋架、托梁、吊车梁和连系梁等构件,常由设置在柱上的牛腿支承,钢筋混凝土柱上牛腿有实腹式和空腹式之分,通常多采用实腹式牛腿,钢筋混凝土实腹式牛腿的构造要满足以下要求(图15.8):

图15.8 牛腿的构造要求

①为了避免沿支承板内侧剪切破坏,牛腿外缘高hk≥h/3≥200mm。

②支承吊车梁的牛腿,其外缘与吊车梁的距离为100mm,以免影响牛腿的局部承压能力,造成外缘混凝土剥落。

③牛腿挑出距离c大于100mm时,牛腿底面的倾斜角a≤45°。 否则会降低牛腿的承载能力;当c≤100mm时,a可以为0°。

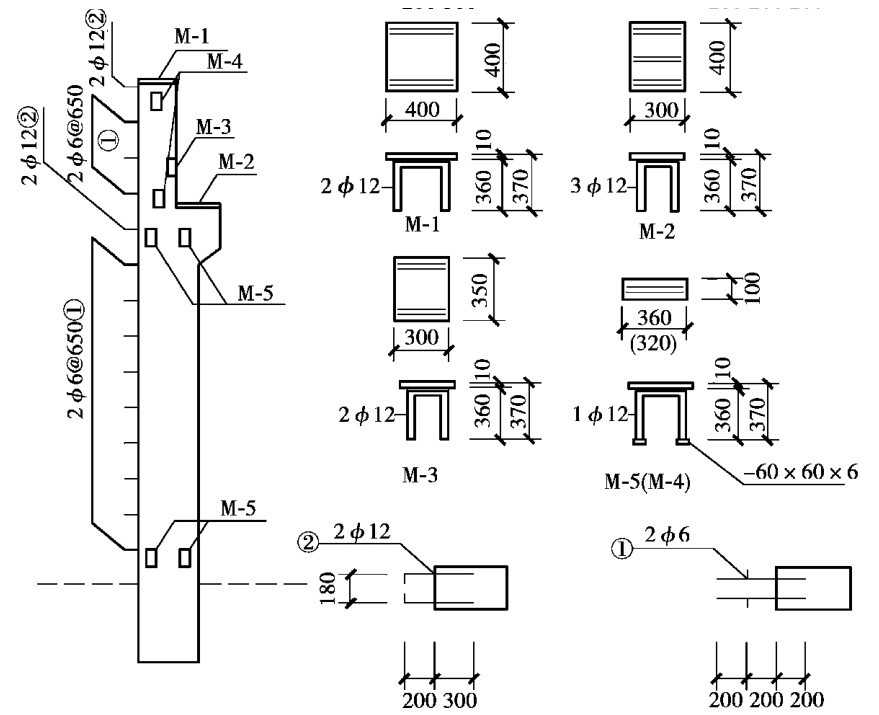
15.2.3 柱的预埋件

柱上除了按结构计算需要配置钢筋外,还要根据柱的位置以及柱与其他构件连接的需要等,要求在柱上预先埋设铁件。 如柱与屋架、柱与吊车梁、柱与连系梁或圈梁,柱与砖墙或大型墙板及柱间支撑等相互连接处,均需在柱上埋设如钢板、螺栓、锚拉钢筋等铁件。 因此,在进行柱子设计和施工时,应根据实际情况将所需预埋铁件的品种、数量、位置等核实清楚(图15.9)。

图15.9 钢筋混凝土柱上预埋铁件

M⁃1屋架支座;M⁃2,3连接吊车梁;M⁃4,5连接柱间支撑;

①连接墙体;②连接连系梁或圈梁