1
房屋建筑学(第4版)
1.4.1.3 14.3 单层厂房平面设计
14.3 单层厂房平面设计

14.3.1 平面设计与生产工艺的关系

单层厂房平面及空间组合设计是在工艺设计和工艺布置的基础上进行的,故生产工艺平面决定着建筑平面。 生产工艺是工业建筑设计的重要依据之一。 生产工艺平面包含工艺流程的组织、起重运输设备的选择与布置、工段的划分,生产工艺对厂房建筑设计的要求,如通风、采光、防震、防尘、防辐射等。

如图14.22所示是机械加工装配车间的生产工艺流程。 机械加工用的原材料,由铸工车间或仓库运来,一部分堆放着,另一部分直接送入机械加工工段,经车、钻、铣、刨、镗等机床进行机械加工,加工后的半成品送入装配车间进行总装配,装配完毕后进行试验或检验。 合格产品进行油漆包装,最后运至成品库。 如图14.23所示是根据图14.22的生产工艺流程及工艺提出的生产工艺流程平面图而设计的机械加工装配车间建筑平面图。 该平面是3个平行跨的厂房,原材料由①轴线上的3个大门进入车间,车间内有堆场、机械加工工段和装配段,产品由轴线上的大门运出。3个跨间内均可通行汽车和局部进入火车。 各跨分别设有两台吊车,B轴与轴线交汇处设转臂吊车。 室外有消防检修梯两台。 纵墙上有平开门,两山墙处有推拉门。

此外,生产状况、生产设备布置、起重运输设备等因素对厂房的平面设计均有不同程度的影响。

图14.22 机械加工装配车间生产工艺流程图

14.3.2 单层厂房平面形式及特点

厂房平面形式与工艺流程、生产特征、生产规模等有直接的关系。 常用的平面形式有矩形、T形、L形、Ⅱ型和Ⅲ形等(图14.24)。

采用多跨平面比采用单跨平面可以减少占地面积、运输路线简捷、外墙长度少、造价较低,缺点是构造复杂、采光不利。 生产中有大量余热与烟尘的车间,应加强通风、换气,L形、山形平面在热加工车间中采用较多。

图14.23 某机械加工装配车间平面图

1—高压配电;2—分压间;3—油漆调配;4—水压试验;5—工具分发室;6—中间仓库

图14.24 厂房平面形式

14.3.3 柱网的选择

厂房中,承重结构的柱子在平面上排列时所形成的网格称为柱网。 柱网的尺寸是由柱距和跨度组成的(图14.25)。 柱网的选择,其实质是选择厂房的跨度与柱距。 屋架或屋面梁的跨即为厂房的跨度,相邻两柱之间的距离称为柱距。 柱距和跨度尺寸必须符合国家规范《厂房建筑模数协调标准》(GB/T50006—2010)的有关规定。

(1)柱网尺寸的确定

选择柱网时,应满足生产工艺要求,并有利于建筑工业化。

1)跨度尺寸的确定(图14.26)

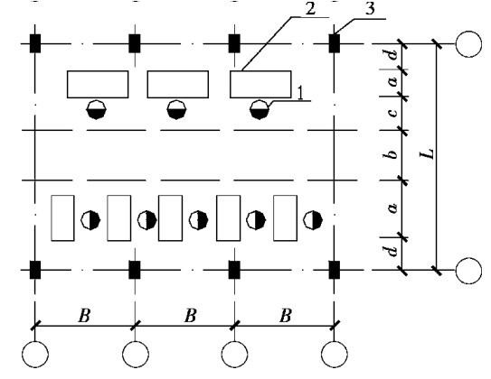
主要根据下列因素确定:①生产工艺中生产设备的大小及布置方式。 设备大,所占面积也大,设备呈横向或纵向安排,布置一排、两排或多排,都影响跨度的尺寸。 ②车间内部通道的宽度。 不同类型的水平运输设备,所需通道的宽度也不同,也影响跨度的尺寸。 ③根据①②项所得的尺寸,调整为符合《厂房建筑模数协调标准》(GB/T50006—2010)的要求。 当屋架跨度≤18m时,采用扩大模数30M的数列,即跨度尺寸是18m,15m,12m,9m及6m;当屋架跨度>18m时,采用扩大模数60M的数列,即跨度尺寸是18m,24m,30m,36m,42m等。 当工艺布置有明显优越性时,跨度尺寸可采用21m,27m,33m等。

图14.25 单层厂房平面柱网布置图

图14.26 跨度尺寸与工艺布置的关系

1—操作位置;2—生产设备;3—柱子;a—设备宽度或长度;b—通道宽度;c—操作宽度;d—设备与轴线间距;L—跨度;B—柱距

2)柱距尺寸的确定

我国单层厂房主要采用装配式钢筋混凝土结构体系,其基本柱距是6m,而相应的结构构件,例如基础梁、吊车梁、连系梁、屋面板、横向墙板等,均已配套成型,有全国通用的构件标准图集,设计、制作、安装都积累了丰富的经验。 当采用砖混结构的砖柱时,其柱距宜小于4m,可采用3.9m,3.6m,3.3m等。

(2)扩大柱网的尺寸及其优越性

为了使厂房有相应的灵活性和通用性,采用扩大柱网,也就是扩大厂房的跨度和柱距。 常用扩大柱网(跨度×柱距)为12m×12m,15m×12m,18m× 12m,24m×12m,18m×18m,24m×24m等。

扩大柱网的优点,是可以提高厂房面积利用率(图14.27),在6m柱距的厂房中,每一柱距内只能布置一台机床,若将柱距扩大到12m,减少了柱所占的结构面积,则每一柱距内布置3台机床,扩大了生产面积。 如机械工业中,柱网由12m×6m扩大至18m×12m时,使用面积可扩大9%,纺织工业由12m×9m扩大至24m×12m,其使用面积可扩大10%。

扩大柱网尺寸应主要是扩大柱距尺寸,而跨度尺寸一般都比柱距尺寸大,扩大柱网则可以采用大型机械设备,并可以减少横跨。 扩大柱网后,使生产工艺流程的布置有较大的灵活性。屋顶承重方案有两种(图14.28),有托架方案和无托架方案,采用无托架方案有利于实现建筑工业化。 选用何种方案,主要取决于施工技术水平和结构设计要求。

图14.27 扩大柱距后设备布置情况

1—扩大柱距省去柱子;2—扩大柱距后增加的设备

图14.28 扩大柱网屋顶承重方案

1—托架;2—屋架;3—跨度

14.3.4 厂房通道及有害工段的布置

为运送原材料、半成品、成品,方便工人操作,厂房内部要设通道。 通道应与疏散门连通,通道应有一定的宽度,一般以2m为宜。

一般将有生产余热、有害气体、有爆炸及火灾危险的工段布置在靠外墙处,以有利于通风。要求空调的工段,不宜靠外墙布置,应放在厂房的中部;有噪声的工段尽可能放在厂房的一角,并用墙将此工段隔开。

14.3.5 生活间

为了满足工人在生产过程前后的生产卫生及生活上的需要,为工人创造良好的劳动卫生条件,应该在车间附近设置卫生间。

(1)生活间的组成

生活间的组成内容根据生产性质、职工人数、男女职工比例、地区气候条件等因素确定,一般来说,生活间是用以满足职工在生产中的生活需要,如上厕所、更衣、淋浴等设置的专用房间。 它包括4个内容:

①生产卫生用房 如浴室、厕所、存衣室、盥洗室。 其面积大小和卫生用具的多少是按车间的卫生特征级别确定的。 我国卫生部颁布的《工业企业设计卫生标准》(GBZ1—2010)将车间卫生特征分为4级。1级和2级的车间设有车间浴室;3级是在车间附近或在厂区设有集中浴室;4级是在厂区或居住区内设有集中浴室。 存衣室内存衣方式有闭锁式存衣柜、开放式存衣柜或挂衣钩三种。

②生活福利用房 如休息室、女工卫生室、哺乳室、饮水室、小吃部、保健站等。 浴室、盥洗室、厕所的设计计算人数按最大班工人人数93%计算。

③行政办公用房 如党、政、工、团办公室及会议室、值班室、计划调度室等。

④生产辅助用房 如工具室、材料库、计量室等。

(2)生活间设计的原则

生活间设计的原则应本着“有利生产、方便生活”的要求进行:①生活间应有良好的朝向及采光和通风的条件;②生活间应尽量安排在工人上下班的出、入口处;③生活间不应放在有粉尘、毒气和其他有害气体的下风向;④生活间应尽量集中,男女分设;⑤为节约用地和投资,尽可能将几个车间的生活间合并设置。

(3)生活间的布置方式

生活间的布置方式有3种:

①毗连式生活间 紧靠车间小墙或纵墙布置的生活间称为毗连式生活用房(图14.29)。它与车间之间联系方便,因共用一道墙,所以节约材料,寒冷地区对车间的保温有利,但它不同程度地影响着车间的采光与通风;车间内有较大振动、灰尘及高温时,对生活用房干扰比较大。

②独立式生活间 生活用房单独建立,与车间有一定距离。 多用于热加工或散发有害气体及振动较大的车间(图14.30)。 这种形式的生活用房与车间的采光、通风及结构方案互不影响,生活间布置灵活,但它占地较多。 若它们之间的距离较大时,联系不方便,在寒冷地区或多雨地段宜采用通廊天桥或地道与车间连接。

图14.29 毗连式生活用房

图14.30 独立式生活用房

③车间内部式生活间 在生产工艺和生产状况允许的前提条件下,生活用房布置在车间内部可以充分利用室内空间,如柱间或内墙附近,它具有使用方便、经济合理、节约面积的优点,但对车间的通用性受到约束。

生活间的建筑设计原理与民用建筑相同,可参阅有关章节内容。