1
房屋建筑学(第4版)
1.3.1.4 1.4 建筑模数与尺寸定位
1.4 建筑模数与尺寸定位

1.4.1 建筑模数种类

为了使建筑制品、建筑构配件和组合件实现工业化大规模生产,使不同材料、不同形式和不同制式的建筑构配件、组合件具有较大的通用性和互换性,以加快设计速度、提高施工质量和效率,降低建筑造价,国家制定了《建筑模数协调标准》(GB/T50002—2013)。

(1)基本模数

基本模数是模数协调中的基本尺寸单位,其数值规定为100mm,符号为M,即1M=100 mm。 整个建筑物和建筑物的一部分以及建筑部件的模数化尺寸,应是基本模数的倍数,目前世界上绝大部分国家均采用100mm为基本模数值。

(2)导出模数

导出模数分为扩大模数和分模数,其基数应符合下列规定:

①扩大模数,指基本模数的整倍数,扩大模数应为2M、3M、6M、9M、12M…。

②分模数,指基本模数的分数值,分模数的基数为M/10、M/5、M/2共3个,其相应的尺寸为10、20、50mm。

1.4.2 模数数列

模数数列按照功能性和经济性原则进行确定,包括水平基本模数、竖向基本模数和分模数三类,各项类别的具体内容如下:

①水平基本模数,包含水平基本模数和水平扩大模数数列,适用范围为建筑物的开间或柱距,进深或跨度以及梁、板、隔墙和门窗洞口宽度等分部件的截面尺寸,且水平扩大模数数列宜采用2n M、3n M(n为自然数);

②竖向基本模数,包含竖向基本模数和竖向扩大模数数列,适用于建筑物的高度、层高和门窗洞口高度等,且竖向扩大模数数列宜采用n M;

③分模数、构造节点和分部件的接口尺寸等宜采用分模数数列,且分模数数列宜采用M/10、M/5、M/2。

1.4.3 模数协调原则

(1)模数网格

模数网格可由正交、斜交或弧线的网格基准线(面)构成(图1.6),连续基准线(面)之间的距离应符合模数,不同方向连续基准线(面)之间的距离可采用非等距的模数数列(图1.7)。模数网格可采用单线网格,也可采用双线网格(图1.8)。

对于模数网格的选用也有其相应的规定。 结构网格宜采用扩大模数网格,且优先尺寸应为2n M、3n M模数系列;装修网格宜采用基本模数网格或分模数网格;隔墙、固定厨具、设备、管件等部件宜采用基本模数网格;构造做法、接口、填充键等分部件宜采用分模数网格。 分模数的优先尺寸应为M/2、M/5。 相邻网格基准线(面)之间的距离可采用基本模数、扩大模数或

分模数,对应的模数网格分别称为基本模数网格、扩大模数网格和分模数网格(图1.9)。 而对于模数网格在三维坐标空间中构成的模数空间网格,其不同方向的模数网格可采用不同的模数(图1.10)。

图1.6 模数网格的类型

图1.7 模数数列非等距的模数网格

图1.8 单线模数网格和双线模数网格

(2)部件定位

每一个部件的位置都应位于模数网格内。 部件占用的模数空间尺寸,应包括部件尺寸、部件公差(部件或分部件在制作、放线或安装时的允许偏差的数值),以及技术尺寸(模数尺寸条件下,非模数尺寸或生产过程中出现误差时,所需要的技术处理尺寸)所必需的空间(图1.11)。

部件定位可采用中心线定位法、界面定位法,或者中心线与界面定位法混合使用的方法(图1.12)。 定位方法的选择应符合部件受力合理、生产方便、优化尺寸和减少部件种类的需要,满足部件的互换、位置可变的要求,并且应优先保证部件安装空间符合模数,或满足一个及以上部件净空尺寸符合模数。

图1.9 采用不同模数的模数网络

图1.10 非等距模数数列在模数空间网格中的应用示例

图1.11 部件占用的模数空间

e1、e2、e3—部件尺寸(可为模数尺寸或非模数尺寸);n1M、n2M—模数占用空间

图1.12 部件定位的方法

1—外墙;2—柱、墙等部件

确定部件的基准面也有其相应的规定内容。 两个以上的基准面相互平行或者正交、斜交时应标出基准面之间夹角的大小;两个基准面之间的距离应符合模数要求,同一功能部位部件基准面的确定方法应统一(图1.13);相互关联的部件应根据与部件基准面的相对位置关系设置部件的调整面(图1.14)。

部件的安装应根据设立的安装基准面进行。 安装基准面的确定应符合下列规定:

多个安装基准面平行排列时,应以其中一个安装基准面为初始基准面,其他安装基准面应按与初始基准面的相对距离确定自身所在的位置(图1.15);两个安装基准面之间可根据需要插入辅助基准面,辅助基准面应在安装基准面确定后设立(图1.16)。

图1.13 同一功能部位部件基准面的确定

1—基准面;2—调整面

图1.14 部件基准面与调整面

1—基准面;2—调整面;3—装配空间;4—基准面与调整面存在转配空间;5—基准面与调整面一致;6—调整面超过基准面

图1.15 多个安装基准面的定位

X0、Y0—安装基准面的初始基准面

图1.16 辅助安装基准面的设立

X1⁃1、X1⁃2—辅助安装基准面;X1、X2—基准面

图1.17 部件的尺寸

1—部件;2—基准面;3—装配空间

(3)优先尺寸

1)优先尺寸是指从模数数列中事先排选出的模数和扩大模数尺寸

部件的尺寸在设计、加工和安装过程中的关系应符合下列规定(图1.17):

①部件的标志尺寸应根据部件安装的互换性确定,并应采用优先尺寸系列;

②部件的制作尺寸应由标志尺寸和安装公差决定;

③部件的实际尺寸与制作尺寸之间应满足制作公差的要求。

2)部件优先尺寸的确定应符合的规定

①部件的优先尺寸应由部件中通用性强的尺寸系列确定,并应指定其中若干尺寸作为优先尺寸系列;

②部件基准面之间的尺寸应选用优先尺寸;

③优先尺寸可分解和组合,分解或组合后的尺寸可作为优先尺寸;

④承重墙和外围护墙厚度的优先尺寸系列宜根据1M的倍数及其与M/2的组合确定,宜为150mm、200mm、250mm、300mm;

⑤内隔墙和管道井墙厚度优先尺寸系列宜根据分模数或1M与分模数的组合确定,宜为50mm、100mm、150mm;

⑥层高和室内净高的优先尺寸系列宜为n M;

⑦柱、梁前面的优先尺寸系列宜根据1M的倍数与M/2的组合确定;

⑧门窗洞口水平、垂直方向定位的优先尺寸系列宜为n M。

1.4.4 模数网格协调

部件在单线网格中的定位应采用中心线定位法(图1.18)或界面定位法(图1.19),而当在双线网格中,其定位采用界面定位法(图1.20),若部件同时在双线网格和单线网格中混合使用,那么,其定位可采用中心线定位法或界面定位法,或同时使用两种定位方法。

图1.18 单线网格中的中心线定位法

图1.19 单线网格中的界面定位法

图1.20 双线网格中的界面定位法

①部件与模数网格或模数网格之间的调整宜符合下列规定:

a.部件与模数网格间的关系协调可从中心定位面开始,也可从界面定位面开始。 单线网格的调整宜从部件的中心位置开始,双线网格宜从部件的面开始;

b.在同一建筑中,可采用多个模数网格,各模数网格间可重叠、交叉、中断,且互相可不平行,原点可相互独立;

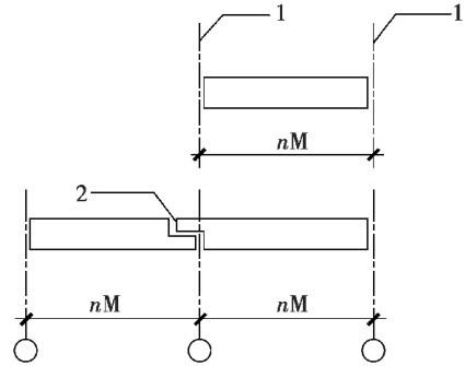
c.模数网格间可用中断区调整两个或两个以上模数网格之间的关系,网格中断区可是模数的,也可是非模数的(图1.21、图1.22)。

②部件所占空间的模数协调应按下列规定进行处理:

a.需要装配并填满模数部件的空间,应优先保证为模数空间;

b.不需要填满或不严格要求填满模数部件的空间,可以是非模数空间;

c.当模数部件用于填满非模数空间时,应采用技术尺寸空间处理。

③部件安装后剩余空间的模数协调应按下列规定进行处理:

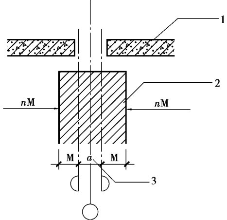
a.部件根据安装基准面定位时,应优先保证剩余空间为模数空间;

b.在模数空间中,上道工序部件的安装应为下道工序留出模数空间,下道工序安装部件的标志尺寸应符合模数空间的要求(图1.23)。

图1.21 模数网格中断区

1—分隔部件;2—中断区;3—模数网格

图1.22 模数网格中断区

1—水平部件;2—垂直部件(承重支点);3—非模数间隔中断区

图1.23 部件所占空间的模数协调

1—结构柱;2—墙板;e,e′—模数中断区