2015年5月10日 驾驶员差错+制造方未警示和提醒操作者+设计缺陷+训练缺陷导致飞机冲出跑道
1 概述
2015年5月10日,幸福航空有限责任公司(以下简称幸福航)MA60/B-3476 号机执行义乌-福州的JR1529 航班任务,飞行前机组未将飞行慢车电磁锁设置在上锁位。在福州机场03 号跑道着陆过程中,机组在无线电高度约46 英尺收油门时,功率杆向后越过飞行慢车机械锁位,拉至飞行慢车位以下,双发动力均小于飞行慢车,螺旋桨逐步失去正拉力,进入反桨状态,航空器空气动力性能遭到破坏,在距地面27英尺飞机开始加速下坠,最终以1500 英尺/分钟的垂直速度接地,接地载荷5.92G。螺旋桨打击地面,飞机最终停在距跑道入口565 米的右外侧草地上,机尾距跑道右边线15 米,机头方向45 度磁航向(与跑道交叉15 度)。
飞机整个机翼水平面向前倾斜约20 度,机翼后部脱离机身上翘,发动机前部下垂触地,机身中部折断但未完全断开。左、右螺旋桨桨叶全部打断,左、右桨毂罩均脱落在接地点附近约50 米处,前后有两片较大块桨叶。右发一片桨叶插入右机身下部。所有起落架未折断、轮胎未爆破。飞机严重受损。
机上旅客45 名(含一名婴儿)、机组7 名(含一名随机机务)均安全撤离。两位旅客压缩性骨折,鉴定为八级伤残(属轻伤一级)。
调查发现,事故发生的直接原因是飞行机组在飞行前未将飞行慢车电磁锁放在上锁位,使飞机慢车电磁止动锁失去空中保护功能;在接地前机组收油门时,副驾驶违反了操作程序,误提功率杆机械开锁提手,致使功率杆越过慢车机械锁位置至飞行慢车位以下,导致螺旋桨反桨、飞机在低高度失去正拉力进入失控状态而坠地。
调查还发现,2013年6月10日印尼鸽航事故发生后,作为飞机生产厂家,西安飞机工业(集团)有限责任公司(以下简称西飞公司)并未对机组习惯将飞行慢车电磁锁在空中开锁的深层次原因进行研究和分析;未及时将鸽航事故教训和事发原因告知新舟60用户进行警示和防范;新舟60慢车电磁止动锁可靠性相对偏低,对新舟60慢车电磁止动锁系统的开锁延迟的特点未告知用户;在鸽航事故后,虽对慢车电磁止动锁进行了改进,但又不能及时将更新后的电磁止动锁提供给用户、也未对手册进行相应的更新;功率杆机械开锁提手设计未体现防错设计的理念。针对慢车电磁止动锁的使用,幸福航在相关手册、训练与规范化操作以及风险管理方面存在不足。上述因素是促成此次同类事故重复发生的间接原因。
事发后,幸福航采取了修订手册,加强技术管理、机组过夜管理和训练管理等措施,并通过专题研讨会、安全整顿会的形式将飞行慢车电磁锁的使用方法和风险进行学习;西飞公司为提高飞行慢车电磁锁系统可靠性,计划对系统进行重新设计和完善,并计划改进客服平台。
针对调查发现的问题,调查组分别对幸福航和西飞公司就手册完善、人员培训、安全管理,以及飞行慢车系统改进、信息通报、客服服务、可靠性管理等提出了6 条安全建议。
综上所述,调查组认定这是一起人为责任原因的运输航空一般事故。
2 事实信息
2.1 飞行经过
2015 年5 月10 日,幸福航MA60/B-3476 号机执行义乌-福州的JR1529 航班任务。当日机长刘伟左座监控,右座副驾驶A主操作,中间座观察员副驾驶B,在义乌飞行前准备时,机组未关注飞行慢车电磁锁的位置,飞行慢车电磁锁处于开锁位。飞机于10:42(北京时间,下同)义乌起飞,从义乌起飞至福州进近阶段飞行状态均正常。当日福州天气适航,福州机场使用03 号跑道落地。11:57,飞机进近下降至无线电高度约46 英尺时,右座主操作副驾驶收油门时违反了操作程序,误将功率杆越过慢车机械锁,并收至飞行慢车位以下(见图1),双发动力均小于飞行慢车,螺旋桨逐步失去正拉力,进入反桨状态,航空器空气动力性能遭到破坏。尽管机长也参与操作,双手向后带杆,但飞机还是在距地面27 英尺开始加速下沉,最终以1500 英尺/分钟的垂直速度接地,接地时最大载荷达5.92G,螺旋桨在旋转过程中打击地面,飞机严重受损。
地面痕迹显示,JR1529 航班在跑道入口255 米处开始接地。接地后飞机开始向右偏离,飞机右主轮在距跑道头475 米位置偏出跑道右边线,左主轮在距跑道头540 米处偏出跑道右边线,地面连续拖痕约300 米,飞机最终停在距跑道头565 米处,停在跑道右外侧草地,机尾距跑道右边线15 米,机头方向45 度磁航向(与跑道交叉15 度)(见图2)。
图1 事发后拍摄的驾驶舱功率杆位置照片

2 事实信息
2.1 飞行经过
2015 年5 月10 日,幸福航MA60/B-3476 号机执行义乌-福州的JR1529 航班任务。当日机长刘伟左座监控,右座副驾驶A主操作,中间座观察员副驾驶B,在义乌飞行前准备时,机组未关注飞行慢车电磁锁的位置,飞行慢车电磁锁处于开锁位。飞机于10:42(北京时间,下同)义乌起飞,从义乌起飞至福州进近阶段飞行状态均正常。当日福州天气适航,福州机场使用03 号跑道落地。11:57,飞机进近下降至无线电高度约46 英尺时,右座主操作副驾驶收油门时违反了操作程序,误将功率杆越过慢车机械锁,并收至飞行慢车位以下(见图1),双发动力均小于飞行慢车,螺旋桨逐步失去正拉力,进入反桨状态,航空器空气动力性能遭到破坏。尽管机长也参与操作,双手向后带杆,但飞机还是在距地面27 英尺开始加速下沉,最终以1500 英尺/分钟的垂直速度接地,接地时最大载荷达5.92G,螺旋桨在旋转过程中打击地面,飞机严重受损。
地面痕迹显示,JR1529 航班在跑道入口255 米处开始接地。接地后飞机开始向右偏离,飞机右主轮在距跑道头475 米位置偏出跑道右边线,左主轮在距跑道头540 米处偏出跑道右边线,地面连续拖痕约300 米,飞机最终停在距跑道头565 米处,停在跑道右外侧草地,机尾距跑道右边线15 米,机头方向45 度磁航向(与跑道交叉15 度)(见图2)。
图1 事发后拍摄的驾驶舱功率杆位置照片

图2 飞机接地滑跑轨迹图
事发后,机场发布航行通告机场关闭,17:30 将航空器搬移至安全区域,18:00 机场恢复正常运行。
2.2 人员伤亡
机上旅客45名(含一名婴儿)、机组7名(含一名随机机务)均安全撤离。(见表1)
伤亡情况 | 机组 | 乘客 | 其他 | 总数 |
死亡 | 0 | 0 | 0 | 0 |
重伤 | 0 | 0 | 0 | 0 |
轻伤 | 0 | 2 | 0 | 2 |
无伤 | 7 | 43 | 0 | 50 |
合计 | 7 | 45 | 0 | 52 |
表1 机上人员伤亡统计表
事发后,6名疑似受伤旅客被送往医院检查,四位检查无碍离院回家,其余两人留院治疗,受伤人员位置(见图3)。
两位受伤旅客的基本信息如下:
根据福建八闽司法鉴定所出具司法鉴定意见书(八闽司法鉴定所[2015]临鉴字第0991 号),5.10 事故涉事旅客甲(12D),T3-T8 椎体压缩性骨折,评定为八级伤残。
根据福建正方圆司法鉴定所出具的临床法医学司法鉴定书(闽正方圆司鉴所[2015]临鉴字第692 号),5.10 涉事旅客乙(6A),T3、T6、T7、T9 椎体压缩性骨折,评定为八级伤残。
依据最高人民法院、最高人民检察院、公安部、国家安全部、司法部2013 年8 月30 日发布,自2014 年1 月1 日起实施的《人体损伤程度鉴定标准》“脊柱四肢损伤”部分中5.9.3轻伤一级b款的规定,“一节椎体压缩骨折超过1/3 以上;二节以上椎体骨折;三处以上横突、棘突或者椎弓骨折。”甲、乙两位旅客均为二节以上椎体骨折,属轻伤一级。
2.3 航空器损伤情况
事故造成航空器严重受损,整个机翼水平面向前倾斜约20度,机翼后部脱离机身上翘,发动机前部下垂擦地,机身中部折断但未完全断开。左、右发螺旋桨桨叶全部打断,左、右桨毂罩均脱落在接地点约50 米处,前后有两片较大块桨叶。右发一片桨叶插入右机身下部。所有起落架未发生折断、轮胎未发生爆破。具体受损情况如下:
2.3.1 机身
机身中段与机翼连接部位折断,但并未完全断开(见图4)。
图4 事发后飞机偏出跑道后受损照片
13-16 框处机身上部翼身整流罩包皮变形,变形尺寸约为210 厘米X120 厘米;机身上部液压附件舱上表面蒙皮撕裂,掀开上翘约40 度,变形尺寸约为250 厘米X120 厘米;YDF-12 电磁活门两根压力管路断裂(见图5)。

图5 机身右侧第13-16 框图
机身右侧在17 框处上下错位,后部比前部高约40 厘米,17框处蒙皮中部左右错位,后端比前段突出约15 厘米(见图6)。
图6 机身右侧第17 框图(受损)
左侧17 框蒙皮撕裂开约10 厘米,20 框蒙皮撕裂开并与后端机身蒙皮有叠加错位,左侧20 框处上部翼身连接件(侧梁)撕裂损伤。
飞机从17 框到20 框机体龙骨断裂, 17 框-20 框下部蒙皮破损损严重,可见机内设备(见图7)。
图7 第17 框到20 框机身图
右侧机身12 框中部蒙皮约5 点方向(顺航向)有一个约2厘米X2 厘米贯穿孔;右侧机身11-12 框3 窗玻璃破裂;右侧12-13框(4 窗)下部蒙皮约5 点钟方向(顺航向)有一桨叶插入机身,损伤尺寸约为60 厘米X32 厘米,桨叶外露长度约83 厘米;右侧21-22 框(应急窗口后第6 窗)处约3 点方向(顺航向)有一个约50 厘米X80 厘米凹坑,蒙皮有起皱现象;右应急窗框变形,左应急窗框有轻微变形;左侧11 框(2 窗-3 窗)中部蒙皮约8点方向(顺航向)有一个约2 厘米X3 厘米贯穿孔。底部11 框-40框接地,29-30 框底部磨穿(见图8)。
图8 第29-30 框处底部位置受损图
2.3.2 发动机
右发桨帽磨损严重,桨帽径向剩余长度约50 厘米,磨损长度最长处为20 厘米;进气道接地变形,从螺旋桨变距机构端头至进气道接地长约140 厘米,宽约70 厘米;4 根桨叶全部丢失,仅可见桨根复合材料切口。打开发动机包皮,目视检查发动机吊点正常在位,发动机内部结构部件完好(见图9)。
图9 右发桨帽图
左发桨帽大部分丢失,剩余桨帽径向长度约10 厘米;进气道接地变形,螺旋桨变距机构端头至进气道接地长230 厘米,宽80 厘米,4 根桨叶全部丢失,仅可见桨根复合材料切口,打开发动机包皮,目视检查发动机吊点正常在位,发动机内部结构部件完好(见图10)。

图10 左发桨帽图
2.3.3 起落架
前起落架外观检查完好,压缩量正常、前轮左右轮胎红色标记无错位、胎面无见线、轮毂外观正常。
左主起落架外观良好,刹车管路检查无异常无渗漏,减震支柱停机压缩量约为350 毫米(因起落架倾斜未完全受力,正常压缩量为85-110 毫米)。左外主轮红色标记无错位,胎面未见帘线,刹车指示杆长度正常,胎压约550KPA(正常胎压为542-592 KPA);主轮轮毂内侧有擦伤痕迹;左内主轮红色标记无错位,胎面见一层帘线,刹车指示正常,胎压约550KPA(正常胎压为542-592KPA);主轮轮毂内侧外缘有缺失(见图11)。
图11: 左主轮轮毂图
右主起落架外观良好,刹车管路检查无异常无渗漏:减震支柱停机压缩量约为350 毫米(因起落架倾斜未完全受力,正常压缩量为85-110 毫米)。右内主轮红色标记无错位,胎面未见帘线,刹车指示杆长度正常,胎压约560KPA(正常胎压为542-592 KPA);主轮轮毂内侧外缘有缺失;右外主轮红色标记无错位,胎面未见帘线,刹车指示杆长度正常,胎压无压力,胎面中部有两处铁片扎伤,主轮轮毂内侧有擦伤痕迹(见图12)。
图12 右主轮轮毂图
2.3.4 机翼
左右机翼上表面正常,前缘正常,下表面正常;左内侧襟翼与发动机短舱间隙正常,外侧襟翼与短舱间隙变大,襟翼的后缘与短舱间隙最大,约100 毫米;右内侧襟翼与发动机短舱出现接触,外侧襟翼与短舱间隙变大,襟翼的后缘与短舱间隙最大,约100 毫米;左右燃油箱正常,无燃油泄漏(见图13)。
图13 机身机翼位置图
2.3.5 客舱
过道4 排-7 排因龙骨断,出现30 度左右坡度,行李架随机身有相应倾斜下垂。(见图14)
图14 过道4 排-7 排行李架位置图
第3D 座椅下方侧壁板被桨叶击穿,桨叶伸入座椅32 厘米,致使3D 座椅金属底板变形微凸起(见图15)。
图15 第3D 座椅下方侧壁板图
2.4 其它损坏
事故未造成其它损坏。
2.5 人员信息
2.5.1 飞行机组成员
该航班共有飞行机组成员3人。机长在左座担任PNF(监控),副驾驶A在右座担任PF(主操纵),副驾驶B在观察员座负责通讯。
2.5.1.1 执照情况
机长,男,36周岁。中国民航飞行学院毕业,2002-2009曾服务与东航西北分公司,现受雇于中国幸福航空有限责任公司。持有中国民航航线运输驾驶员执照, 执照编号:xxxxxxxxxxxxxxxxx。持有现行有效的中国民航Ⅰ级体检合格证。总飞行时间8588小时,A320飞行时间为3940小时,MA60飞行时间4648小时。最近一次机长年度航线检查日期为2014年10月12日,最近一次应急生存训练日期为2015年1月13日,最近一次熟练检查日期为2015年1月16日。训练情况符合中国民航规章要求。
副驾驶A,男,34周岁。International Airline Training Academy GRIFFITH AVIATION毕业,现受雇于中国幸福航空有限责任公司。持有中国民航商用驾驶员执照, 执照编号:xxxxxxxxxxxxxxxxx。持有现行有效的中国民航Ⅰ级体检合格证。总飞行时间3035小时,本机型飞行时间766小时。最近一次应急生存训练日期为2013年10月9日,最近一次熟练检查日期为2014年12月24日。训练情况符合中国民航规章要求。
副驾驶B,男,27周岁。中国民航飞行学院毕业,现受雇于中国幸福航空有限责任公司。持有中国民航商用驾驶员执照,执照编号:xxxxxxxxxxxxxxxxx。持有现行有效的中国民航Ⅰ级体检合格证。总飞行时间2096小时,本机型飞行时间824小时。最近一次应急生存训练日期为2014年1月24日,最近一次熟练检查日期为2014年11月5日。训练情况符合中国民航规章要求。
2.5.1.2 飞行近期经历
经检查,三名飞行员的飞行执照现行有效,按时完成了飞行定期检查和熟练检查,符合规章要求。
2.5.1.3 飞行时间、值勤期和休息期情况
经检查,三名飞行员的飞行时间、值勤期和休息期安排情况符合规章要求,自述事发时个人疲劳情况正常。根据舱音记录,飞行机组成员在飞行中驾驶舱交流正常,意识清醒。
2.5.1.4 机组成员酒精、违禁药品摄入情况
机组成员自述飞行前饮食情况正常。根据事发后约4小时抽取的全部6名机组成员血样、尿样医学鉴定结果,结合安徽监管局飞标监察员对机组成员5月9日在合肥驻地泓瑞金陵大酒店的外站过夜检查情况,未发现机组成员在飞行前摄入酒精或服用违禁药物的情况。
2.5.2 客舱乘务员和航空安全员
该航班共有客舱机组成员2人:乘务长(担任1号位职责),乘务员(担任2号位职责)。航空安全员,座位号为3C。
2.5.2.1 执照情况
乘务长,女,26周岁。受雇于中国幸福航空有限责任公司。持有有效的乘务员训练合格证,编号为:xxxxxxxxxxxxxxxxx。持有现行有效的中国民航Ⅳa级体检合格证。
乘务员,男,30周岁。受雇于中国幸福航空有限责任公司。持有有效的乘务员训练合格证,编号为:xxxxxxxxxxxxxxxxx。持有现行有效的中国民航Ⅳa级体检合格证。
安全员,男,27周岁。受雇于中国幸福航空有限责任公司。持有有效的航空安全员执照,执照编号为:xxxxxxxxxxxxxxxxx。持有现行有效的中国民航Ⅳb级体检合格证。
2.5.2.2 飞行时间、值勤期和休息期情况
经检查,客舱乘务员飞行时间、值勤期和休息期安排情况符合规章要求,自述个人疲劳情况正常。
2.5.3 放行人员
执照编号:xxxxxxxxxxxxxxx,执照专业:ME-TA,执照签注机型及类别:MA60 II 类,执照颁发日期:2005 年9 月20 日,2010年9 月20 日。
2.6 航空器信息
2.6.1 飞机
该航空器机型为MA60,机号B3476,于2011 年3 月24 日自西飞公司出厂,2011 年3 月21 日获得中国民用航空局颁发的适航证,由幸福航空有限责任公司运行至今。截止2015 年5 月10日(含5 月10 日),该航空器总飞行时间(FH,下同)6267 小时,总飞行起落次数(FC,下同)5654 次。飞机操作重量:14963千克,操作指数:42.94,航段起飞油量2380 千克、耗油870千克,当班飞机允许最大无油、起飞、落地全重数据分别为19500千克、21656 千克、21600 千克,计算出的飞机无油全重为18307千克、起飞全重为20667 千克、落地全重为19797 千克;计算出的无油、起飞和落地重心指数均为45.31,无油、起飞、落地重心分别为23.89%MAC、23.85%MAC、23.86%MAC。
2.6.2 发动机
型号:PW127J
制造厂家:美国普惠公司
左发序号:PCE-EA0103
右发序号:PCE-EA0104
2015 年2 月5 日,公司在该机的2C 检中同时安装左右发动机。左发(PCE-EA0103)于2014 年11 月24 日在普惠新加坡修理厂(维修许可证号F06500260)完成大修(OVERHAUL)工作,目前共使用了7259FH/7010FC,大修后使用367FH/325 FC,右发(PCE-EA0104)于2014 年12 月15 日在普惠新加坡修理厂完成大修(OVERHAUL)工作,目前共使用7249FH/6808FC,大修后使用367FH/325FC。
2.6.3 螺旋桨
型号:247F-3 型四叶螺旋桨
制造厂家:美国哈米尔顿•圣特兰公司
2.6.4 航空器有效证件
航空器国籍登记证、适航证、电台执照现行有效。
2.6.5 航空器维修和运营情况
2.6.5.1 航空器近期定检维修工作
2012 年12 月27 日-2013 年1 月10 日完成1C 检,使用时间为2985FH/2578FC。
2014 年9 月13 日-9 月17 日完成4A 检,使用时间为5534FH/4888FC。
2014 年12 月8 日-12 月9 日完成5A 检,使用时间为5888FH/5320FC。
2014 年12 月11 日-2015 年2 月6 日完成2C 检工作,使用时间为5900FH/5329FC。
2015年2月12日完成3M(3个月)时限工作。
2015年4月28日—5月1日完成6A检,使用时间为6235FH/5626FC。
2.6.5.2 适航指令、服务通告/改装状况
截止2015年5月10日,B-3476飞机适用的适航指令共24份,其中19份(含5 份发动机)适航指令已完成,另有2份适航指令按指令要求进行周期检查,未完成的两份适航指令(CAD2014-MA60-02 加入到维修方案和CAD2015-MULT-06航材未到)未到期。
该机运行以来共收到厂家服务通告(SB)583 份,适用523份,其中适用执行的共计468 份(已完成408 份,待执行60 份),适用不执行的共计55 份,不适用的共计60 份。
2014年7月22日,西飞发布服务通告(MA60-76-SB446),内容为更换可靠性更高的止动锁。幸福航维修工程部经过评估后,决定执行该服务通告,下发指令EO-2014-MA60-76-002,涉及机队8 架飞机(除B-3718飞机)。2014年8月17日,西飞公司向幸福航免费提供了1件升级后的电磁止动锁。幸福航在B3451号机上安装了改进件。2014年9月11日幸福航向西飞公司发出了7件电磁止动锁采购订单,采购订单约定的交付周期是90天,约定的交付时间应该在2014年12月11日。但西飞公司一直未向幸福航交货,直至事发后才于2015年5月15日向幸福航交付了7件电磁止动锁。
2.6.5.3 发动机性能和故障情况
2015年2月5日,公司在该机的2C检中同时安装左右发动机,两台发动机的各方面性能参数均正常,没有出现性能方面的警戒报告,发动机本身不存在带故障、缺陷运行的问题。
2.6.5.4 刹车毂使用情况
1#刹车毂PN:LS125A-3000,SN:0706D011,装机日期2015.4.14,截至2015年5月10日,使用99FH/82FC,总使用4149FH/3901FC。
2#刹车毂PN:LS125A-3000,SN:09B169002,装机日期2015.2.25,截至2015年5月10日,使用314FH/270FC,总使用4330FH/3873FC。
3#刹车毂PN:LS125A-3000,SN:13B347017,装机日期2015.2.10,截至2015 年5 月10 日,使用354FH/312FC,总使用943FH/805FC。
4#刹车毂PN:LS125A-3000,SN:12B370012,装机日期2015.5.截至2015 年5 月10 日,使用19FH/16FC,总使用1509FH/1405FC。
2.6.5.5 时控件状况
该机机身、起落架和发动机时控件均在控制时限内。
2.6.5.6 飞机的航线维护情况
事发前近两个月飞机维修记录,未发现有涉及飞机发动机反桨系统故障与处理项目。该机于2015年5月9日在合肥完成航后工作, 5月10日在合肥完成航前工作, 5月10日在义乌完成短停维护工作,近期该机无故障记录,检查维修记录符合要求。
2.6.6 飞行慢车锁系统
为防止空中误将功率杆收到飞行慢车以下位置,在飞行慢车位置设置了飞行慢车锁系统。该系统在前推功率杆时不对其限制,但在空中后拉功率杆经过飞行慢车位置时,将同时受到飞行慢车电磁锁和飞行慢车机械锁限制,从而防止空中错误操作将功率杆拉到飞行慢车以下位置(见图16)。
图16 飞行慢车电磁锁机械结构
2.6.6.1 飞行慢车电磁锁基本组成
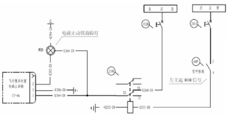
飞行慢车电磁锁基本组成:飞行慢车电磁锁受左起落架空地开关控制,飞机在地面接通电源时,空地开关压通,电磁止动锁通电锁头收回(开锁);飞机在空中时空地开关断开或飞机在地面但未接通电源时,电磁止动锁断电锁头伸出(上锁)(见图17)。
飞机在地面,空地开关释放,空地继电器210G 的10、11 点接通,直流28V 电经过空地继电器210G 的10、11 点,到达电磁止动锁1 孔,电路接通,电磁止动锁开锁。此时功率杆可拉回到地面慢车位或最大负拉力位。飞机起飞后,空地开关接通,空地继电器210G 的10、11 点断开,直流28V 电无法经过空地继电器210G 的10、11 点到达电磁止动锁1 孔,电路断开,电磁止动锁上锁。将功率杆锁在飞行慢车以上的位置。

图17 飞行慢车电磁锁工作示意图
2.6.6.2 飞行慢车电磁锁工作原理
飞行慢车电磁锁在地面通电开锁,空中断电上锁。飞行慢车电磁锁通电与否受左主起落架轮载开关控制。当飞机在地面时,如果左主起落架支柱压缩,安装在左主支柱的轮载开关动作使控制飞行慢车电磁锁的供电线路接通,飞行慢车电磁锁处于开锁状态。整个开锁的信号传递过程见图18。

图18 飞行慢车电磁锁信号传递图
当飞机离地后,起落架支柱处在自由伸出状态,左主支柱的轮载开关动作,使控制飞行慢车电磁锁的供电线路断开,飞行慢车电磁锁处于上锁状态。
飞行慢车电磁锁位于发动机操纵台前部,其开锁有自动开锁和人工开锁两种方式。正常情况下,飞行慢车电磁锁通电后会自动开锁;而在飞行慢车电磁锁故障即通电不能自动开锁时,人工将飞行慢车电磁锁人工开锁提手置于开锁位即可开锁。
2.6.6.3 飞行慢车电磁锁的电路工作逻辑
飞行慢车电磁锁有一个保持绕组和一个起动绕组,并有一个转换微动开关S(见图19)。通电前,飞行慢车电磁锁锁舌在弹簧作用下伸出处于上锁状态,微动开关S 处于闭合状态;通电时,电流流经①→微动开关S→②→起动绕组→③→接地,形成闭环,起动绕组产生的磁场力克服弹簧力使锁舌缩进,锁舌缩进时带动簧片按压微动开关S,使微动开关S 断开,此时,电流流经①→保持绕组→起动绕组→③→接地,形成闭环,保持绕组和起动绕组串联起来共同作用,使飞行慢车电磁锁保持在开锁状态。飞行慢车电磁锁故障无法开锁时,因锁舌没有缩进,微动开关处于闭合状态, 飞行慢车电磁锁故障指示灯亮。

图19 飞行慢车电磁锁电路原理图
2.6.6.4 飞行慢车电磁锁研制过程
新舟60 飞机在研制阶段,为满足适航条款§25.1155 中所规定的“用于反推力和低于飞行状态的桨距调定的每一操纵器件,均必须有防止被误动的措施”的要求。在飞行慢车位置设置了飞行慢车机械锁,用于防止机组空中误将功率杆收到飞行慢车以下位置而引发不安全事件的发生。
考虑到飞行慢车防误操作功能事件影响等级为I 类危险故障(失效概率≤10-9/飞行小时),而飞行慢车机械锁失效概率为3.84×10-7。为满足可靠性要求,在飞行慢车锁系统中同时设置了飞行慢车电磁锁,对功率杆在飞行慢车位进行二次保护限动。
为满足发动机操纵系统的设计要求,在1991 年MA60 飞机开始研制同时启动飞行慢车电磁锁研制项目,并选定345 厂承担飞行慢车电磁锁研制工作。
1991 年11 月双方签署了技术协议书Y7III-XZ65-388《电磁止动锁成品技术协议书》,345 厂按技术协议书中的技术要求展开研制工作。1994 年5 月345 厂交付西飞公司3 件试验件用于新舟60 飞机试验验证。
1995 年12 月完成Y7III-CAR65-37《发动机操纵系统适航符合性报告》和Y7III-CAR65-166《发动机操纵系统安全性分析报告》。
在新舟60 飞机进行适航验证飞行的飞机及获得中国民航局型号合格证后交付用户的所有新舟60 飞机上都安装有飞行慢车电磁锁。目前,飞行慢车电磁锁在新舟60 系列所有飞机上均有安装,并在交付用户的外场所有飞机上投入使用。
2.6.6.5 幸福航MA60 机队中有关电磁止动锁故障记录
幸福航维修记录显示:自2009年7月30日至2015年5月10日,共计拆换9次,其中8件完成送修,1件送修还未返回。从8件返回的送修件修理报告来看,电磁止动锁不能正常工作的故障大致由两方面导致:导线断裂、锁舌弹片或弹簧断裂。事发后,共记录8 次关于电磁止动锁的故障,8 次故障机组均反映“落地后电磁止动锁不能自动开锁”。其中:3 次故障更换电磁止动锁;1 次检查发现空地电门胶管内有水气,对其烘干并做防水处理;其余4 次进行功能试验正常。
调查发现,幸福航机组在运行初期会填写有关电磁止动锁故障的记录。在以后的运行中,由于填写的此类故障经常性得不到及时解决和反馈,当再次遇到同类故障时,一些机组就不再在飞行记录本填写相关故障。
2.6.6.6 幸福航MA60 机型空地电门故障情况
空地电门(PN:QLK-3):
制造厂家:贵阳华阳航空电器有限公司
修理情况:该件为消耗件,不送修。
开航以来,共记录3条关于空地电门的故障。
1、2012年8月29日,B-3459飞机,机组反映“TCAS在选择ATC1和ATC2时测试均无反应,无语音提示。经测量线路发752-3现43F空地电门QLK-3不工作,更换空地电门QLK-3,测试ADC和TCAS系统工作正常。
2、2013年3月27日,B-3452飞机,机组反映“起飞后,状态选择板放“climb”,在收襟翼过程中音响警告响,抑制后正常”。更换左主起内侧防扭臂空地电门,收放起落架测试正常。
3、2015 年6 月2 日,B-3459 飞机,机组反映“电磁止动锁落地后不能自动开锁”。检查发现左主起内侧防扭臂上空地电门橡胶管内有水气,对其进行烘干,并进行防水处理,对空地电门和电磁止动锁进行功能试验,均检查正常。
2.7 天气实况
福州机场天气适航。事发时的天气情况如下:METAR ZSFZ 100300Z 02006MPS 9999 BKN020 OVC033 22/17 Q1015NOSIG=
航空例行天气报告:福州,世界时10 日03:00,风020 度06 米/秒,能见度9999 米,多云600 米,满天云990 米,温度22,露点17,修正海压1015,没有重大变化。
METAR ZSFZ 100400Z 03006MPS 360V060 9999 SCT017 OVC03323/17 Q1014 NOSIG=
航空例行天气报告:福州,世界时10 日04:00,风030 度06 米/秒,360-060 之间变化,能见度9999 米,疏云510 米,满天云990 米,温度23,露点17,修正海压1014,没有重大变化。
2.8 机场
福州长乐国际机场跑道长3600米,宽45米,跑道方向为03号和21号。福州长乐国际机场03号跑道ILS进近图标示,该跑道DH为197英尺,能见度800米。
2.9 飞行记录器
2.9.1 飞行记录器基本情况
数据记录器生产厂家:中航工业陕西千山航空电子有限责任公司,件号(P/N):FB-30C,序列号(S/N):0804010,实验室对送达的FDR进行了外观检查。该记录器外观完好,无机械碰撞痕迹,无变形损坏。使用中航工业陕西千山航空电子有限责任公司生产的飞参专用综合测试仪(FZJ-1,SN:1206001)对FDR数据进行全部下载,该FDR共记录43509帧数据,译码误帧率0.42%,数据正常可用。
2.9.2 译码情况
译码分析(从108英尺开始,飞行关键状态改变的数据),JR1529航班起飞后直至最后进近阶段飞行情况正常。
11:57:14 无线电高度108英尺,指示空速达到峰值129节(最终进近速度+18节),空中风060度8米/秒。左发功率杆为54.8度,右发功率杆为51.0度;
11:57:17 无线电高度98英尺,左发功率杆收至48.4度,右发功率杆收至44.4度;
11:57:20 无线电高度60英尺,左发功率杆收至47.2度,右发功率杆收至41.8度。左发扭矩为24.1%,右发扭矩为21.6%;
11:57:21 无线电高度46英尺,左发功率杆收至39.3度。右发功率杆收至34.9度,低于飞行慢车位(见表2)。左发扭矩为18.0%,右发扭矩为14.5%;
表2 螺旋桨的β操作曲线
11:57:22 无线电高度38英尺,飞机下降率为700英尺/分钟,指示空速为122节。左发功率杆位置为34.6度,右发功率杆位置为28.5度,均低于飞行慢车位。左发扭矩为1.9%,右发扭矩为1.4%;
11:57:23 无线电高度28英尺,飞机下降率为850英尺/分钟,指示空速为118节。左发功率杆位置为18.6度,右发功率杆位置为11.6度,双发均低于地面慢车位。左发和右发扭矩均为0。舱音记录显示,螺旋桨声音明显减弱;
11:57:24 无线电高度21英尺,飞机下降率为1200英尺/分钟,指示空速为110节。左发功率杆增加至36.1度,右发功率杆增加至33.4度。左发扭矩为2%,右发扭矩为4.2%;
11:57:25 无线电高度7英尺,飞机下降率为1500英尺/分钟,指示空速为105节。左发功率杆为40.9度,右发功率杆为33.0度。左发扭矩为0.9%,右发扭矩为4.2%;
11:57:26 起落架空地信号显示接地,俯仰角为5 度,右坡度为1 度,指示空速为102 节。左发功率杆为59.7 度,右发功率杆为46.2 度。左发扭矩为3.5%,右发扭矩为12.9%。飞机接地载荷最大值为5.92G。
2.10 笔录整理(略)
2.11 救援与生存
2.11.1 应急撤离
飞机最终停在跑道右侧草地上,距跑道入口565 米、距跑道右边线15 米处,机头方向45 度磁航向(与跑道交叉15 度)。飞机停止移动后,乘务组打开登机门和后货舱门,组织旅客撤离,经调查组与旅客电话回访证实,45 名旅客中有3 名旅客从后货舱门撤离,其余旅客均从登机门撤离。机身左、右应急舱门均未打开。
2.11.2 应急救援
元翔(福州)国际航空港有限公司指挥调度室接塔台管制员飞机偏出跑道信息后,确定事发航空器位于应急救援方格网图D6 区域,通过800MHz 应急频道发布等级为紧急出动的救援指令。
12:00,首部消防车(快速车)与指挥车赶到事故现场,一边对飞机实施喷洒泡沫降温,一边协助旅客疏散并上机进行搜救,同时向长乐市消防大队通报情况,申请增援;12:06,消防完成机上搜救,确认机上人员已全部撤离。
2.12 空管及机场保障
2.12.1 空管指挥及处置情况
机组与进近管制室联系后,进近管制员指挥飞机使用03号跑道盲降进近,11:53 分该机截获盲降后联系福州塔台,塔台管制席位管制员指挥该航班继续进近,通报机场落地条件为(QNH1014,地面风030 度06 米秒)。11:57 分,JOY1529 接地,塔台管制席管制员观察到该航空器在滑跑过程中偏出跑道,并看到白烟,同时听到机组报告偏出跑道。塔台监控席位管制员立即通知机场指挥室飞机偏出跑道。
2.12.2 机场关闭与恢复
事发后,福州机场发布航行通告机场关闭。在调查组完成现场调查取证后,福州机场立即与幸福航商议残损航空器搬移方案。调用吊车、平板车等车辆,顶升气囊、栓系及吊装设备,约17:25 将飞机拉出草地,由消防车陪同护送至A2 滑行道东侧闲置草地上。
调查组完成现场取证后,福州机场立即开展道面设施和灯光设备损坏情况勘查和修复,采取冷补沥青修补道面被飞机刮伤10 处、更换接地带灯和跑道边灯受损灯具各1 盏。待事发航空器被搬移出跑道安全区后,于18:00 恢复运行。
2.13 飞行慢车锁系统验证试验
为掌握事发飞机飞行慢车锁系统的实际情况,调查组分别对飞行慢车锁系统的机械式提手和电磁止动锁等部件进行试验验证,以确定它们的状况。
2.13.1 飞行慢车机械锁提手地面验证
事发后调查组在现场对当事飞机B-3476号机的飞行慢车机械锁进行了验证测试。验证条件为在地面未通电且关车状态。验证结果为:
1、在功率杆处于飞行慢车位的情况下,在功率杆上持续施加向后的压力,但不触碰飞行慢车机械锁,功率杆无法移动至飞行慢车以下的位置;
2、在功率杆处于飞行慢车位的情况下,在功率杆上持续施加向后的压力,并且人工提起飞行慢车机械锁,功率杆可以向后移动至飞行慢车以下,直至地面慢车以下的最大反桨位。上述验证,表明事发飞机机械式提手工作正常。
2.13.2 事发飞机飞行慢车电磁止动锁功能性测试
飞行慢车电磁止动锁(PN:CT-46)
制造厂家:西安庆安电气控制有限责任公司
修理厂家:武汉凌云科技集团有限责任公司
四川航特航空设备有限公司
为查明事发飞机的飞行慢车电磁止动锁是否存在功能障碍,先将事发飞机电磁止动锁拆除,送往西飞公司进行功能性测试。事发飞机电磁止动锁拆除前如图20所示,无任何损伤或者破坏痕迹。电磁止动锁的拆除过程符合要求。拆除后的电磁止动锁如图21所示,该电磁止动锁的件号为Y7Ⅲ-CP65 -044。电磁止动锁外观完整,表面没有物理损伤痕迹。电磁止动锁的锁舌如图中红色箭头所示,处于收回状态。电磁止动锁电路接头的宏观形貌显示接头保存完整,无损伤或者折断痕迹。
图20 电磁止动锁拆除前的情况
调查组利用西飞公司地面试车平台的电源为当事飞机电磁止动锁提供信号源。

测试结果表明,接通电源后,事发飞机的电磁止动锁立刻打开;切断电源后,电磁止动锁立刻恢复。重复多次试验,电磁止动锁功能正常,没有发现电磁止动锁存在延迟或者其他功能性故障。
2.13.3 飞行慢车电磁锁原理试验
2.13.3.1 地面试车平台试验
地面试车平台的飞行慢车锁系统,飞行慢车电磁锁及机械锁如图中红色箭头所示。将事发飞机电磁止动锁安装于地面试车平台(见图22),通过地面电源给电磁止动锁供电,观察接通电源后电磁止动锁是否能够自动打开。然后提起功率杆上的机械锁开锁提手,观察是否能够顺利将功率杆拉至地面慢车位置。将实验平台上原配的电磁止动锁装回地面慢车系统,将功率杆拉至地面慢车位置,对比事发飞机电磁止动锁系统与试样平台电磁止动锁系统的差异。
图22 更换当事飞机电磁止动锁后的飞行慢车锁系统
实验结果:
1、将事发飞机电磁止动锁安装于地面试车平台,接通电源后电磁止动锁能够立刻打开,然后提起功率杆上的机械锁开锁提手后,可以顺利将功率杆拉至地面慢车位置,如图23 所示。
图23 更换当事飞机电磁止动锁后的飞行慢车锁系统
2、在接通电磁止动锁之前,如果提前提起飞行慢车机械锁提手,机械锁的锁销会卡住电磁止动锁的锁舌(卡住位置如图24所示),在功率杆持续向后施加拉力时,接通电磁止动锁的电源时,电磁止动锁不动作。
图24 机械锁与电磁止动锁发生卡阻位置的宏观形貌
3、将事发飞机的飞行慢车电磁锁拆下后,换上地面试车平台的飞行慢车电磁锁。接通电源后电磁止动锁立刻打开,提起功率杆上的机械锁开锁提手后,可以顺利将功率杆拉至地面慢车位置。
4、如果提前提起飞行慢车机械锁提手,并向后拉功率杆,机械锁的锁销会卡住电磁止动锁的锁舌。此时接通电磁止动锁的电源,电磁止动锁不动作。松开功率杆后,电磁止动锁能够立即开锁。
2.13.3.2 停场飞机试验
依据电磁止动锁的设计原理,当通电但锁舌不动作时,电磁止动锁故障灯将亮起。但地面试车平台没有安装该告警灯,于是与西飞公司一起在停场的新飞机上进行相同的测试。左轮轮载信号系统,轮载信号的微动电门安装在主轮起落架的液压支柱上。在飞机停场状态,微动电门的触点与液压支柱处于脱离状态(见图25)。与工程师协商,基于轮载信号系统的工作原理,将图中所示触点用力压下后再松开时能够触发轮载信号。在停场飞机上进行的地面慢车电磁止动锁试验,采用上述方法提供轮载信号源,使用停场飞机的地面慢车锁系统进行测试。
图25 轮载信号系统微动电门的触点
实验结果:
1、触发轮载信号后电磁止动锁立刻打开,提起功率杆上的机械锁开锁提手后,可以顺利将功率杆拉至地面慢车位置。
2、在没有轮载信号,如果提起飞行慢车机械锁提手,不能将功率杆拉至地面慢车位置。
3、在没有轮载信号,如果提起飞行慢车机械锁提手,向地面慢车位拉功率杆,机械锁的锁销会卡住电磁止动锁的锁舌。如果此时触发了轮载信号,电磁止动锁锁舌被卡住不动作。同时飞行慢车故障灯会亮起。
4、松开功率杆后,飞行慢车故障灯熄灭,电磁止动锁开启,能够顺利将功率杆拉到地面慢车位置。
2.13.4 空地电门延时性调查
2015年5月10日福州事故(以下简称“5.10”事故)发生后,西飞公司收集了厂内带飞记录数据和航空公司运营飞机的实际飞行着陆阶段共计56个数据样本。分析方法为:以飞机着陆阶段主轮轮速信号出现为触地时刻,以及左主起落架轮载开关信号出现为功率杆飞机慢车电磁止动锁开锁时刻进行对比。通过统计分析,查找两种信号之间的差异。
调查结果:
56个样本中,轮速信号与轮载信号时差分析表(见表3)。从表2中可以看出。用于控制飞行慢车电磁锁电磁止动锁的左轮轮载信号总是比轮速信号晚,平均延迟时间约为4.48秒。从数据分布特征来看并无明显的规律,可能与采样数据数量和数据来源有关。
表3 轮速信号与轮载信号时差样本统计表
轮速信号与轮载信号时差 | 2秒 | 3秒 | 4秒 | 5秒 | 6秒 |
样本数量 | 7 | 10 | 6 | 15 | 18 |
所占比例(%) | 12.5 | 17.9 | 10.7 | 26.8 | 32.1 |
2.13.5 飞行操作模拟机验证
调查组在模拟机验证中发现以下情况:在短五边着陆过程中,当功率杆收至飞行慢车以下位置后可以及时改出。在场高1000英尺并且功率杆收至最大反桨时,改出后的高度损失为400英尺;在场高200英尺并且功率杆收至反桨时,改出后高度损失100英尺。
在高度3000米、光洁型态并且最小襟翼机动速度的情况下,将功率杆收至飞行慢车以下后,飞机状态可以及时改出,安全改出的最小速度为113海里/小时。在功率杆收至20度并保持3秒的条件下,速度损失为13节,高度损失为250英尺;在功率杆收至15度并保持3秒的条件下,速度损失13节,高度损失为600英尺。(验证项目表见附件一)
2.14 油料化验结果报告
经检验,当日燃油未发现异常(检验单见附件二)。
2.15 组织与管理
2.15.1 幸福航空基本情况
幸福航空有限责任公司成立于2008 年3 月28 日,于2009年7 月30 日试运行,2009 年8 月15 日正式开航。公司注册地在西安。主运营基地在西安咸阳国际机场。目前拥有9 架国产MA60 涡桨支线飞机,其中3 架为购买,6 架为融资租赁。事发前,公司9 架飞机运力布局在3 个地方,分别是西安、合肥和福州。维修保障采取总部控制、异地派驻、机上跟班放行方式管控,并在银川、合肥建有航材库;运行控制采取西安集中放行模式。
2.15.2 幸福航运行手册慢车电磁止动锁有关内容
MA-60 机型《飞行机组操作手册》1.72.30 章节“功率杆”的手册内容,“在飞行慢车电磁锁开锁的情况下,将功率杆向后拉至飞行慢车位,再向上提升功率杆内侧的提手,可将飞行慢车机械锁开锁,此时功率杆可以拉至飞行慢车位以下”。MA-60 机型《飞行机组操作手册》1.72.30 章节“功率杆”的手册内容,“飞行慢车电磁锁有自动开锁和人工开锁两种方式。飞机离地后,飞行慢车电磁锁自动上锁;飞机在地面时,起落架支柱压缩,飞行慢车电磁锁自动开锁”,“使用人工开锁后,飞行慢车电磁锁不能自动上锁”。
MA-60 机型《飞行机组操作手册》1.72.30 章节“功率杆”的手册内容,“中央操纵台上设置有功率杆飞行慢车锁,防止空中将功率杆拉到飞行慢车以下危及飞行安全,飞行慢车锁包括飞行慢车机械锁和飞行慢车电磁锁,只有在二者都开锁的情况下,功率杆才能越过飞行慢车位向后移动”。
2.15.3 幸福航关于电磁止动锁的培训情况
根据西飞公司提供的MA60 飞机飞行慢车电磁锁训练课程提纲(20151012 版次)显示,西飞公司在“5.10”事故后为幸福航飞行人员安排了0.5 课时的理论课程,学习飞行慢车电磁锁的原理、飞行慢车电磁锁的结构、飞行慢车电磁锁的故障处置;安排了一个课时训练器课程,学习“正常及非正常程序下飞行慢车电磁锁的使用及故障处置”。但未见事发前的相关训练内容。
西飞公司在国内共设置了两台C 类模拟机供客户航空公司进行飞行训练,在事发前有一台模拟机未安装功率杆电磁止动锁,幸福航训练机组所使用的模拟机未安装该电门。同时,幸福航也未针对MA60 空地电门的延时进行专项模拟训练。
2.15.4 幸福航执行西飞公司发布的更换电磁止动锁服务通告的情况
为提高电磁止动锁的可靠性,西飞公司协调供应商对电磁止动锁进行了升级,并于2014年7月22日下发了服务通告(编号:MA60-76-SB446/MA600-76-SB116),涉及外场运营的69 架新舟飞机,其中国内用户22 架(幸福航8架、奥凯航空11架,飞行学院2架,英安航空1架),国外用户47 架。
2014年8月25日,幸福航向西飞公司下订货合同,西飞公司免费提供一个改进件,8月25日到货后,B-3451飞机按照该通告进行了安装。2014年8月26日,幸福向西飞公司下采购合同,购买另7个改进件。但此后航材一直没有交付,完成期限由2015年1月22号延至2015年7月30日。直到2015年5月10日,B-3476号机福州事故发生后,西飞公司才于5月15日交付其余7件改进后的电磁止动锁,随后幸福公司立即安排剩余飞机执行该通告。根据西飞公司提供的材料显示,造成此次延误交付的主要原因是由于电磁止动锁生产厂商价格变动和生产周期的原因,导致合同延迟,西飞公司采购和交付环节预警不到位所致。另外,此次航材延迟提供事件也暴露出西飞公司还航材管理缺乏有效的监控和通报制度等问题。
2.15.5 西飞公司的客户服务支持
2.15.5.1 印尼鸽航事故后西飞公司采取的措施
2013年6月10印尼鸽航MA60飞机事故后,西飞公司做了以下工作:
1、对飞行慢车锁系统有关问题进行了评估。评估结论认为,印尼鸽航事故的直接原因是印尼鸽航更改了机组操作程序,允许机组空中人工解除慢车电磁止动锁,使电磁止动锁失去空中保护作用。
2、对操作类手册予以完善:将FCOM手册第二册限制章节2.01.61 螺旋桨中“警告:在空中,禁止功率杆位置低于飞行慢车。”移到2.01.71 发动机中,加强用户对警告信息的注意;在FCOM 和QRH 手册应急/非正常程序飞行慢车电磁锁故障程序中增加了“警告:空中禁止将功率杆收到飞行慢车以下。”以提醒用户;并对一些描述语句进行完善。

调查发现,印尼鸽航事故后,西飞公司仅在FCOM手册中增加了相关警示内容,并未将该事故的直接原因,以及造成鸽航事故的其它间接原因,包括人员培训、手册、管理等的原因,和相关防范措施等信息通报客户。
2.15.5.2 西飞公司新舟客服平台
西飞公司于2014年6月建成新舟客服平台,它用于客户或服务代表录入有关飞机、故障以及各类技术咨询和建议的系统,可利用关键字查询、筛选分类各类故障。“5.10”事故后,调查组赴西飞公司对新舟客服平台进行调查,发现该平台存在同一个故障有不同关键字段描述的情况。如对电磁止动锁的故障可用不同的名称选项。这种对同一类故障可用不同录入或查询名称选项的设计,导致同一类故障信息搜寻的结果不同、与实际情况存在差异,进而影响数据的完整性和可靠性分析。
2.15.5.3 西飞公司对电磁锁可靠性分析
“5.10”福州事故发生后,根据调查组的要求西飞公司对电磁止动锁可靠性分析,给出的结论如下:
“从2009年至2015年4月,MA60机群在超过31万飞行小时运行中,飞行慢车电磁锁发生过16次故障,其失效概率为5.16×10-5,满足可靠性设计指标1.56×10-4。”
但从调查掌握的电磁止动锁失效的数据发现,西飞公司用于电磁止动锁可靠性数据分析的数据并不全面。就以幸福航的相关故障数据为例,自2009年7月30日至2015年5月10日,共计拆换9次,但这些数据中并不包括机组未填写的故障;“5.10”福州事故后,即在2015年5月10日至2015年7月10日间,共记录8次“落地后电磁止动锁不能自动开锁”的故障。
2.16 西飞公司采取的措施
“5.10”福州事故后,西飞公司决定对新舟60型飞机的飞行慢车电磁锁系统进行成品设计改进。具体的改进情况如下:
2.16.1 优化飞行慢车电磁锁控制方式
鸽航事故后,为消除飞行员反映飞机接地瞬间电磁止动锁不能开锁、致使机组无法尽快将功率杆拉到飞行慢车以下位置的问题,印尼鸽航事故发生后,西飞公司对电磁锁锁舌和弹簧片的安装进行改进,即将锁舌和簧片做成一体,消除簧片弹性,以减少不可靠因素;同时调整轮载微动开关压片位置,并将弹簧片与支架用铆钉固定,解决弹簧片的相对位移问题。
“5.10”事故发生后,西飞公司在飞行慢车电磁锁控制电路中增加右主起轮载信号和轮速信号控制的双路供电方案,进一步优化飞行慢车电磁锁的开锁时机。同时增加了轮载信号延时断开控制,当左、右轮载信号任意一个接通时,延时继电器立即接通发出开锁信号,当左右轮载信号均消失后,继电器延时1秒断开,使开锁信号继续发出1秒,保证轮载信号可以稳定输出,电磁锁可以持续开锁。
改进优化后,用左、右主起落架上并联的2路轮载信号,以及并联的受左右主起落架4路轮速信号的控制方式来控制飞行慢车电磁锁。当左右主起落架出现任意一个轮载信号、或4路轮速中出现任何一个信号时,便可以接通飞行慢车电磁锁供电线路,提高其开锁的可靠性,以期消除开锁延误的现象。改进优化后,用左、右主起落架上并联的2路轮载信号,以及并联的受左右主起落架4路轮速信号的控制方式来控制飞行慢车电磁锁。当左右主起落架出现任意一个轮载信号、或4路轮速中出现任何一个信号时,便可以接通飞行慢车电磁锁供电线路,提高其开锁的可靠性,从而以减少开锁延误的现象。
2.16.2 改进飞行慢车机械锁开锁提手设计
为防止机组在空中误将飞行慢车机械锁开锁,西飞公司对现有的飞行慢车机械锁进行了设计改进。改进了飞行慢车机械锁开锁提手形状及布局,使得机组在操作飞行慢车机械锁开锁时具有明显的可见动作。改进前的飞行慢车机械锁参见图27,改进后的飞行慢车机械锁参见图28。

图27 改进前的飞行慢车机械锁 图28 改进后的飞行慢车机械锁
3 分析
3.1 事发时飞行操作分析
根据FDR译码,飞行机组在高度46英尺将左右发功率杆分别收至39.3度和34.9度。根据MA-60机型《飞行机组操作手册》1.72.20章节“螺旋桨的工作方式”(见译码情况表2),飞行慢车对应的功率杆位置为36.6度。此时,飞行机组已将右发功率杆收至飞行慢车以下。
飞行机组在高度38英尺继续将左右发功率杆收至34.6度和28.5度,左右发均收至飞行慢车以下,扭矩均显示为0,飞机失去正拉力。
飞行机组在高度28英尺将左右发功率杆收至18.6度和11.6度,均低于地面慢车对应的功率杆位置,根据该图表(见表2)推算,左右发桨叶角分别为-6.1度和-13度,螺旋桨均处于反桨位置,右发螺旋桨接近全反桨位置(-15.2±1.7度)(见表4)。随后至接地的3秒时间内,飞行机组在高度21英尺将左右发功率杆前推至36.1度和33.4度,均低于飞行慢车位。在高度7英尺将左右发功率杆设置为40.9度和33.0度,在接地瞬间将左右发功率杆前推至59.7度和46.2度,发动机无法及时响应并提供足够的正拉力,飞机加速下沉直至接地。在接地瞬间,主液压系统压力因撞击瞬时由2171PSI下降至175PSI,飞机失去方向控制,因惯性向右偏出跑道直至全停。
机组笔录和飞行数据记录器记录的数据显示,飞机加速下沉坠地前,机长有前推油门带杆的动作,但此时航空器高度已很低、且空气动力性能已经遭到破坏,已无法控制。
表4 事发飞机油门杆角度与β值对照表

根据FDR译码中飞行机组在短五边进近时将功率杆收至飞行慢车位以下的事实,可以推断事发时飞行慢车电磁锁和飞行慢车机械锁都处于开锁状态。调查组认为,事发时飞行慢车电磁锁处于开锁位,这与机组笔录所述相符。
结合调查中飞机验证的结果“在功率杆处于飞行慢车位的情况下,不触摸人工开锁提手,人工在功率杆上持续施加向后的压力,电磁止动锁未见打开,功率杆无法向后移动”,调查组认为,飞行机组在短五边进近时向上提起了功率杆上的开锁提手,并将功率杆向后拉至飞行慢车位以下。飞机空气动力遭到破坏,加速下沉。
综上所述,调查组认为飞行机组在飞行前未将飞行慢车电磁锁放在上锁位,且在短五边进近时向上提起了飞行慢车机械锁并将功率杆向后拉至飞行慢车位以下,对飞机的气动性能造成破坏性的影响,是本次事故的直接原因。
3.2 飞行慢车慢车止动锁使用情况分析
飞机慢车锁系统的设计思路是:当飞机左轮的轮载有信号时,触发继电器开关,电磁制动锁供电,电磁止动锁打开。驾驶员在功率杆处于飞行慢车位,提起飞行慢车机械锁开锁提手、后拉功率杆越过飞行慢车位置将功率杆收到飞行慢车位置以下。在实际落地过程中,由于实际轮速信号与空地逻辑信号存在约4.5秒的差异。在这4.5秒时间段内,操作人员感觉飞机已经落地,但飞行慢车电磁锁没有接到空地逻辑信号而开启。加之部分机组来自波音、空客机队,在理论学习阶段,未被告知该机型空地信号具有延迟特点,误认为反桨故障无法打开。
经试验验证,如果操作人员一直向后拉功率杆,此后即使过了4.5秒的延迟时间,空地逻辑信号接通了电磁止动锁,存在机械锁一直卡住电磁止动锁锁舌的情况,此时功率杆无法拉到地面慢车位置,地面慢车电磁止动锁故障灯会闪亮。在这种情下,飞行人员应当松开功率杆后,待故障灯熄灭,电磁止动锁顺利收回,再次向后拉功率杆,可以顺利将功率杆拉到地面慢车位置,但飞行机组并不知晓慢车系统的这一特点。
由于电磁止动锁故障不能及时解决和机组不了解空地电门的延迟特点,导致机组误以为飞行慢车电磁锁故障,在着陆减速的关键阶段分散精力进行判断和人工开锁。这样的系统误差对于机组的飞行操作造成了干扰,也是部分机组将飞行慢车电磁锁置于开锁位的原因之一。同时,在空中将飞行慢车电磁锁开锁,功率杆收到空中慢车位以下时告警灯光为琥珀色,无音响警告,在目视飞行时缺乏音响警告,不能对机组起到足够的警示作用。
由于飞行慢车机械锁的开锁提手形状及布局情况,机组在操作飞行慢车机械锁开锁时无需明显的可见动作即可完成,这对于防止误操作以及PM识别误操作带来不利的影响。
综上所述,机组对空地电门的延时偏长特点和持续向后压功率杆会导致电磁锁无法动作特点不熟悉,导致机组误认为飞行慢车电磁锁止动锁工作不可靠,并且飞行慢车机械锁在设计上缺乏有效的设计保护,机组之间无法有效地识别机械锁位置的危险变化,是本次事故发生的因素之一。
3.3 公司管理及厂家技术支持分析
3.3.1 幸福航手册分析
由于幸福航《飞行机组使用手册》中未见在飞行前准备正常程序中含有关于功率杆电磁止动锁电门具体位置的操作要求、未见关于空中将该电门设置于人工开锁位相关的安全警示,也未见关于飞行慢车电磁锁的相关检查单项目,使得机组未能获得关于这一电门的工作原理及使用方法的足够信息,也就忽视飞行慢车电磁锁的重要性,从而在实际的运行中放弃了这一电门所提供的保护作用。
根据事发时MA-60 机型的《飞行机组使用手册》及《正常检查单》,机组例行使用的飞行程序中未见关于功率杆电磁止动锁的操作要求。根据当事机组和幸福航总飞行师的调查笔录,幸福航MA-60 机队关于功率杆电磁止动锁存在以下操作习惯,机组在进行飞行前驾驶舱准备时一般不会主动将该电门设置于关闭位,而是保持原来的电门位置。尽管无法确定这种操作习惯的广泛性,MA-60 机型的相关手册未能将这种危险习惯可能导致的后果进行警示并提出明确的操作要求。
3.3.2 MA60飞机历史同类事件分析
经调查,印尼鸽航事故发生后,西飞公司虽然在FCOM和QRH手册中增加了“警告:空中禁止将功率杆收到飞行慢车以下。”,但并未就该起事故的核心问题“在空中将电磁止动锁放置于开锁位”进行手册的评估。西飞公司2013年7月开展了电磁止动锁可靠性提升工作,于2014 年7月向用户发布关于换装可靠性改进后的电磁止动锁服务通告(MA60-76-SB446),但没有及时为幸福航提供电磁止动锁更新件,在“5.10”事故发生前,仅有一架飞机(B3451号机)完成了电磁止动锁的更新。
调查组发现在印尼鸽航事故后,西飞公司未将该事故的直接原因、机组操作过程和有关防范措施等信息通报客户。
3.3.3 西飞公司客户服务平台使用分析
西飞公司客户服务平台利用关键字查询来筛选分类各类故障,存在因关键字段描述差异导致的条目漏筛选问题,也会因录入环节的人为因素导致信息流失。这将直接影响系统可靠性分析数据的准确性。
3.3.4 MA60飞机慢车电磁止动锁据可靠性分析
事发后,西飞公司对电磁止动锁可靠性工作分析结论如下:“从2009年至2015年4 月,MA60 机群在超过31 万飞行小时运行中,飞行慢车电磁锁发生过16 次故障,其失效概率为5.16×10-5,满足可靠性设计指标1.56×10-4”。但调查数据显示:仅幸福航而言,从该机型投入使用至事发前共记录了拆换9次更换,而“5.10”福州事故,2015年5月10日后至7月7日前不到两个月的时间里,就记录8次关于电磁止动锁的故障,均反映“落地后电磁止动锁不能自动解锁3(3 即开锁)”。
西飞公司统计客户使用数据是依靠客户或服务代表在新舟客服平台上,填写录入飞机、故障以及各类技术咨询和建议,利用关键字查询来筛选分类各类故障,存在因关键字段描述差异导致的条目漏筛选问题,也会因录入环节的人为因素导致信息流失。
幸福航初期运行时机组曾经反应过该故障,及时填写《飞机飞行记录本》。在反馈意见不能得到解决后,部分机组采取了不填写记录本,这样的统计数据应用于可靠性分析,导致错误的可靠性数据产生,以上情况未引起西飞公司对该问题的重视,导致同样的问题在客户机队再次发生。以上数据显示,西飞公司用于电磁止动锁可靠性分析数据不完整、不全面,存在以偏概全情况。基于不全面的数据得出电磁止动锁的可靠性分析的结果是不可靠的。
3.3.5 西飞公司提供的模拟机训练分析
西飞公司在国内共设置的供客户航空公司进行飞行训练的两台C 类模拟机,在事发前有一台模拟机未安装功率杆电磁止动锁,并且未安排幸福航的受训机组仅使用安装该电门的模拟机进行训练。同时,幸福航也未针对MA60 空地电门的延时进行专项模拟训练。
综上所述,西飞公司未能向客户提供足够的技术支持,事发时厂商提供的机型手册中未明确功率杆电磁止动锁的具体操作要求与存在的运行风险;同时,幸福航在飞行手册管理、训练管理、规范化操作、风险管理方面存在不足,未能对机组进行充足的飞行训练与风险提示,未能有效落实飞行标准程序,导致机组未能充分的认识到该电门的重要性,是本次事故发生的因素之一。
3.4 生存因素分析
此次航班上共有45 名旅客(其中一位婴儿,不占座),受伤旅客两名,均为压缩性骨折,鉴定为8 级伤残。受伤旅客乙坐在6A 位置,此位置为机身折损变形最大点。另一名旅客甲坐在12D,位于客舱后部,受到的垂直作用力较大且前排座位无旅客。MA60配备的是可拆式椅背,前排椅背折下后,对后排旅客失去缓冲保护。
一处是机身断裂变形最严重的位置处,另一处是前排没有阻挡情况下。是否还可以问问其他有不舒服感觉旅客的位置,以便进一步分析还有其他什么原因会导致低高度坠机事故中旅客受伤。
厂方《MA60飞机客舱机组操作手册》及幸福航《客舱乘务员手册》均没有关于“翼上紧急出口”的描述,函件所指应为厂方手册所描述的“客舱应急出口”。这种表述并不明确是否涵盖“翼上紧急出口”。
4 结论
4.1 调查发现
1、幸福航飞行前准备正常程序中,没有关于功率杆电磁止动锁电门具体位置的操作要求,也没有关于空中将该电门设置于人工开锁位的安全警示。
2、幸福航飞行机组在飞行前驾驶舱准备时,一般不会主动将该电门设置于上锁位,而是保持接飞机时的电门位置飞行。
3、幸福航MA-60 机型地面理论训练中,无关于功率杆工作原理的相关内容,受调查飞行员反映未受过有关飞行慢车电磁锁的理论培训。
4、受调查飞行员表示,在参加幸福航或厂商提供的MA-60机型初始改装训练时,未接受过关于功率杆电磁止动锁操作要求及安全风险的相关培训。
5、幸福航的飞行模拟机训练科目中,无关于防止将功率杆收至飞行慢车以下的情景意识训练或者紧急状态改出训练情况。
6、西飞公司在国内共设置了两台C 类模拟机供客户航空公司进行飞行训练,在事发前有一台模拟机未安装功率杆电磁止动锁,也未安排幸福航的受训机组使用已安装该电门的模拟机进行训练。
7、在空中将飞行慢车电磁锁开锁,功率杆收到空中慢车位以下时告警灯光为琥珀色,无音响警告。
8、飞行慢车机械锁位置距离功率杆上端太近,机组在提拉功率杆机械开锁提手时不需要较大的手势变化就能上提开锁提手,不利于机组识别,或防止误提开锁提手。
9、MA60 飞机的空地感应电门有平均4.5 秒的延迟,测试采样数据中最长的延迟达6 秒。
10、印尼鸽航事故发生后,幸福航未收到厂商提供的关于该事故的任何形式的信息。
11、幸福航在印尼鸽航事故后未对飞行机组进行相关的技术分析和安全培训。
12、幸福航在印尼鸽航事故后未针对电磁止动锁的使用进行风险评估。
13、由于洗手间的遮挡,旅客无法目视后货舱应急出口,且无明显的指引标识,降低了该应急出口的使用率。
4.2 结论
调查发现,事故发生的直接原因是飞行机组在飞行前未将飞行慢车电磁锁放在上锁位,使飞机慢车电磁止动锁失去空中保护功能;在接地前机组收油门时,误提功率杆机械开锁提手,致使功率杆越过慢车机械锁位置至飞行慢车位以下,导致螺旋桨反桨、飞机在低高度失去正拉力进入失控状态而坠地。
调查还发现,2013年6月10日印尼鸽航事故发生后,作为飞机生产厂家,西安飞机工业(集团)有限责任公司(以下简称西飞公司)并未对机组习惯将飞行慢车电磁锁在空中开锁的深层次原因进行研究和分析;未及时将鸽航事故教训和事发原因告知新舟60用户进行警示和防范;新舟60慢车电磁止动锁可靠性相对偏低,对新舟60慢车电磁止动锁系统的开锁延迟的特点未告知用户;在鸽航事故后,虽对慢车电磁止动锁进行了改进,但又不能及时将更新后的电磁止动锁提供给用户、也未对手册进行相应的更新;功率杆机械开锁提手设计未体现防错设计的理念。针对慢车电磁止动锁的使用,幸福航在相关手册、训练与规范化操作以及风险管理方面存在不足。上述因素是促成此次同类事故重复发生的间接原因。
根据幸福航提供的修理厂家(西飞公司)按民航西北地区管理局批准的修理方案预估的航空器修复费用(为4754.7 万元人民币),与最接近事发时该型航空器的市场售价(10296 万元人民币)计算获得的比值为46.18%,即整个预估的修复费用不到事发当时同型航空器可比价格的60%。根据中华人民共和国国家标准(GB14648-93)第3.2.3 款c 项,即“最大起飞重量5.7-50吨(含)的航空器一般损坏,其修复费用超过事故当时同型或同类可比新航空器价格的10%(含)者”的标准,该事件是一起运输航空一般事故。
综上所述,调查组认定这是一起人为责任原因的运输航空一般事故。
另,根据幸福航提供的《关于上报幸福航空B-3476 飞机修复工作进展情况的补充材料》,该机的修复工作将于2016 年5月下旬开始实施,暂定修理周期180 天。根据中华人民共和国国家标准(GB14648-93)2.6 款对航空器受损后的有关修复标准规定:“如航空器修复费用超过事故当时同型或同类可比价格的60%(含),或修复费用虽未超过60%(含),但修理后不能达到航空器适航标准的为严重损坏”。如果该机的实际修理后费用超过60%,或修理后民航西北地区管理局认为达不到航空器适航标准的,调查组将对事件性质重新进行认定。
5 安全建议
5.1 幸福航空公司
1、公司应全面修订飞行手册,增加对电磁止动锁安全风险的警示,要求机组在飞行前将电磁止动锁设定在上锁位,因故障人工打开电磁止动锁后应在关车后立即复位。
2、公司应加强训练管理,针对MA60 机型特点增加必要的理论培训及模拟机训练科目,规范操作,全面落实飞行标准程序,防止机队中形成错误的飞行习惯。
3、公司应加强风险管理,全面收集有效的安全信息,对运行风险进行有效管控,防止类似不安全事件重复发生。
5.2 西飞公司
1、公司应向客户提供技术支持,并保持对手册及时、持续的更新,确保向客户提供的训练设施、设备的规章符合性。
2、公司应及时将所涉及机型的重大信息、预防措施及安全警示同步传递到客户,避免同类事件再次发生。
3、公司应派相关人员参加SDR 培训,与局方开展使用困难报告方面的数据共享、经验交流、制定措施等合作事项,尽可能保证可靠性数据的完整性和客观性。