目录

  • 1 项目一 一居室照明电路装调
    • 1.1 客户委托书
    • 1.2 任务一  电源配电箱装调
      • 1.2.1 认识交流电
      • 1.2.2 了解安全用电
      • 1.2.3 认识RCD
      • 1.2.4 电源配电箱安装
    • 1.3 任务二 照明电路装调
    • 1.4 单元测试
  • 2 项目二   切割机电气线路装调
    • 2.1 客户委托书
    • 2.2 任务一 低压电气图的识读与绘制
      • 2.2.1 识读低压电气图
      • 2.2.2 2018年电气装调部分
      • 2.2.3 2019年电气装调部分
      • 2.2.4 2020年电气装调部分
      • 2.2.5 2021年电气装调部分
      • 2.2.6 2022年电气装调部分
    • 2.3 任务二  切割机电路的元器件选型
      • 2.3.1 元器件的选型
      • 2.3.2 电动机的选型
    • 2.4 任务三  切割机电气线路装调
    • 2.5 单元测试
  • 3 项目三  循环水冷却系统装调
    • 3.1 客户委托书
    • 3.2 任务一 接线工艺规范的认识
    • 3.3 任务二 循环水冷却系统元器件的选型
    • 3.4 任务三 循环水冷却系统的接线
      • 3.4.1 三相异步电动机连续运行控制装调
      • 3.4.2 电动机连续运行控制实训工作页
    • 3.5 单元测试
  • 4 项目四  平面磨床自动往返控制电路装调
    • 4.1 客户委托书
    • 4.2 任务一 平面磨床电气元器件选型
    • 4.3 任务二  平面磨床电气接线
      • 4.3.1 识读电动机正反转控制电气原理图
      • 4.3.2 学会电动机正反转控制接线规范
      • 4.3.3 三相异步电动机正反转控制电路的装调
      • 4.3.4 三相异步电动机双重互锁正反转控制电路的装调
      • 4.3.5 三相异步电动机自动反转控制装调
      • 4.3.6 三相异步电动机位置控制电路的装调
      • 4.3.7 工作台自动往返控制电路装调
    • 4.4 单元测试
  • 5 项目五  大功率风机降压启动控制线路装调
    • 5.1 客户委托书
    • 5.2 任务一 大功率风机降压启动元器件选型
    • 5.3 任务二  大功率风机降压启动控制线路装调
      • 5.3.1 电动机星三角启动控制电路的装调
      • 5.3.2 星三角降压启动PLC控制电路的装调
      • 5.3.3 大功率风机启动实操
    • 5.4 单元测试
  • 6 项目六 起重机起动控制线路装调
    • 6.1 客户委托书
    • 6.2 任务一 识读绕线式电动机起动控制电路
    • 6.3 任务二 起重机起动控制线路装调
    • 6.4 单元测试
  • 7 项目七 输送带PLC控制装调
    • 7.1 客户委托书
    • 7.2 任务一 PLC1200的认识及选型
    • 7.3 任务二 PLC组态及通讯设置
      • 7.3.1 PLC1200组态设置
      • 7.3.2 S7-1200通讯设置
    • 7.4 任务三 顺序功能图设计
    • 7.5 任务四 程序编写及实操
    • 7.6 单元测试
  • 8 项目八 恒压供水系统变频调速控制装调
    • 8.1 客户委托书
    • 8.2 任务一 面板控制变频调速装调
      • 8.2.1 初识MM420
      • 8.2.2 使用BOP面板的快速调试
      • 8.2.3 实施任务
    • 8.3 任务二 数字端控制变频调速装调
      • 8.3.1 供水泵的变频调速电路装调
      • 8.3.2 变频器控制电机正反转装调
    • 8.4 任务三 恒压供水变频调速控制装调
    • 8.5 单元测试
  • 9 项目九  车床电气线路装调与故障检测
    • 9.1 客户委托书
    • 9.2 任务一 车床冷却泵顺序启动控制线路装调
    • 9.3 任务二 识读车床电气原理图
    • 9.4 任务三检测车床电气故障
  • 10 项目十 铣床电气线路装调与故障检测
    • 10.1 客户委托书
    • 10.2 任务一 铣床主轴能耗制动控制线路装调
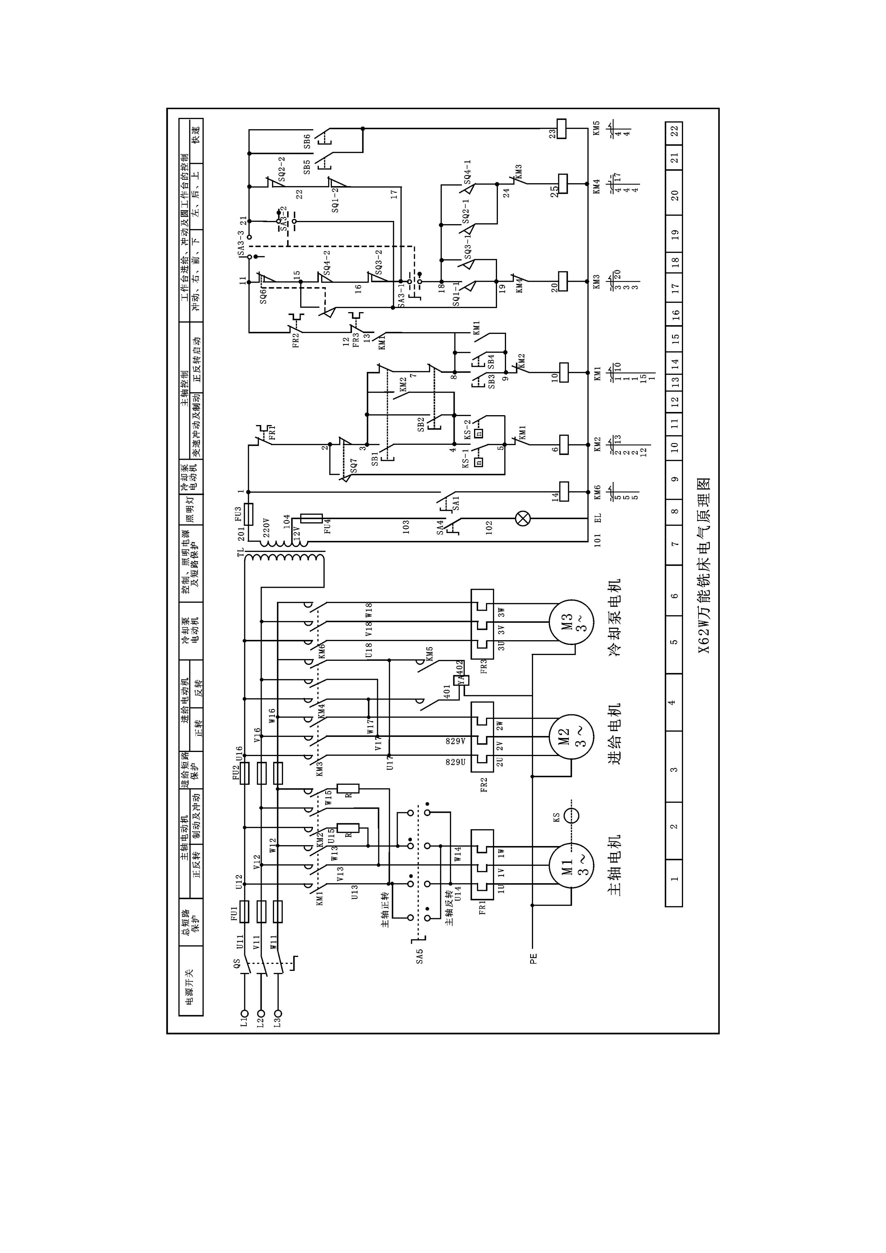
    • 10.3 任务二 识读铣床电气原理图
    • 10.4 任务三 检测铣床电气故障
    • 10.5 单元测试
  • 11 项目十一 镗床电气线路装调与故障检测
    • 11.1 客户委托书
    • 11.2 任务一 镗床主轴双速控制线路装调
    • 11.3 任务二 镗床主轴双速控制线路装调
    • 11.4 任务三  磨床和钻床电气图的识读
      • 11.4.1 识读磨床电气原理图
      • 11.4.2 识读钻床电气原理图
    • 11.5 单元测试
  • 12 项目十二 汽车精密轴承清洗站电控系统装调
    • 12.1 客户委托书
    • 12.2 任务一 分析清洗站功能
    • 12.3 任务二 设计电控柜布局
    • 12.4 任务三 装调电气控制系统线路
    • 12.5 任务四 实现清洗站功能
      • 12.5.1 VDE0100-600
    • 12.6 拓展项目  汽车后视镜耐久测试系统装调
      • 12.6.1 任务一 后视镜耐久测试系统功能分析
      • 12.6.2 任务二  后视镜耐久测试生产准备
        • 12.6.2.1 拓展资源:VDE0100标准及测试视频
          • 12.6.2.1.1 VDE0100-701/702
          • 12.6.2.1.2 VDE0100-400
    • 12.7 单元测试
  • 13 项目十三  汽车电子水泵智能检测设备装调
    • 13.1 客户委托书
    • 13.2 任务一 智能检测设备功能分析
    • 13.3 任务二 智能检测设备图纸设计
    • 13.4 任务三 智能检测设备安装调试
    • 13.5 任务四 智能检测设备虚实联调
    • 13.6 任务五 智能检测设备技术移交
    • 13.7 单元测试
任务二 识读铣床电气原理图