客户委托书
-
1 情境说明1
-
2 思维导图1
-
3 情境说明2
-
4 思维导图2
上一节
下一节
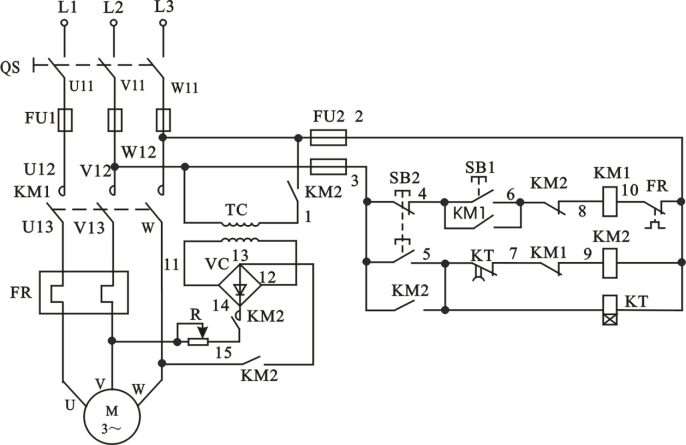
【情境说明1】
迅捷自动化技术有限公司为客户定制一批铣床控制柜,需要安装铣床主轴能耗制动控制电路并完成检查与调试。请您选择符合要求的变压器、空气断路器、熔断器、热继电器、接触器、时间继电器、整流桥等电气元件,按照电路图,完成铣床主轴能耗制动控制电路的安装与调试。完成后,若出现故障,能及时排除。工作过程要遵循5S行为规范。





