客户委托书
-
1 情境说明
-
2 思维导图
上一节
下一节
【情境说明】
京东物流车间需要安装一条物料输送带,该输送带由三台电机控制,需要按照电气安装规范,依据公司输送带的功能,绘制主电路和PLC的I/O接线图,正确完成PLC控制三台电动机顺序启停线路的安装、接线和调试。完成配盘安装工作后,若出现故障,应能及时排除。 工作过程要遵循“6S”行为规范。
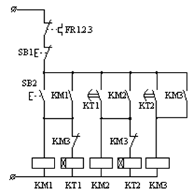
输送带控制要求如下图:

(1)正确识读给定的电路图;将控制电路部分改为PLC控制,在答题纸上正确绘制主电路和PLC的I/O口(输入/输出)接线图,并设计PLC梯形图。
(2)按照电气安装规范,依据图绘制的主电路和I/O接线图正确完成PLC控制三台电动机顺序启停线路的安装和接线;
(3)正确编制程序并输入PLC中;
(4)通电试运行。



