客户委托书
-
1 情境说明
-
2 思维导图
上一节
下一节
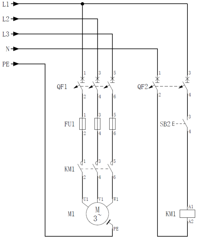
【情境说明】
固捷工具公司正在为客户生产一批切割机,现在需要安装切割机控制电路并完成检查、调试。 请您选择符合要求的空气断路器、熔断器、接触器等电气元件,按照电路图,完成切割机控制。
电路的安装与接线。完成配盘安装工作后,若出现故障,应能及时排除。工作过程要遵循“6S”行 为规范。



