客户委托书
-
1 情境说明
-
2 思维导图
下一节
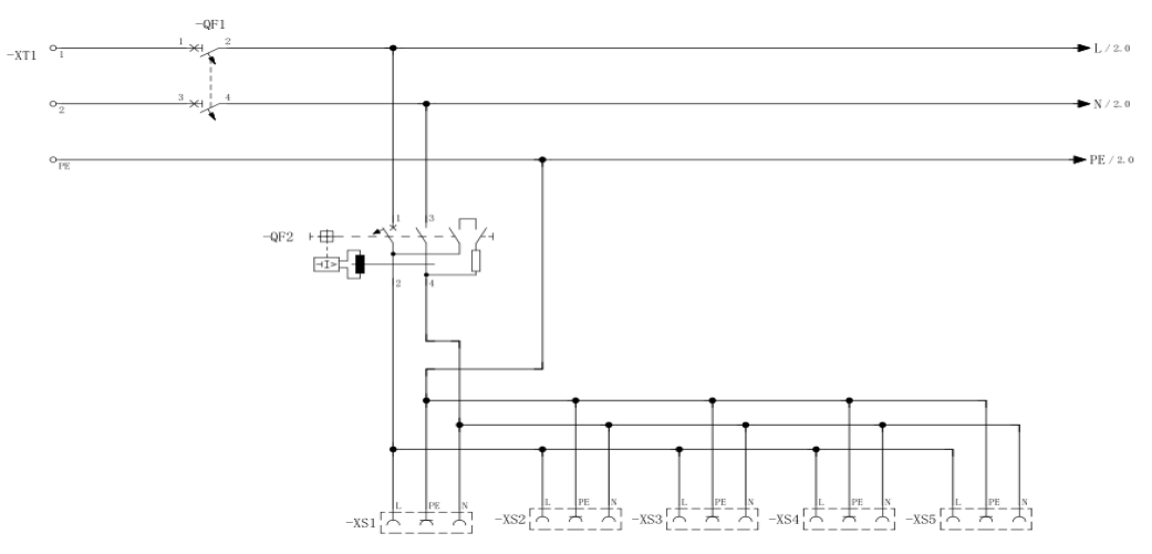
【情境说明】
王先生买了一居室的二手房,建筑面积56平方米,原来的照明、插座线路已老化需要重新安装,因墙中穿线阻塞,需要在墙体外安装线槽用来敷设线路。
每个房间需安装一盏照明灯,卧室照明采用异地控制方式,客厅与卫生间照明采用单开关控制。普通插座、插座电路的电源开关按照国家标准要求来安装,卧室与客厅各安装一个挂式空调插座,空调插座各自使用独立的电源开关。
请您选择符合要求的空气断路器、剩余电流动作保护器、墙壁插座、墙壁开关灯,并按照电路图,完成一居室电路的安装与接线。完成配盘安装工作后,若出现故障,应能及时排除。工作过程要遵循“6S”行为规范。




