任务二 照明电路装调
上一节
下一节
【任务描述】
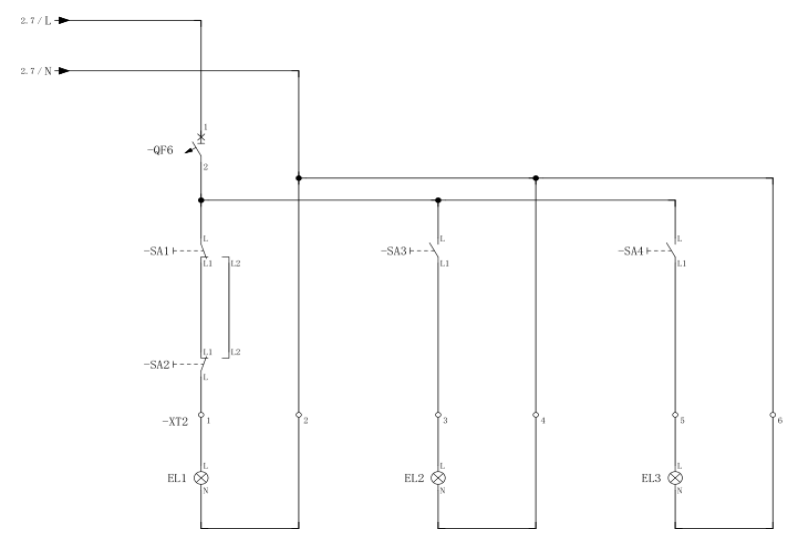
请您选择符合要求的空气断路器、剩余电流动作保护器、墙壁插座、墙壁开关等,并按照电路图,完成一居室电路的安装与接线。完成配盘安装工作后,若出现故障,应能及时排除。
【安装前准备】
计划

实施
填写元器件表、材料统计表、确定布局图


实施 照明电路的安装
检查
通电前检查

通电检查


