简易广告彩灯的安装与调试
上一节
下一节
※实训任务
完成简易广告彩灯电路的焊接安装,展示调试好的作品。
※实训目标
掌握各元件正确的插焊方法
掌握电路安装与调试的基本方法
掌握锡接走线的基本方法
※知识扫描
知识点1:元器件的插焊方法
简易广告彩灯电路板正面:
知识点2:电路安装与调试的基本步骤
1、绘制电路装配图
2、依据装配图组装焊接电路
3、依据原理图,用万用表逐条线路检测通断
4、上电测试电路效果
知识点3:锡接走线法

简易广告彩灯电路板背面:
演示视频
※实训文档
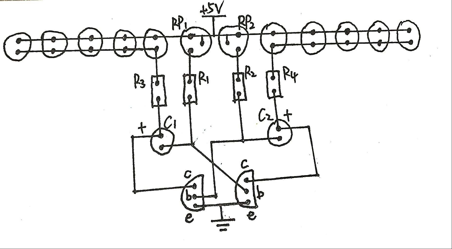
简易广告彩灯电路装配图

※参考资源
http://www.360doc.com/content/15/0605/07/19359740_475764824.shtml
※效果展示

