简易广告彩灯电路的认识
上一节
下一节
※实训任务
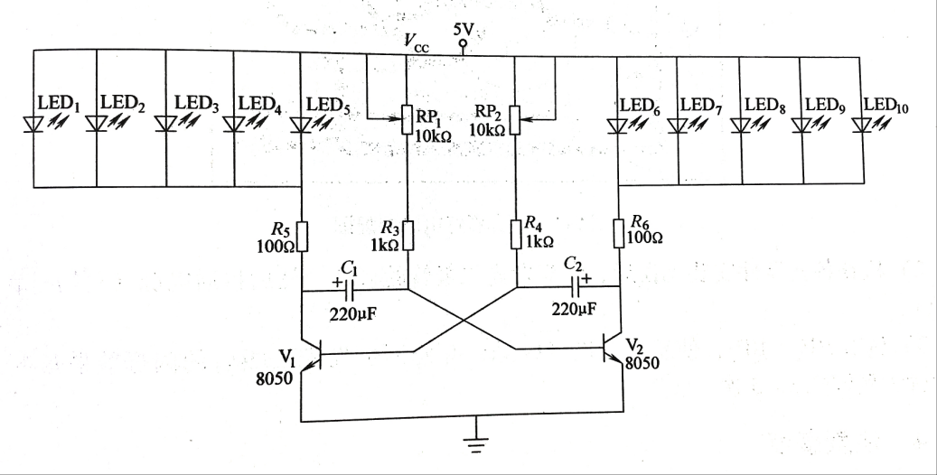
认识简易广告彩灯电路原理图,根据原理图列写元件清单。

※实训目标
认识各元器件符号
掌握元件清单的列写方法
※任务分解
任务1:分析简易广告彩灯电路原理图
任务2:根据原理图列写元件清单
※参考资源
目录
※实训任务
认识简易广告彩灯电路原理图,根据原理图列写元件清单。

※实训目标
认识各元器件符号
掌握元件清单的列写方法
※任务分解
任务1:分析简易广告彩灯电路原理图
任务2:根据原理图列写元件清单
※参考资源