思考题
上一节
下一节

图6-26整流滤波电路
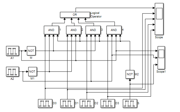
2. 搭建如图6-27所示四路数据选择器并仿真实现。

图6-27数据选择器
提示:四路输入信号D0、D1、D2、D3设置不同频率信号。A1、A2是地址控制端。
3. 利用已经搭建完成的一位十进制计数器模块如下图6-28所示,搭建四位十进制计数器。

图6-28一位十进制计数器

