实验内容
上一节
下一节
1. 电路如图6-29所示,编写M文件进行仿真,求电路中流过R5的电流。

图6-29实验内容1电路图
2. 含有受控源的电路如图6-30所示,试画出Simlink仿真模型图并运行。

图6-30实验内容2含受控源电路原理图

图6-31RLC串联电路
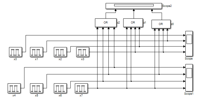
4.仿真实现如图6-32所示的8线-3线编码器。

图6-32 8线-3线编码器仿真模型
5.利用Simulink模块搭建一位二进制比较器的仿真模型。

6.若RC充放电电路如下图6-33所示,电阻R=1,c=500uf,试利用Simulink仿真RC充电过程。观察:(1)流过电阻的电流波形;(2)电容器端电压波形。

图6-33RC充放电电路

