实验二 晶体管共射极单管放大器
-
1 预习要求
-
2 实验内容
-
3 教学视频
-
4 实验课件
上一节
下一节
预习要求
1.阅读教材中有关共发射极单管放大电路的工作原理。
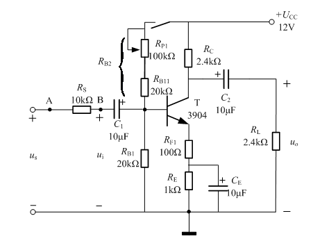
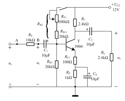
2.设下图中T的β=100,UBE=0.7V,估算当ICQ=2mA 时,RB2的值、放大器的IBQ和电压放大倍数Au、输入电阻Ri和输出电阻Ro。
3.改变静态工作点对放大器的输入电阻Ri有否影响?改变负载电阻RL对输出电阻Ro有否影响?
4.利用仿真软件Multisim对下图按实验内容进行仿真分析,得出相关结果。



