预习要求
学习教学视频:函数信号发生器、毫伏表和示波器的使用,并回答下列问题。
(1)测量交流电压信号有效值时,应当使用数字万用表的交流电压挡还是使用交流毫伏表?为什么?
(2)交流毫伏表可以用来测量非正弦波电压吗?交流毫伏表的读数是被测信号的什么值?
(3)当示波器显示屏上的波形高度超出显示屏时应如何调整哪个旋钮?当显示屏上的波形不在屏幕中央时应如何调节?
(4)如何得到频率为1kHz、有效值为10mV的正弦信号?
实验内容
1.用机内校正信号对示波器进行自检。
将示波器探头将示波器面板上的校正信号接入到“CH1”或“CH2”通道,调节“扫描速率”旋钮和“Y轴灵敏度”旋钮,使示波器屏幕上显示出一个或数个周期的稳定的方波波形。
(1)校准“校正信号”幅度
将“Y轴灵敏度”旋钮置调整到适当位置,使方波波形尽量充满整个屏幕,利用光标测量读取校正信号幅度,记入表4.1。
(2)校准“校正信号”频率
将“扫描速率”旋钮调整到适当位置,使显示屏上显示一到两个完整的方波信号,利用光标测量读取校正信号幅度周期,记入表4.1。
表4.1 示波器校正信号的测量
| 标准值 | 实测值 |
| 幅度Vp-p(V) |
|
|
| 频率 (KHz) |
|
|
2.用示波器和交流毫伏表测量信号参数
设置函数信号发生器输出信号的参数,使输出频率分别为100Hz、1kHz、10kHz、100kHz,有效值分别为50mV、100mV、0.5V、1V(交流毫伏表测量值)的正弦波信号。
改变示波器“扫描速率”旋钮及“Y轴灵敏度”旋钮等位置,测量信号源输出电压频率及峰-峰值,记入表4.2。
表4.2 示波器和交流毫伏表对信号的测量
| 信号电压频率 | 示波器测量值 | 信号电压 毫伏表读数 | 示波器测量值 |
| 周期(ms) | 频率(Hz) | 峰-峰值(V) | 有效值(V) |
| 100Hz |
|
| 50mV |
|
|
| 1kHz |
|
| 100mV |
|
|
| 10kHz |
|
| 0.5V |
|
|
| 100kHz |
|
| 1V |
|
|
3.测量两波形间相位差
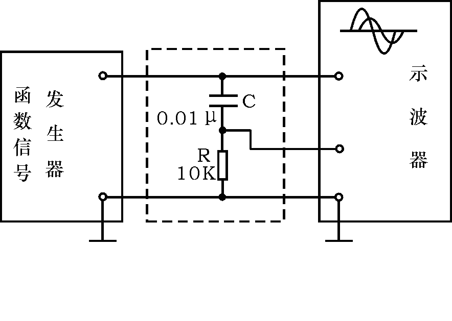
(1)按图4.3连接实验电路,将函数信号发生器的输出电压调成频率为1kHz,幅值为2V的正弦波,经RC移相网络获得频率相同但相位不同的两路信号ui和uR,分别加到双踪示波器的CH1和CH2输入端。
为便于稳定波形,比较两波形相位差,应使内触发信号取自被设定作为测量基准的一路信号。

图4.3 两波形间相位差测量电路
(2)将CH1、CH2 输入耦合方式开关置“AC”挡位,调节触发电平、扫速开关及CH1、CH2灵敏度开关位置,使在荧屏上显示出易于观察的两个相位不同的正弦波形ui和uR,如图4.4所示。根据两波形在水平方向时间差
及信号周期T,则可求得两波形相位差。记录两波形相位差于表4.2。

图4.4 双踪示波器显示两相位不同的正弦波

式中:T——信号周期
——两波形在X轴方向的时间差
表4.3 相位差的测量
| 信号周期 | 两波形 相差的时间 | 相位差 |
| 实测值 | 计算值 |
|
|
|
|
为读数和计算方便,可适当调节扫速开关及微调旋钮,使波形一周期占整数格。