第二节主接线的基本接线形式 主接线的基本形式就是主要电气设备常用的几种连接方式,以电源和出线为主体。主接线的基本形式总体分为有母线和无母线两大类,母线(主母线或汇流母线)作为汇集和分配电能的导线。有汇流母线的接线形式概括地可分为单母线接线和双母线接线两大类;无汇流母线的接线形式主要有桥形接线、角形接线和单元接线。 一、有母线接线 (一)单母线接线 1、简单单母线接线
单母线接线
(1)设备的配置及名称和用途:
断路器、隔离开关、接地隔离开关、母线
(2)运行倒闸操作:发电厂和变电所电气设备有运行、备用和检修三种工作状态。由于正常供电的需要或故障的发生,而转换设备工作状态的操作称为“倒闸操作”。倒闸操作正确与否,直接影响安全运行。
倒闸操作“五防”
1)防止带负荷拉合隔离开关
2)防止带地线合隔离开关
3)防止带电挂接地线
4)防止误拉合断路器
5)防止误入带电间隔
操作顺序:断电顺序:拉开QF2→QS22→QS21
投入顺序:合上QS21→QS22→QF2。
(3)优点:接线简单,操作方便、设备少、经济性好,并且,母线便于向两端延伸,扩建方便。同时,QS隔离开关不作为操作电器,仅用作隔离电压。
(4)缺点:①可靠性差。母线或母线隔离开关检修或故障时,所有回路都要停止工作,②调度不方便,电源只能并列运行,不能分列运行,并且线路侧发生短路时,有较大的短路电流。
(5)应用范围:一般只用在出线回路少,并且没有重要负荷的发电厂和变电站中。
改进方法:采用单母线分段接线、单母线分段接线带旁路母线接线
2、单母线分段接线
(1)优点:可靠性、灵活性较单母线接线都高 对重要用户可以从不同段引出两回馈电线路,由两个电源供电;当一段母线发生故障,分段断路器自动将故障段隔离,保证正常段母线不间断供电,不致使重要用户停电;可分列运行也可并列运行。 (2)适用范围:中、小容量发电厂和变电站的6~10kV接线中。 3、单母线分段带旁路母线的接线 旁路母线WP、旁路断路器QFP及母线旁路隔离开关QSPⅠ、QSPⅡ、QSPP,出线旁路隔离开关QSP。在正常工作时,旁路断路器QFP以及各出线回路上的旁路隔离开关QSP,都是断开的,旁路母线WP不带电。 优点:检修进、出线断路器不中断该进、出线供电。 检修QF3:退出运行:QSPⅠ处于合闸状态(若属分闸状态,则与QSPⅡ切换),则合上→QFP,检查旁路母线WP是否完好→旁路母线完好→合QSP1→断QS32→断QS31→检修QF3,出线WL1的供电不致中断。 检修WⅠ段母线上的出线断路器:先合QSD,→断开QFD和开关QS2→合上QS4→合上QFD。如旁路母线是完好的,QFD不会跳开→合上该出线的旁路开关→断开要检修的出线断路器及其两侧的隔离开关,就可对该出线断路器进行检修。
(二)双母线接线
1、双母线接线
有两组母线,并且可以互为备用,如图4-3所示。每一电源和出线的回路,都装有一台断路器,有两组母线隔离开关,可分别与两组母线连接。两组母线之间的联络,通过母线联络断路器(简称母联断路器)QFC来实现。
双母线接线
(1) 优点:
1)供电可靠高
a.检修母线不停电,一组母线故障后,能迅速恢复供电。
b.检修任一回路的母线隔离开关时,只需断开此隔离开关所属的一条电路和与此隔离开关相连的该组母线,其他回路均可通过另一组母线继续运行;
c.检修任意出线断路器时,可接临时跨条,该回路短时停电,跨条接好即可送电,此时用母线开关来执行出线断路器的任务。
2)调度灵活:a.单母线运行;b.固定连接方式运行;c.分裂运行方式。
3)扩建方便.
(2)特殊功能:1)用母联与系统进行同期或解列操作;
2)当个别回路需要单独进行试验母线
3)当线路利用短路方式熔冰时,一条可作为熔冰母线。
(3)应用范围:出线带电抗器的6~10kV配电装置;35~60kV出线数超过8回,或连接电源较大、负荷较大时;110~220kV出线数为5回及以上时。
由于双母线上进出、线回路数或母线上电源较多,输送和通过功率较大,为限制短路电流,以选择轻型设备,减小母线故障时的停电范围,提高接线的可靠性,采用双母线三分段接线,并在分段处加装母线电抗器。分段母线故障时所连的电源回路和出线回路切换到备用母线上,即可恢复供电。这样,只是部分短时停电,而不必全部短期停电。为了保证检修进出线断路器而不中断该进出线供电,加装旁路母线。
双母线分段接线
2、一台半断路器
如图所示。每两个元件(出线、电源)用3台断路器构成一串接至两组母线,称为一台半断路器接线,又称3/2接线。在一串中,两个元件(进线、出线)各自经1台断路器接至不同母线,两回路之间的断路器称为联络断路器。
运行时,两组母线和同一串的3台断路器都投入工作,称为完整串运行,形成多环路状供电,具有很高的可靠性。
(1)主要特点:可靠性和灵活性很高
1).任一母线故障或检修,均不致停电;甚至于在两组母线同时故障(或一组母线检修另一组母线故障)的极端情况下,功率仍能继续输送。
2)任一断路器检修也不引起停电;
3)一串中任何一台断路器退出或检修时,这种运行方式称为不完整串运行,此时仍不影响任何一个元件的运行。
4)运行方便、操作简单,隔离开关只在检修时作为隔离带电设备使用。
(2)适用范围:通常在330kV~500kV配电装置中,当进出线为6回及以上,配电装置在系统中具有重要地位,则宜采用一台半断路器接线。
一台半断路器接线
(3)进出线配置原则:
1)电源线宜与负荷线配对成串,即要求采用在同一个“断路器串”上配置一条电源回路和一条出线回路。
2)同名回路宜分别接入不同侧的母线,进出线应装设隔离开关。当一台半断路器接线达三串及以上时,同名回路可接于同一侧母线,进出线不宜装设隔离开关。
3、变压器母线组接线
各出线回路由2台断路器分别接在两组母线上,变压器直接通过隔离开关接到母线上,组成变压器母线组接线,如图所示。
这种接线调度灵活,电源和负荷可自由调配,安全可靠,有利于扩建。
由于变压器是高可靠性设备,所以直接接入母线,对母线的运行并不产生明显影响。一旦变压器故障时,连接于对应母线上的断路器跳开,但不影响其他回路供电。
当出线回路较多时,出线也可采用一台半断路器接线形式。这种接线在远距离大容量输电系统中,对系统稳定和供电可靠性要求较高的变电站中采用。
二、无母线接线
1、单元接线
单元接线是无母线接线中最简单的形式,也是所有主接线基本形式中最简单的一种。如图所示。
图(a)为发电机—双绕组变压器组成的单元接线,是大型机组广为采用的接线形式。发电机出口不装断路器,为调试发电机方便可装隔离开关,对200MW以上机组,发电机出口采用分相封闭母线,为了减少开断点,亦可不装断路器,但应留有可拆点,以利于机组调试。
图
(b)所示为发电机-三绕组变压器(自耦变压器类同)单元接线。为了在发电机停止工作时,还能保持和中压电网之间的联系,在变压器的三侧均应装断路器。图(c)所示为发电机-变压器-线路单元接线,适宜于一机、一变、一线的厂、所。此接线最简单,设备最少,不需要高压配电装置。
扩大单元接线图
图(a)所示,当发电机单机容量不大,且在系统备用容量允许时,为了减少变压器台数和高压侧断路器数目,并节省配电装置占地面积,将2台发电机与1台变压器相连接,组成扩大单元接线。
图(b)所示为发电机-分裂绕组变压器扩大单元接线。通常,单机容量仅为系统容量的1%~2%或更小,而电厂的升高电压等级又较高,如50MW机组接入220kV系统、100MW机组接入330kV系统、200MW机组接入500kV系统,可采用扩大单元接线。
2、桥形接线
当只有两台变压器和两条线路时,宜采用桥形接线。桥形接线,根据桥断路器QF3的安装位置,可分为内桥接线和外桥接线两种,分别如下图(a)、(b)所示。
桥形接线
(1)外桥适用范围:
1)适用于线路较短、变压器需要经
2)当系统中有穿越功率通过主接线应该采用外桥接线
(2)内桥适用范围:
1)一般适用于线路较长、变压器不需要经常切换 2)系统无穿越功率通过主接线常切换的情况。
3、多角形接线
多角形接线的断路器数等于电源回路和出线回路的总数,断路器接成环形电路,电源回路和出线回路都接在2台断路器之间,多角形接线的“角”数等于回路数,也就等于断路器数。下图(a)、(b)所示分别为四角形接线和三角形接线。
(1)多角形接线的优点:
1)所用的断路器数目比单母线分段接线或双母线接线还少1台,却具有双母线接线的可靠性,任一台断路器检修时,只需断开其两侧的隔离开关,不会引起任何回路停电;
2)没有母线,因而不存在因母线故障所产生的影响;
3)操作方便,所有隔离开关,只用于检修时隔离电源,不作操作之用,不会发生带负荷断开隔离开关的事故。
图4-15多角形接线
(2)多角形接线的缺点:
检修任何一台断路器时,多角形就开环运行,如果此时出现故障,又有断路器自动跳开,将使供电造成紊乱;不便于扩建。
(3)适用范围:
一般用于回路数较少且发展已定型的110kV及以上的配电装置中,中、小型水力发电厂中也有应用。
三、典型主接线分析
前述的主接线基本形式,从原则上讲它们分别适用于各种发电厂和变电站。但是,由于发电厂的类型、容量、地理位置以及在电力系统中的地位、作用、馈线数目、输电距离以及自动化程度等因素,对不同发电厂或变电站的要求各不相同,所采用的主接线形式也就各异。
1、火力发电厂电气主接线
火力发电厂可分为两大类:地方性火电厂和区域性火电厂
(1)地方性火电厂
地方性火电厂建在城市附近或工业负荷中心,而且,随着我国近年来为提高能源利用率和环境保护的要求,地方性火电厂多为热力发电厂,这种靠近城市和工业中心的发电厂,以热定电,一般热电厂的单机容量多为中、小型机组。
通常,它们的电气主接线包括发电机电压接线及1~2级升高电压级接线,且与系统相连接。
区域性火电厂属大型火电厂,建在煤炭生产基地附近,为凝汽式电厂,一般距负荷中心较远,没有发电机电压等级负荷,电能几乎全部用高压或超高压输电线路送至远方,担负着系统的基本负荷。
装机总容量在1000MW以上,单机容量为200MW以上,目前以600MW为主力机组。发电机电压侧多采用发电机-变压器单元接线、发电机-变压器-线路单元接线,升高为一个最多两个升高电压等级。
发电机电压侧多采用发电机-变压器单元接线、发电机-变压器-线路单元接线,升高为一个最多两个升高电压等级。
220kV~500kV的升高电压侧接线可靠性要求高,一般采用双母线、双母线带旁路、一台半断路器等接线。
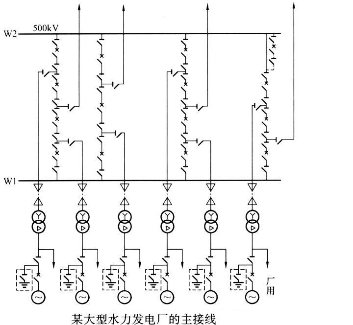
2、水力发电厂电气主接线
水力发电厂一般距负荷中心较远,基本上没有发电机电压负荷,几乎全部电能用升高电压送入系统。因此,主接线中可不设发电机电压母线,多采用发电机-变压器单元接线或扩大单元接线。单元接线能减少配电装置占地面积,也便于水电厂自动化调节。
水力发电厂的装机台数和容量,是根据水能利用条件一次性确定的,不必考虑发展和扩建。因此,除可采用单母线分段、双母线、双母线带旁路及3/2断路器接线外,桥型和多角形也应用较多。
3、变电站的电气主接线
变电站主接线的设计要求,基本上和发电厂相同,即根据变电站在电力系统中的地位、负荷性质、出线回路数等条件和具体情况确定。
通常变电站主接线的高压侧应尽可能采用断路器数目较少的接线,以节省投资,随出线数的不同,可采用桥形、单母线、比母线及角形接线等。如果变电站电压为超高压等级,又是重要的枢纽变电站,宜采用双母线分段带旁路接线或采用一台半断路器接线。变电站的低压侧常采用单母线分段或双母线接线。

