第二节 发电厂的电气部分 我国电力系统中,发电机单机容量不断增长,300、600MW的单机已成为系统中的主力机组,1000MW的单机已逐步进入一些大型电力系统。 一、300MW发电机组电气部分

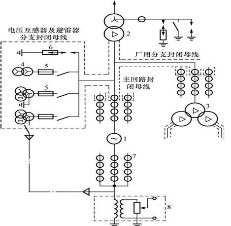
1—发电机;2—主变压器;3—高压厂用变压器 (为分裂绕组变压器);
4—电压互感器; 5—高压熔断器; 6—避雷器;7—电流互感器;8—中性点接地变压器
300MW发电机组电气主接线具有下述特点:
(1)发电机与主变压器的连接采用发电机-变压器单元接线,无发电机出口断路器和隔离开关。
(2)在主变压器低压侧引接一台高压厂用变压器,供给厂用电。
(3)在发电机出口侧,通过高压熔断器接有三组电压互感器和一组避雷器。
(4)在发电机出口侧和中性点侧,每相装有电流互感器4只。
(5)发电机中性点接有中性点接地变压器。
(6)高压厂用变压器高压侧,每相装有电流互感器4只。
发电机和主变压器之间的连接母线及厂用分支母线均采用全连离相封闭母线。其具有以下优点:
(1)供电可靠。
(2)运行安全。
(3)基本消除了母线周围钢构件的发热。
(4)施工安装简便,运行维护工作量小。
2、主要电气设备
(1)发电机。 (5)高压熔断器。
(2)主变压器。 (6)电流互感器。
(3)高压厂用变压器。(7)中性点接地变压器。
(4)电压互感器。
二、600MW发电机组电气部分
1、电气主接线
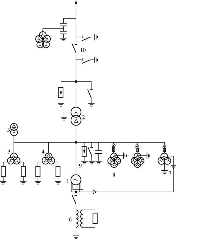
1—发电机;2—主变压器;3—高压厂用变压器;4—高压公用变压器;
5—励磁变压器; 6—中性点接地变压器;7—电压互感器;8—熔断器;9—高压避雷器
600MW发电机组电气主接线具有下述特点:
(1)发电机与主变压器的连接采用发电机-变压器单元接线,发电机和主变压器之间没有断路器和隔离开关。
(2)主变压器采用三相双绕组变压器,低压侧绕组接成三角形,高压侧绕组接成星形。变压器高压侧中性点接地方式为直接接地。
(3)在主变压器低压侧引接一台高压厂用变压器和一台高压公用变压器,供给厂用电。
(4)在发电机出口侧,通过高压熔断器接有三组电压互感器和一组避雷器。
(5)在发电机出口侧和中性点侧,每相装有电流互感器4只。
(6)发电机中性点接有中性点接地变压器。
(7)高压厂用变压器高压侧,每相配置套管式电流互感器3只。
(8)主变压器高压侧每相各配置套管式电流互感器3只,中性点配置电流互感器1只。
2、主要电气设备
(1)发电机。 (5)电流互感器。
(2)主变压器。 (6)中性点接地变压器。
(3)高压厂用变压器。(7)高压熔断器。
(4)电压互感器。 (8)避雷器。
三、1000MW发电机组电气部分
1、电气主接线
1000MW发电机组,采用发电机-变压器单元接线,如图所示。变压器高压侧,经隔离开关和引线接入500kV系统,500kV侧采用一个半断路器接线方式。
1000MW发电机组电气主接线具有下述特点:
(1)发电机与主变压器的连接采用发电机-变压器单元接线,发电机和主变压器之间没有断路器和隔离开关,但在主母线上设有可拆连接点。
(2)发电机出口主封闭母线上有接地刀闸,母线接地刀闸能承受主回路动、热稳定的要求。接地刀闸附近有观察接地刀闸位置的窥视孔。
(3)主变压器采用三台单相双绕组油浸式变压器,低压侧绕组接成三角形,高压侧绕组接成星形。变压器高压侧中性点接地方式为直接接地。
(4)在主变压器低压侧引接两台容量相同的高压厂用变压器,供给厂用电。
(5)在发电机出口主封闭母线有短路试验装置,主回路T接引至电压互感器柜,通过高压熔断器接有三组三相电压互感器和一组避雷器。
(6)在发电机出口侧和中性点侧,每相装有套管式电流互感器4只。
(7)发电机中性点经隔离开关接有中性点接地变压器。
(8)高压厂用变压器高压侧,每相配置套管式电流互感器3只。
(9)主变压器高压侧每相各配置套管式电流互感器4只,中性点配置电流互感器2只。
1—发电机;2—主变压器;3、4—高压厂用变压器;5—励磁变压器;
6—中性点接地变压器;7、8—电压互感器;9—高压避雷器;10—隔离开关;11—电压互感器
2、超超临界发电机组的特点与问题
1)前述300MW发电机组为亚临界火力发电机组,600MW发电机组为超临界火力发电机组,1000MW发电机组为超超临界火力发电机组。
2)超超临界火力发电机组和常规发电机组相比,具有无可比拟的优越性。但是,发展超超临界机组,在设计和制造方面还有许多关键技术问题有待解决,例如开发新材料就是关键的问题。
四、数字化发电厂
1、数字化发电厂概念
数字化发电厂是采用数字方式映射的物理电厂,把庞大的发电厂通过数字0、1精确地表示在电脑的桌面上。也就是说,从电厂前期可行性研究、设计、基建开始,到生产运营、企业管理的全过程,全部采用数字描述和数字化存储。
2、数字化发电厂模式
数字化发电厂的模式有以下5种:
1)基于上层网络模式(信息网络)。
2)基于下层网络模式(FCS网络)。
3)基于控制网络模式(DCS网络)。
4)上中下网络合一模式(3层网络)。
5)数字化发电厂5层网络模型。
3、层网络模型组成的数字化发电厂:
1)一次设备层。
2)DCS层:控制系统。本层为二次系统层。
3)SIS层:优化增值。
4)MIS层:高端信息。
5)Internet层:网络媒体。
4、实现数字化发电厂的核心技术
1)采用成熟的FCS数字化仪表或装置。
2)发电厂“炉、机、电、辅”DCS一体化控制和数字化升压站NCS。
3)数字化CCTV(工业)网络图像监视技术。
4)厂级运营优化增值服务技术。
5)信息层面的数字化高端应用。
6)系统工程、软件技术、流程技术和先进的计算机辅助设计(CAD)、三维技术(3D)等其它技术。

