微机调速器的组成和工作原理
上一节
下一节
一、中小型调速器选择的原则

二、微机调节器PID控制算法
1. 位置型数字PID微机调节器控制算法
连续PID算法
数字PID算法
因为调节器输出的是对象调节机构的位置值,当计算机发生电源消失故障时,将会产生不必要的错误动作,导致调节系统严重事故,为此,必须考虑电源消失保护措施。
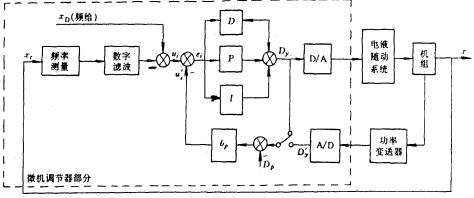
2、位置型数字PID微机调节器框图

3. 增量型数字PID微机调节器控制算法


