
电学四端网络:如图5-15所示的四端网络,选电流I1、I2为自变量,电压V1、V2为因变量,它的传输方程:

(5-90)

式中:
Z11=(V1/I1)I2=0为输出端开路时的输入电阻
Z12=(V1/I2)I1=0为输入端开路时的反向转移阻抗
Z21=(V2/I1)I2=0为输出端开路时的正向转移阻抗
Z22=(V2/I2)I1=0为输入端开路时的输出电阻
例如图5-16所示的T型四端网络,它的传输方程为:

(5-91)
机械四端网络:如图5-17所示的机械四端网络,选速度U1、U2为自变量,力F1、F2为因变量,它的传输方程:


(5-92)

式中:
Zm11=(F1/U1)u2=0为输出端开路(即夹持)时的输入机械阻抗
Zm12=(F1/U2)u1=0为输入端开路(即夹持)时的反向转移机械阻抗
Zm21=(F2/U1)u2=0为输出端开路(即夹持)时的正向转移机械阻抗
Zm22=(F2/U2)u1=0为输入端开路(即夹持)时的输出机械阻抗
例如图5-18所示的T型机械四端网络,它的传输方程为:


图 5-18 T型机械四端网络


式中:
Ze=(V/I)u=0为机械端开路(即夹持)时的电学端输入阻抗;
Zem=(V/U)I=0为电学端开路时的变换参数;Zme=(F/I)u=0为机械端开路(即夹持)时的变换参数;
Zm=(F/U)I=0为电学端开路时力学端的输出机械阻抗。
若选V、U为自变量,则由(5-94)式可得另一组传输方程:
(5-95)
例如图5-20所示的机电四端网络,它的传输方程为:

(5-96)

将(5-96)式与(5-95)式比较,即得机电变压器的转换系数N为:
(5-97)
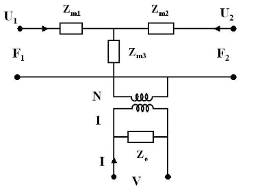
机电六端网络:如图5-21所示的机电六端网络,选速度U1、U2和电流I为自变量,力F1、F2和电压V为因变量,它的传输方程:


(5-98)

式中:
Zm11=(F1/U1)U2=0,I=0为电学端开路和力学2端开路(即夹持)时力学1端的输出机械阻抗;
Zm12=(F1/U2)U1=0,I=0为电学端开路和力学1端开路(即夹持)时的转移机械阻抗;
Zme1=(F1/I)U1=0,U2=0为力学1端开路和力学2端开路时的变换参数。其余的系数与此情况类似,故从略。

图 5-22 机电六端网络

例如图5-22所示的机电六端网络,它的传输方程为:
(5—100)
将(5-100)式与(5-99)式比较,即得机电变压器的转换系数N为:


