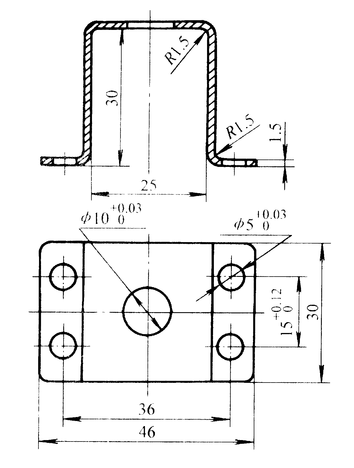
弯曲件展开尺寸计算
-
1 教程
-
2 课件
-
3 章节测验
-
4 资源
-
5 练习1
上一节
下一节


