-
1 教学课程
-
2 作业
![]()
电枢绕组是直流电机实现机电能量转换的枢纽。无论是发电机还是电动机,由于气隙磁场的存在,旋转的电枢绕组会产生感应电动势;有电流流通的电枢绕组会产生电磁转矩,因此,一个电枢绕组在一定条件下应能产生尽可能大的感应电动势和电磁转矩。此外,还要力求结构简单,制造方便,保证良好的换向性能。
直流电机的电枢绕组可分为单叠绕组、复叠绕组、单波绕组、复波绕组和混合绕组等。
直流电机的电枢绕组都是由形状相同的元件构成。元件是指两端分别与两换向片链接的单匝火多匝线圈。

现代电机均为双层绕组,其电枢槽数Q、元件数S和换向片数之间的关系为:Q = S = K 。
单叠绕组的节距特点
单叠绕组的元件总是后一个紧叠在前一个之上,对应的元件边相隔一个电枢槽,故得名单叠绕组,其节距特点是:。
单叠绕组的构成实例
直流电机数据:
极距为:
第一节距为:
合成节距、换向器节距为:
第二节距为:

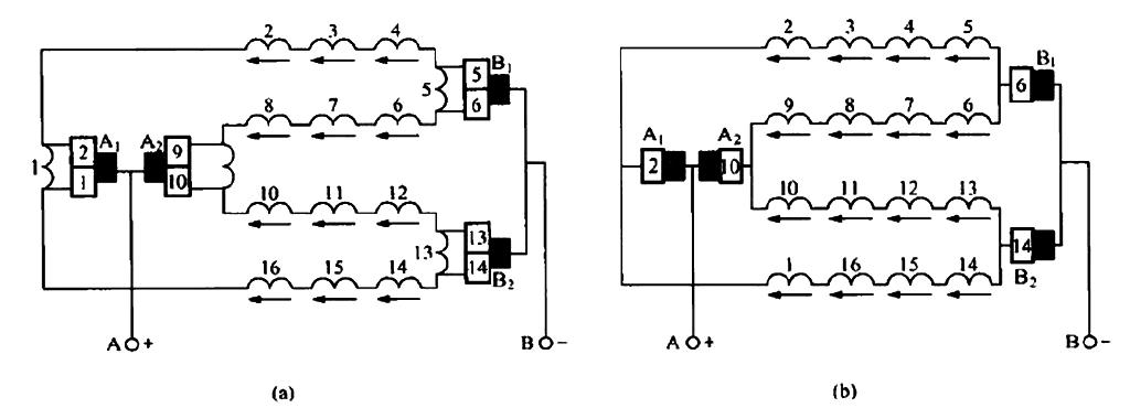
单叠绕组()展开图
符号图及电刷安放原则
电刷安放原则:电刷间获得最大的感应电动势,也就是被电刷锻炼的元件电动势应最小。
位置:电刷应放在几何中性线上,对本题具体来说就是电刷应放在1,、5、9、13号元件所接的换向片上。

单叠绕组符号图
单波绕组的节距特点
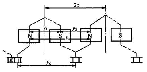
单叠绕组是将相邻位置的元件依次串联,单波绕组的连接规律则是从某一换向片(出发点)出发,将相隔大约两个极距,在磁场中差不多相对应的元件连接起来。两元件连接后形成如图21—9所示的波浪形。

图21—9 单波绕组的连接
单波绕组的构成实例
直流电机数据:

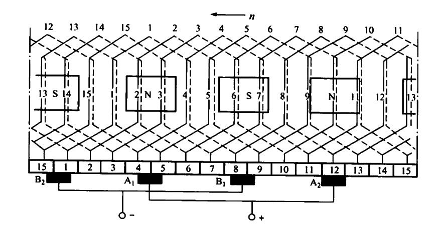
单波绕组()展开图
符号图及电刷安放原则
电刷安放:单叠绕组电刷安放的基本原则也适用于单波绕组。只要元件是对称的结构,电刷的实际空间位置必与主磁极轴线位置一致。

单波绕组符号图




