三相变压器组和三相心式变压器
-
1 教学课程
-
2 作业
上一节
下一节
![]()
三相变压器的电压和电流基本上是对称的。对称的三相电压或电流大小相等,相位互差120 o,可取三相中的一相来分析计算,即将三相问题简化成单相问题。


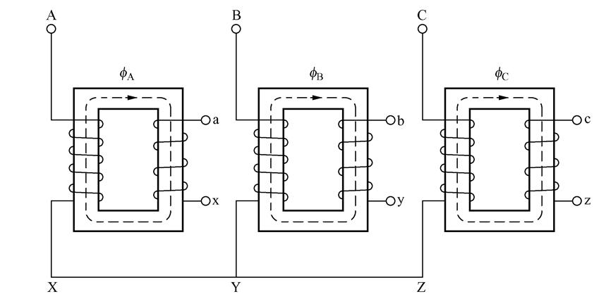
图2-7-1 三相变压器组

当三相绕组外接对称三相电压时,三相磁通亦为三相对称。三相磁通之和为零,即

图2-7-2 三相心式变压器的构成

