自动声光报警器应用实例
-
1 视频
-
2 测验
上一节
下一节
知识要点
5.9 自动声光报警器应用实例
1、任务引领
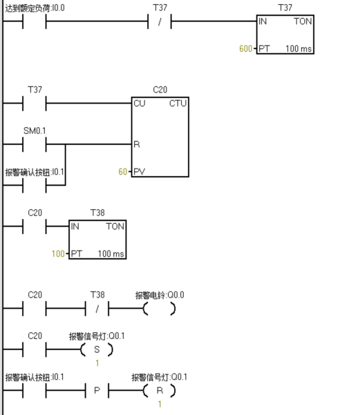
该声光报警器用于超负荷报警。
当某电动单梁起重机加载到1.1倍额定负荷并反复运行1h后,报警指示灯常亮,电铃声响10S后停止,以提醒操作员。
报警后,若操作员已知晓,并按报警确认按钮后,报警指示灯灭。然后可以开始下一次超负荷报警。
2、任务分析
(1)反复运行1h,单一的定时器,是无法实现1h的定时,故还需用到对定时器定时时间计数的计数器。
(2)PLC的输入输出点即I/O地址分配
地址 | 描述 |
I0.0 | 达到1.1倍额定负荷 |
I0.1 | 报警确认按钮 |
Q0.0 | 报警电铃 |
Q0.1 | 报警指示灯 |
(1)达到1.1倍额定负载开始定时

(2)定时器定时时间到,计数器计数

(3)计数器达到预设值,启动T38,定时电铃响时间

(4)报警电铃响10S

(5)时间到,报警指示灯亮

(6)操作员知晓报警,熄灭报警指示灯

4、总程序


