保持型接通延时定时器TONR
-
1 视频
-
2 测验
上一节
下一节
知识要点
5.2 保持型接通延时定时器TONR
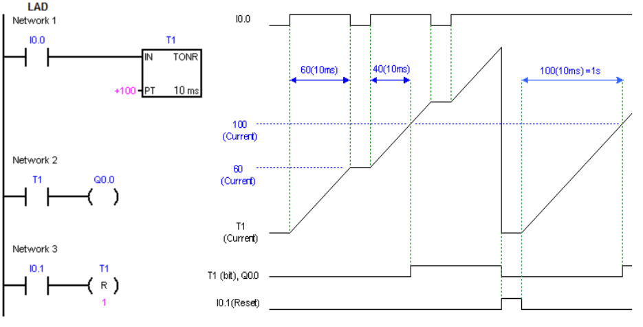
1、保持型接通延时定时器TONR(Retentive ON-Delay Timer)

IN——使能输入端
PT——预设值输入端
T1——定时器地址编号
10ms——定时时基
2、保持型接通延时定时器的工作特点
在使能(IN)输入为 1 时开始计时。如果定时器的当前值大于或者等于预设值(PT),TONR 输出为 1。
当使能输入为 0 时,TONR 定时器的当前值保持不变。因此 TONR 定时器可以累积计算多次使能输入为 1 的时间段。达到预设值时定时器继续计数,直至到达最大值 32767 时定时器才停止计数。
使用复位指令R,复位定时器的当前值。
3、保持接通型定时器举例


