西门子s7-300PLC的安装
-
1 视频
-
2 测验
上一节
下一节
知识要点
1.3 西门子s7-300PLC的安装
1.安装导轨在机柜内
2.在导轨上安装电源模块,模块上的电压选择开关选择210V。
3.将总线连接器插在CPU模块和各信号模块后再挂到导轨上并拧紧固定螺钉。
4.完成电源线和电气接线。

图1 导轨示意图

通道号② 状态显示 - 绿色 ③ 背板总线接口
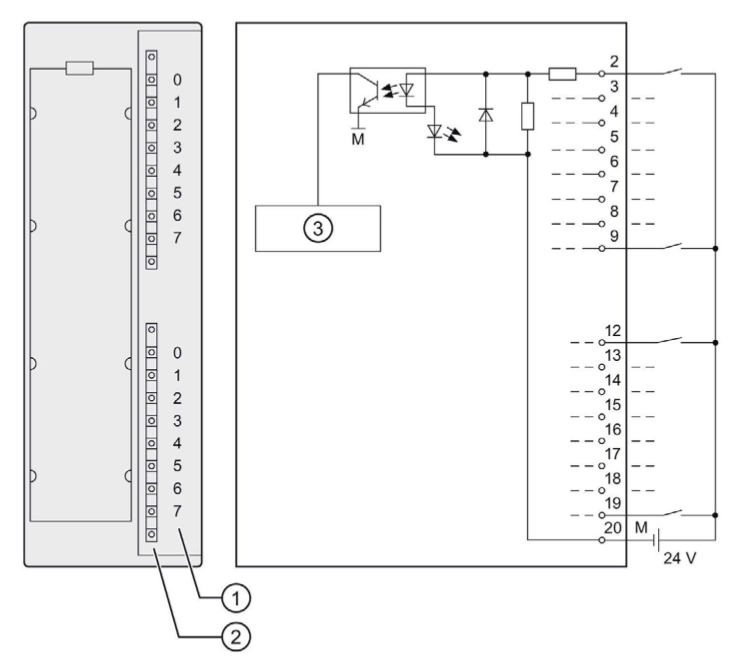
图2西门子S7-300 数字量输入模块接线图(SM 321; DI 16 x DC 24 V,6ES7321 - 1BH02 - 0AA0)

① 通道号 ② 状态显示 - 绿色③ 背板总线接口
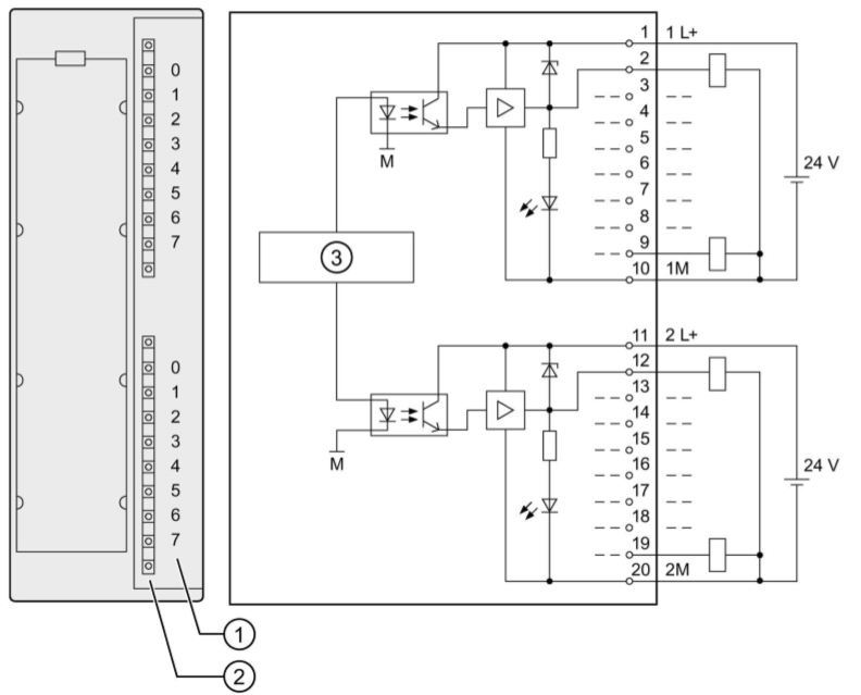
图3西门子S7-300 数字量输出模块接线图(SM 322 , DO 16 x DC 24 V/ 0.5 A ,6ES7322 - 1BH01 -0AA0)
安装时注意事项:
1.一个300机架,从CPU模块往右算,后面安装的模块数量最多不能超过8个
2.可通过IM模块扩展机架,总机架数不能超过4个。
3.若有扩展机架的情况,IM模块只能紧挨着CPU模块右侧安装,在硬件组态时占用的逻辑槽号为3。

