轴承座建模
-
1 教学目标
-
2 工作任务
-
3 操作步骤
-
4 知识链接
-
5 强化练习
-
6 教学文案
上一节
下一节
知识目标:
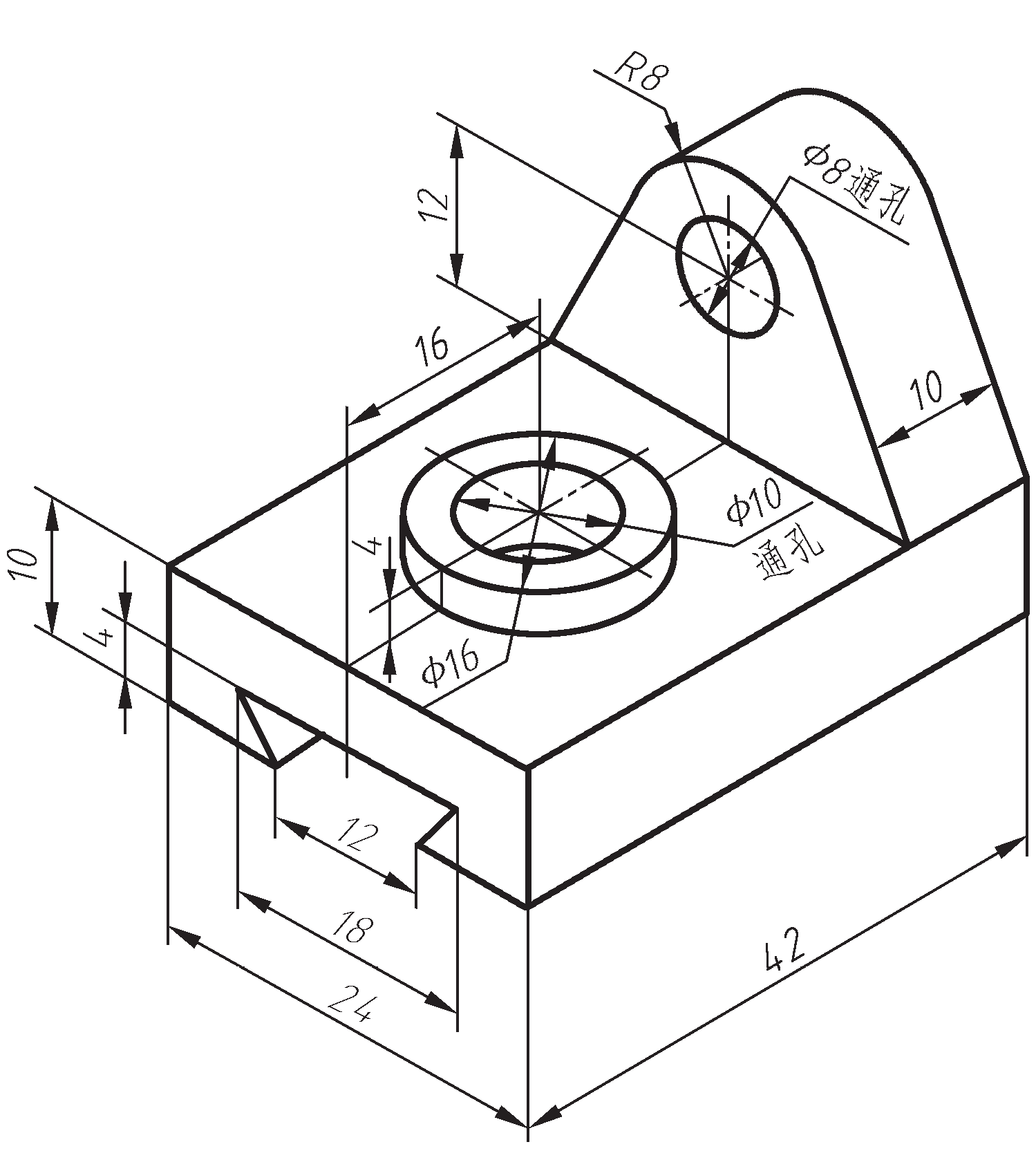
1.掌握三维实体的尺寸标注方法
2.掌握三维阵列、三维镜像命令的操作方法
能力目标:
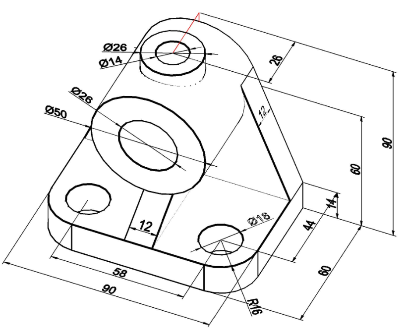
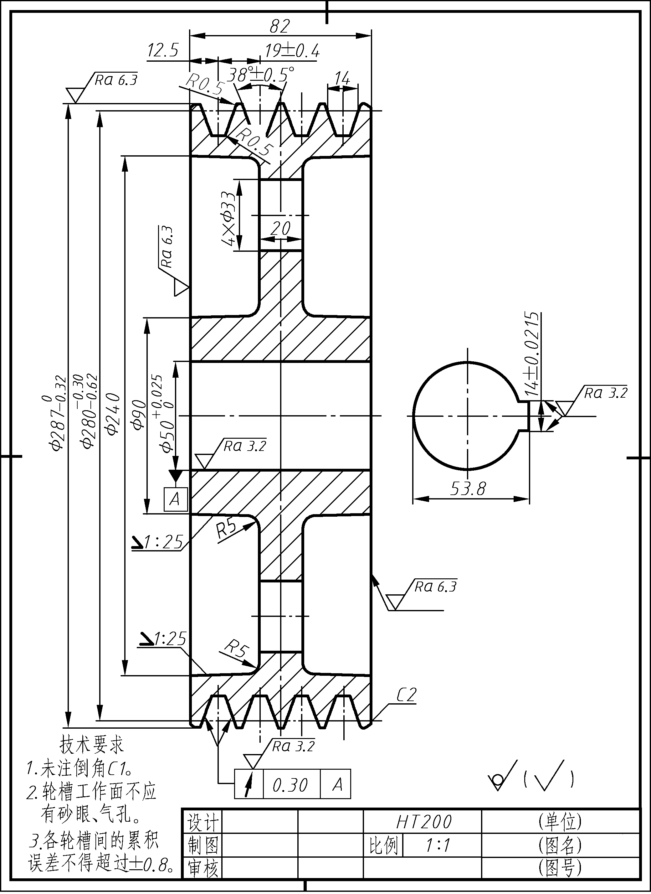
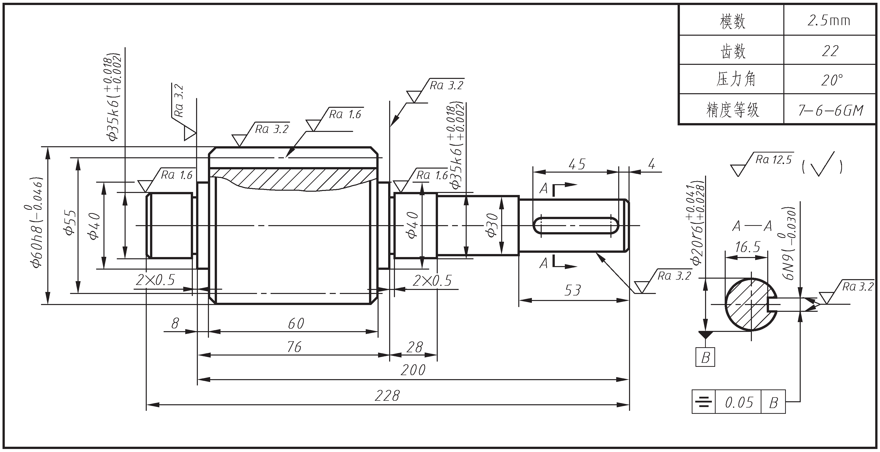
3.会熟练轴承座建模及类似图形
4.会准确地完成三维实体的尺寸标注
素质目标:
5.培养严谨工作作风







