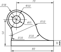
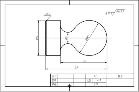
绘制手柄
-
1 教学目标
-
2 工作任务
-
3 操作步骤
-
4 知识链接
-
5 强化练习
-
6 教学文案
上一节
下一节
知识目标:
1.掌握圆及圆弧工具的使用方法。
2.掌握图层等绘图环境的设置方法。
3.掌握镜像命令。
能力目标:
4.能独立完成手柄图形的绘制,正确处理线段连接与圆弧相切关系。
5.能通过夹点编辑调整中心线长度,规范工程图绘制标准。
素质目标:
6.培养严谨的工程绘图态度和空间几何思维能力。
7.提升自主学习与实践操作的信心,激发对 CAD 设计的兴趣。




