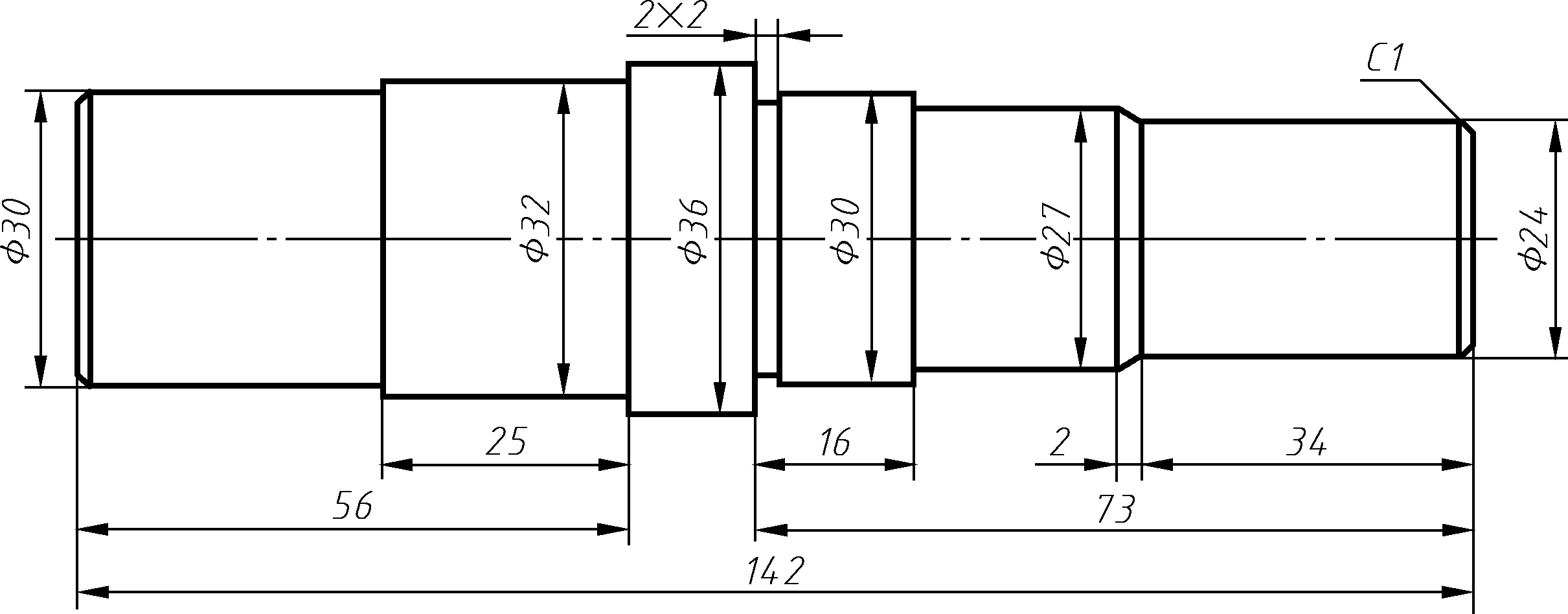
绘制阶梯轴
-
1 教学目标
-
2 工作任务
-
3 操作步骤
-
4 知识链接
-
5 强化练习
-
6 教学文案
上一节
下一节
知识目标:
1.掌握图素复制和移动方法
2.熟练掌握各种倒角方法
3.掌握正多边形命令
能力目标:
4.会熟练绘制各种阶梯轴
5.能够按需要对图形进行各种编辑操作
素质目标:
6.通过使用多种方法绘制图形,培养学生创新精神
7.培养学生的标准意识



