目录

  • 课程导学
    • ● 这门课讲什么?
    • ● 你会收获什么?
    • ● 适合谁学?
    • ● 师资团队
    • ● 课程标准
    • ● 学习指南
    • ● 费斯托培训证书
    • ● 液压VR软件使用说明
  • 课前特色资源欣赏
    • ● 典型教学视频
    • ● 典型思政资源
    • ● 典型虚拟仿真交互资源
    • ● 典型VR资源
    • ● 典型精品微课
    • ● 典型实训项目动画
    • ● 典型工程案例
    • ● 双语资源
  • 项目1:(认知系统)探究液压传动系统
    • ● 任务1认识机床工作台液压系统
    • ● 任务2选用液压油
  • 项目2:(懂原理-认知元件)解析与应用液压动力元件
    • ● 任务1初识液压泵
    • ● 任务2解析与应用典型液压泵
    • ● 实训任务1测试液压泵的容积效率
  • 项目3:(懂原理-认知元件)解析与应用液压执行、辅助元件
    • ● 任务1解析与应用液压缸
    • ● 任务2解析与应用液压马达
    • ● 任务3认识液压辅助元件
    • ● 实训任务2构建与实施长柄勺汲取装置
  • 项目4:(懂原理-认知元件)解析与应用方向控制阀
    • ● 任务1初识液压方向控制阀
    • ● 任务2解析单向阀与液控单向阀
    • ● 任务3解析与应用液压换向阀
  • 项目5:(懂原理-认知元件)解析与应用压力控制阀
    • ● 任务1解析与应用溢流阀
    • ● 任务2解析与应用减压阀
    • ● 任务3解析与应用顺序阀
    • ● 任务4解析与应用其他压力阀
  • 项目6:(懂原理-认知元件)解析与应用流量控制阀
    • ● 任务1解析与应用节流阀
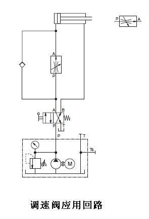
    • ● 任务2解析与应用调速阀
    • ● 实训任务4构建与实施液压节流调速回路
    • ● 单元讨论
  • 项目拓展-认识特殊液压阀
    • ● 任务1比例阀
    • ● 任务2其他液压阀
  • 项目7:(能分析-回路)解析液压基本回路
    • ● 任务1分析方向控制回路
    • ● 任务2分析压力控制回路
    • ● 任务3分析速度控制回路
    • ● 任务4分析其他回路
  • 项目8:(会设计-构建系统)分析与构建典型液压系统
    • ● 任务1分析组合机床动力滑台液压系统
    • ● 实训任务5构建与实施两缸压力顺序控制回路
    • ● 单元讨论
  • 项目9:(认知系统)探究气动自动化系统
    • ● 任务1探究气动技术的应用与发展
    • ● 任务2认知气源系统
    • ● 任务3认知压缩空气净化装置
    • ● 任务4认知压缩空气的输送
  • 项目10:(懂原理-认知元件)认识气动执行元件
    • ● 任务1解析与应用气缸
    • ● 任务2解析与应用气动马达
  • 项目11:(懂原理-认知元件)识气动控制元件
    • ● 任务1解析气动方向阀
    • ● 任务2解析气动流量阀
    • ● 任务3解析气动压力阀
  • 项目12:(能分析-回路)认知气动程序控制回路
    • ● 任务1认知气动基本回路
    • ● 任务2消除气动程序控制回路障碍信号
    • ● 任务3设计气动程序控制回路
  • 项目13:(会设计-构建系统)构建工业气动程序控制系统
    • ● 实训任务6构建送料机构气动系统
    • ● 实训任务7构建料斗门控机构气动系统
    • ● 实训任务8构建台钻夹紧机构气动系统
    • ● 实训任务9构建带行程检测的送料机构气动系统
    • ● 实训任务10构建切割机气动系统
    • ● 实训任务11构建工业用塑料热封机气动系统
    • ● 实训任务12构建自动输送线上的物料翻转机构气动系统
    • ● 实训任务13构建钻床送料、夹紧及出料机构气动系统
    • ● 实训任务14构建夹紧与冲压机构气动系统
    • ● 任务拓展-气动典型应用
  • 项目14:(会设计-构建系统)构建工业电气动程序控制系统
    • ● 任务1认知电气控制基本回路
    • ● 任务2分析典型电气动回路
    • ● 实训任务15构建进料与夹紧机构电气动系统
  • 项目拓展-认知真空系统
    • ● 任务1认知真空回路
    • ● 任务2应用真空案例
任务2解析与应用调速阀
  • 1 课程思政
  • 2 微课
  • 3 小测与讨论
  • 4 教学视频
  • 5 课程案例
  • 6 课件与教案
  • 7 图片

1.液压技术应用:航母阻拦索

2.思政设计