机电系单片微机原理与接口技术实验课程24学时,0.5个学分,分成6次,每次4课时,配合单片微机原理与接口技术课程开设。
介绍单片机竞赛及单片机工程师证书,可以促进高薪就业。对应第5章。
第1次 1-4课时 3.1单片机软件使用实验(图形化+C51)
第2次 5-8课时 3.1单片机实验板编程实验(C51) 3.5单片机输入与输出实验(C51)
第3次 9-12课时 3.6单片机数码管显示实验(C51)
第4次 13-16课时 3.7单片机中断实验(C51)
第5次 17-20课时 3.8单片机定时/计数器实验(C51)
第6次 21-24课时 3.9单片机AD转换程序设计(C51)
第1次 1-4课时 3.1单片机软件使用实验(图形化+C51)
1、安装单片机开发软件。对应超星1.4。要求学生提前进行,部分学生安装可能有问题。
(1)Keil 安装与破解。
(2)Proteus安装与破解。
(3)天问Block安装。
(4)驱动安装。
(5)STC-ISP安装。
2、项目1_1:单片机原理图绘制(Proteus)对应超星3.1。
3、项目1_3:1个LED灯闪烁。对应超星3.1。
(1)图形化编程。
(2)C51编程。
4、项目1_4:8个LED流水灯。对应超星3.1。
(1)图形化编程。
(2)C51编程。
5、介绍单片机报告。对应超星1.5、1.6。单片微机原理与接口技术实验(机电系课程名称)。
6、介绍单片机实验板。对应超星1.8。
第2次 5-8课时 3.1单片机实验板编程实验(C51) 3.5单片机输入与输出实验(C51)
1、项目2_1:8路流水灯
(1)编译程序。在Keil软件录入流水灯C51程序,编译,自行解决所有语法错误,并生成Hex文件。
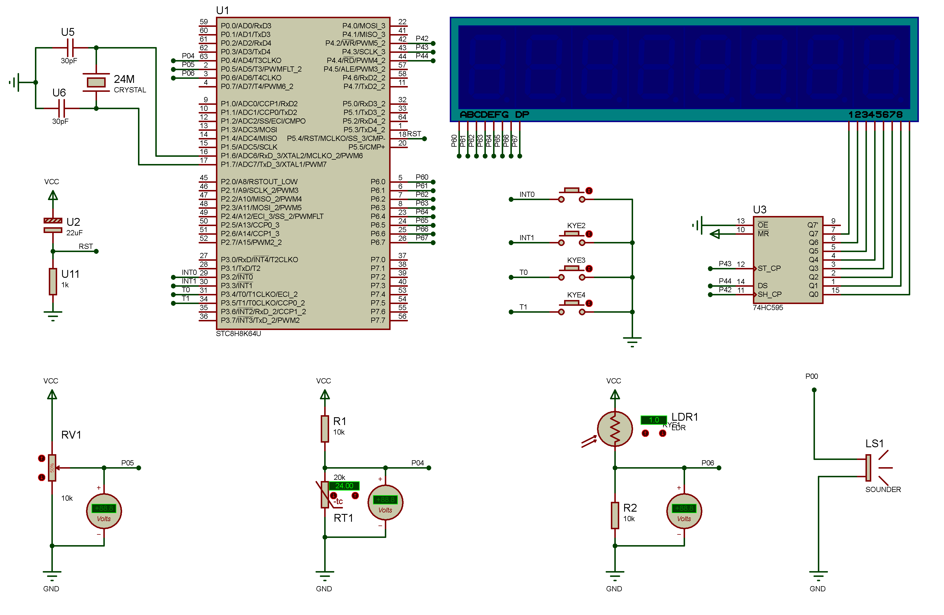
(2)搭建硬件。按照图示连接好单片机实验板。
(3)设置软件。打开STC-ISP软件,选择芯片型号(STC8H8U64U)-串口-频率(24Mhz)。
(4)下载程序。打开Hex文件,下载到单片机实验板观察现象。
(5)修改程序。修改流水灯移动速度、方向,重新编译、下载。
2、项目3_1:独立按键控制流水灯
(1)编译程序。在Keil软件录入独立按键控制流水灯C51程序,编译,解决语法错误,并生成Hex文件。
(2)下载程序。打开Hex文件,下载到单片机实验板观察现象。
(3)修改程序。按照要求补充程序、修改程序实现双键控制、统计按键次数。
第3次 9-12课时 3.6单片机数码管显示实验(C51)
讲解数码管显示原理。
项目4_1:
在数码管显示从右向左不断循环移动的字符“8”,每间隔1秒移动1位。
(1)修改源程序,改变字符的移动速度;
(2)修改源程序,改变显示的字符为H;
(3)修改源程序,改变字符的移动方向;
(4)修改源程序,数字0~F连续地逐一显示出来;
(5)修改源程序,数字12345678连续地稳定显示出来;
项目4_2:
在数码管显示0000-9999之间任意一个指定的数字。
(1)修改源程序,改变显示数字为1008;
(2)修改源程序,显示00000-65536之间任意一个数;
项目5_1:
利用2路中断和8路数码管,构成一个中断控制数码管电路。上电时,首先在单片机实验系统数码管的右1位上显示数字“8”,然后每按动一次外部中断0开关申请一次中断后,数码管显示器上显示的数字“8”向左移动一位。
(1)修改程序,利用外部中断1控制8在数码管上右移。
(2)修改程序,实现中断0控制0-F在数码管逐个移动显示。
(3)修改程序,统计中断次数,计数范围0000-9999,中断0加1,中断1减1。
(4)修改程序,将延时函数进行模块化设计。
(5)修改程序,将中断、数码管等进行模块化设计。
课内完成基础部分及修改(1)(2)(3)(4)。修改(5)可以在课内或课外完成。

项目6_2:定时器实验2
利用8路数码管,构成一个定时器控制数码管电路。上电时首先在单片机实验系统数码管的右1位上显示数字“8”,利用定时器T0定时间隔1秒数码管上显示的数字“8”左向移动一位。
(1)修改程序,利用定时器T1每定时0.5秒控制8在数码管上右移1位。
(2)修改程序,利用定时器每定时间隔1秒控制0-F在数码管逐个移动显示。
(3)修改程序,利用定时器每定时间隔1秒控制,计数范围0000-9999。
(4)修改程序,将延时、中断、数码管显示、定时器等功能进行模块化设计。
项目6_3:计数器实验1
在单片机实验系统的8位数码管显示器的右1位上首先显示一个数字“8”,计数器T0每计数满3之后(即输入了3个外部脉冲之后),使数码管显示器上显示字符“8”左移一位。如此不断重复。
(1)修改程序,利用计数器T1每计5个脉冲,字符8在数码管上左移一位。
(2)修改程序,统计脉冲个数,计数范围,计数范围0000-9999。
(3)修改程序,将延时、中断、数码管显示、计数器等功能进行模块化设计。
项目7_1:(默认采用单片机实验板)
通过旋转电位器改变模拟输入电压值。读取ADC转换结果以十进制形式显示(0000-4095)在右侧4个数码管上。
(1)模块化设计:将ADC功能模块化设计。
(2)电压显示:实现数字电压表功能,设Vcc=5V,将AD结果(0000-4095)以电压值(0000-5000mv)的形式显示在右侧4个数码管上;
(3)手动模式:利用中断0切换轮流采集光敏电阻亮度测量、热敏电阻温度测量、电位器电压测量模拟信号;
(4)自动模式:利用中断1切换手动模式和自动模式。在自动模式下,利用定时器定时2秒,每隔2秒自动切换轮流采集光敏电阻亮度测量、热敏电阻温度测量、电位器电压测量模拟信号;
(5)超限报警:实现超限声光报警(发光二极管和蜂鸣器),利用按键或中断设置上下限。
