
Proteus仿真文件:
项目4_1:
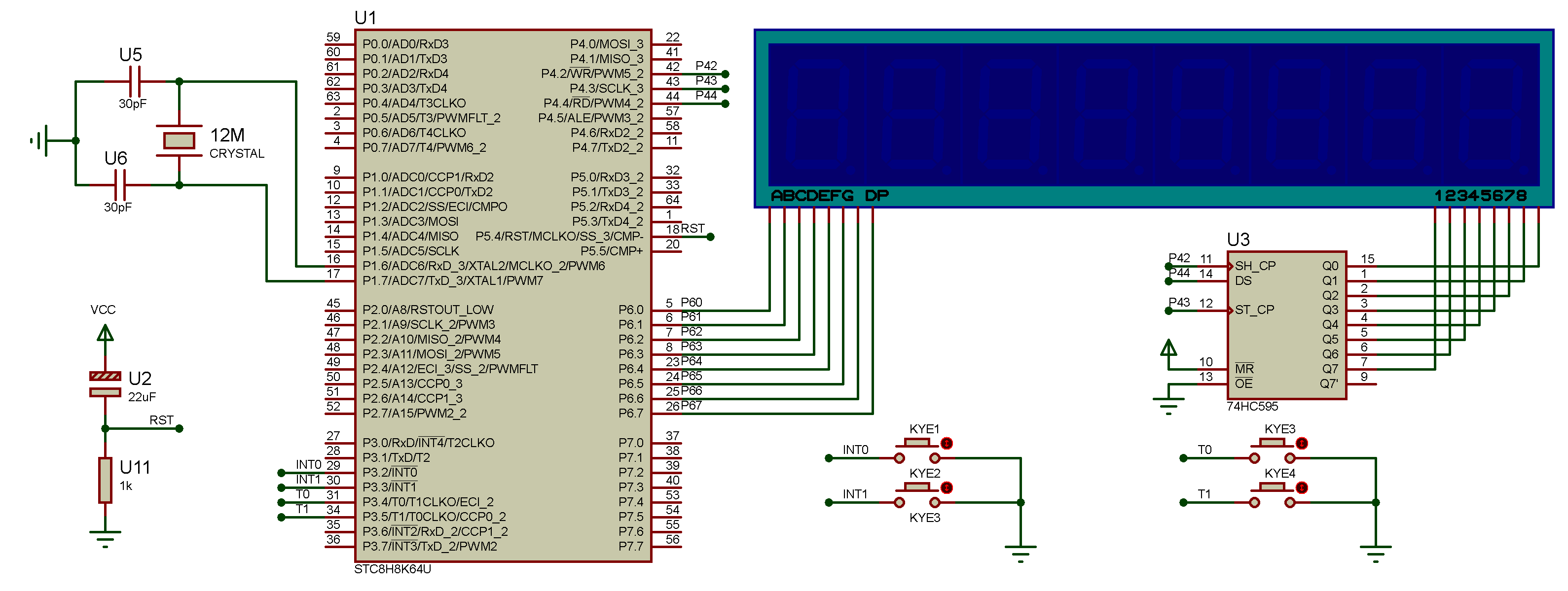
利用2路中断和8路数码管,构成一个中断控制数码管电路。上电时首先在单片机实验系统在左边4个数码管显示0000-1023之间任意一个指定的数字,每按动一次外部中断0开关申请一次中断后,数码管显示器上显示的数字加1。
(1)修改程序,中断0加1,中断1减1。
天问基础代码:

一、实训目的
1、了解单片机中断原理及中断编程技术;
2、初步掌握单片机中断程序设计、仿真与调试。
二、实训器材
1、计算机 一台
2、STC8H实验箱 一台
3、STC数据下载线 一根
4、天问Block软件(Vision 0.1.18及以上)
三、预习要求
1、了解单片机中断处理原理及过程的章节;
2、了解单片机的中断处理初始化编程要求;
3、读懂范例程序并按实训任务自编好实验程序。
四、实训硬件电路

五、实训任务
项目4_1:
利用2路中断和8路数码管,构成一个中断控制数码管电路。上电时首先在单片机实验系统在左边4个数码管显示0000-1023之间任意一个指定的数字,每按动一次外部中断0开关申请一次中断后,数码管显示器上显示的数字加1。
(1)修改程序,中断0加1,中断1减1。
基础程序
备注:图形化程序可以打印
修改程序
备注:图形化程序可以打印
六、思考与创新
(1)如何显示00000-99999?
(2)如何使用外部中断2、3来控制?
七、实训小结
通过本次实验...。
本次需要完成中断、定时、ADC三个实验,内容较多,为避免拖堂,建议如下:
一、上课方式
1、上课立马签到,签到后再来算迟到,不来算旷课。
2、有的无法在天问BLOCK运行下载,可以生成hex文件,利用STC-ISP下载。
3、如果没有天问51单片机实验板,可以利用Proteus仿真,提醒购实验板,没有板子后面允许继续进行单片机实验。
二、内容如下
项目4_1:
利用2路中断和8路数码管,构成一个中断控制数码管电路。上电时首先在单片机实验系统在左边4个数码管显示0000-1023之间任意一个指定的数字,每按动一次外部中断0开关申请一次中断后,数码管显示器上显示的数字加1。
(1)修改程序,中断0加1,中断1减1。
结合硬件和程序,讲清楚数码管显示原理,讲清楚外部中断0使用方法。
项目5_1:
利用定时器和8路数码管,构成一个定时器控制数码管电路。上电时首先在单片机实验系统在左边4个数码管显示0000-1023之间任意一个指定的数字,利用定时器T0定时间隔1秒数码管上显示的数字加1。
(1)修改程序,利用定时器T1定时间隔2秒数码管上显示的数字减1。
(2)修改程序,利用定时器实现数字钟,利用中断0和1修改时和分。
讲清楚外部定时器定时原理和使用方法。
不要重新搭建图形化程序,在4_1程序基础上修改,不用的外部中断初始化和子程序点击右键禁用,补充定时器初始化和定时器子程序。
项目6_1:
通过旋转电位器改变模拟输入电压值。读取ADC转换结果以十进制形式显示(0000-4095)在右侧4个数码管上。
(1)电压显示:实现数字电压表功能,设Vcc=5V,将AD结果(0000-4095)以电压值(0000-5000mv)的形式显示在右侧4个数码管上;
(2)自动模式:在自动模式下,利用定时器定时2秒,每隔2秒自动轮流进行热敏电阻温度测量、电位器电压测量、光敏二极管亮度测量模拟信号;
提示:三个通道对应的编号为12、13、14,定义一个变量,利用定时器定时2秒改变变量在12-14范围内变化,即可以实现自动切换通道。
(3)手动模式:利用中断1切换手动模式和自动模式。在手动模式下,利用中断0手动轮流进行热敏电阻温度测量、电位器电压测量、光敏二极管亮度测量模拟信号;
提示:三个通道对应的编号为12、13、14,定义一个变量,利用中断0改变变量在12-14范围内变化,即可以实现手动切换通道。利用中断1启动和停止定时器即可以打开或变比自动切换。
(4)超限报警:实现超限声光报警。
讲清楚ADC采集原理和使用方法。
不要重新搭建图形化程序,在5_1程序基础上修改,不用的外部中断初始化和子程序点、定时器初始化和定时器子程序击右键禁用,补充ADC初始化和ADC子程序。