-
1 实验任务
-
2 过程考核
-
3 实验讲义
-
4 报告上传
-
5 参考内容
-
6 参考程序
-
7 实操演示
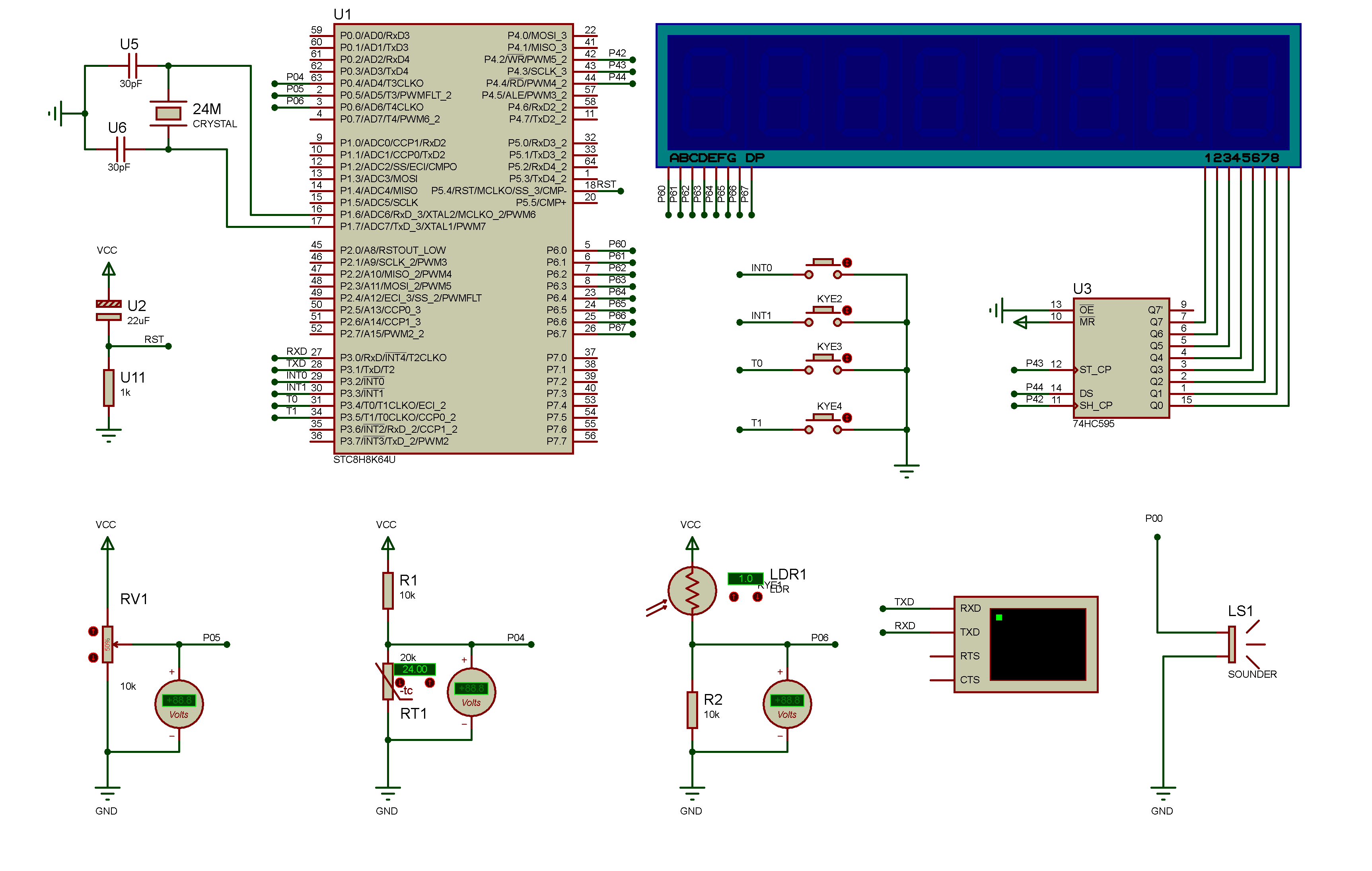
项目8_1:
初始,8个数码管依次显示采集模式0、灭、采集通道d、灭、采集电位器数据xxxx。
通过ADC实验已经完成利用中断1切换手动模式、自动模式、上限模式、下限模式:
ADC_Mode=0:手动模式:中断0切换采集三路模拟信号;
ADC_Mode=1:自动模式:定时2秒切换采集三路模拟信号;
ADC_Mode=2:上限修改模式,设置上限:KEY3增加100mV;
ADC_Mode=3:下限修改模式,设置下限:KEY4减少100mV。
系统时钟f为22.1184MHz,串口波特率设为9600bps,无校验。上位机上使用串口调试助手向单片机发送一个数字X,如果单片机接收上位机发送的数据是0、1、2,则分别采集通道ADC12、ADC13、ADC14的模拟电压显示在右侧4个数码管上,并通过串口将AD通道和采集结果(先发高4位,再发低8位)发送给计算机。
(1)模块化设计:在延时、中断、数码管显示、计数器、按键、ADC等功能模块化基础上,将串口程序进行模块化设计;
(2)定时打印:利用定时器定时2秒,每隔2秒自动通过串口将采集通道、AD结果发送给计算机;
(3)设置报警:如果单片机接收上位机发送的数据是3、4,则进入上、下限设置模式。右侧数码管4个数码管分别显示上下限值,上下限值初始为4000mV和2000mV。利用按键KEY3和KEY4对限值进行加减。KEY3增加限值100mV、KEY4减少限值100mV。
(4)超限报警:实现超限声光报警(发光二极管和蜂鸣器),利用按键或中断设置上下限,低于下限值2000mV时 LED D14点亮报警,高于上限值4000mV时,蜂鸣器蜂鸣报警。











